Need to use a rectifier.... but where to put it?

  • Thread starter Thread starter HelloCthulhu
  • Start date Start date
  • Tags Tags
    Rectifier
Click For Summary

Discussion Overview

The discussion centers around the construction and safety considerations of a high voltage AC power supply for parallel plate capacitor experiments, specifically regarding the need for a rectifier and its placement in the circuit. Participants explore the implications of using different types of rectifiers and the associated safety risks of working with high voltage circuits.

Discussion Character

  • Debate/contested
  • Technical explanation
  • Conceptual clarification

Main Points Raised

  • One participant describes their setup and expresses uncertainty about using a lower voltage rectifier in a high voltage application, questioning the safest and most efficient placement of the full bridge rectifier.
  • Another participant warns about the dangers of the circuit being directly connected to mains power without isolation or fuse protection, highlighting potential hazards if components fail or are misconnected.
  • A participant acknowledges their inexperience with high voltage circuits and expresses a desire to learn more, indicating they have found some resources helpful.
  • Concerns are raised about the use of a Variac, clarifying that it is an autotransformer and does not provide electrical isolation.
  • Suggestions are made for finding an experienced mentor to assist with safety and circuit design, emphasizing the importance of hands-on guidance in learning about high voltage systems.

Areas of Agreement / Disagreement

Participants generally agree on the safety risks associated with the circuit design and the need for further learning and mentorship. However, there is no consensus on the specific technical details of rectifier placement or the adequacy of the current safety measures.

Contextual Notes

Limitations include the participant's varying levels of experience with high voltage circuits, the potential for misunderstanding the safety implications of using a Variac, and the lack of detailed discussion on the technical specifications of the rectifier needed.

HelloCthulhu
Messages
150
Reaction score
3
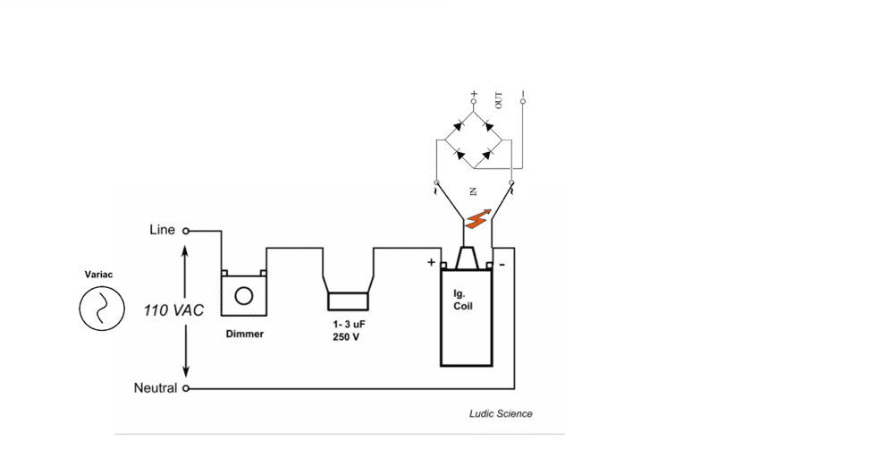
I built a high voltage ac power supply using a YouTube tutorial so I could use it in my parallel plate capacitor experiments. But since discovering that I actually need direct current to charge the plates correctly, the circuit needs to be rectified. I found a tutorial on building a full bridge rectifier out of high voltage diodes, but I was wondering if I could just use a lower voltage rectifier (say 500V) connected to the variac and still get dc at the output.

Intuitively, I'd place the fbr at the output (like in the image below) but I'm not sure what's safer/most efficient. I think I've researched most of the necessary safety precautions and always use high voltage rated safety gloves to operate the circuit as well as a high voltage resistor to discharge the capacitor. All equipment is disconnected when not in use. Any help is greatly appreciated!
rec bridge.png
 
Engineering news on Phys.org
If you can't solve this yourself, then I suspect that you don't have the background in electronics that I feel is necessary to work on HV circuits safely.

There is a lot of information on the web about HV rectifiers if you research it.

I for one am not willing to help in this endeavor. Good luck, be careful.
 
  • Like
Likes   Reactions: davenn, sophiecentaur, berkeman and 1 other person
DaveE said:
If you can't solve this yourself, then I suspect that you don't have the background in electronics that I feel is necessary to work on HV circuits safely.

I apologize for my inexperience. I've designed circuits with lower voltage, but I don't have any experience rectifying voltage yet. I'm sure this is something simple, but I thought I'd ask for advice first. The warning is very appreciated!
 
That is a very dangerous circuit because it is connected directly to the mains Active and Neutral, without any isolation or fuse.

If the Active is accidentally swapped with the Neutral, the chassis will become live.

If the 3uF capacitor or the dimmer fails short, the current will no longer be limited.

The four diodes at the top right is the rectifier. That is the only place it can be, following the ignition coil = autotransformer.
Does it need a bypass capacitor across the output?
What voltage rating will it need? More than 30kV? What will that cost?

Please don't build and operate that circuit. It may kill you.
 
  • Like
Likes   Reactions: Vanadium 50 and HelloCthulhu
Baluncore said:
That is a very dangerous circuit because it is connected directly to the mains Active and Neutral, without any isolation or fuse.

Thank you for the quick response! I'm using this variac model with fuse protection. If it pops all current will drop immediately.

variac.jpg
 
  • Like
Likes   Reactions: jrmichler
  • Like
Likes   Reactions: jrmichler and HelloCthulhu
HelloCthulhu said:
I've learned a lot in a short amount of time, but thanks to both of your safety concerns I definitely think I should learn more about circuits and working with mains voltage before moving forward. I found one site to be especially useful, but please feel free to add any other resources. Thanks for all of your help.

https://hackaday.com/2016/05/11/looking-mains-voltage-in-the-eye-and-surviving-part-1/
Please try to find an experienced EE or similar near you so can use them as an in-person Mentor on projects like this. There really is no practical way for us to help you stay safe in working on this project, given your level of understanding and experience right now. I had such a Mentor when I learned to build AC Mains based circuits (built well enough that they could pass UL safety approvals if needed), and I suspect many of the folks here who are offering you safety advice on this project also had such an in-person Mentor.

This thread needs to be closed now. Thank you to everybody who has been trying to offer safety advice.
 
Last edited:
  • Like
Likes   Reactions: davenn and DaveE

Similar threads

  • · Replies 10 ·
Replies
10
Views
5K
  • · Replies 27 ·
Replies
27
Views
4K
  • · Replies 5 ·
Replies
5
Views
3K
  • · Replies 14 ·
Replies
14
Views
2K
  • · Replies 9 ·
Replies
9
Views
2K
  • · Replies 15 ·
Replies
15
Views
3K
  • · Replies 7 ·
Replies
7
Views
4K
Replies
7
Views
2K
  • · Replies 7 ·
Replies
7
Views
2K
Replies
1
Views
2K