Potential Drop Across 15-mH Inductor at t=0?

Click For Summary

Homework Help Overview

The discussion revolves around analyzing the potential drop across a 15-mH inductor at the moment a switch is closed in a circuit containing resistors and capacitors. Participants are exploring the behavior of the circuit elements at t=0, particularly focusing on the initial conditions of current and voltage drops.

Discussion Character

  • Exploratory, Conceptual clarification, Assumption checking

Approaches and Questions Raised

  • Participants discuss the initial current through the inductor and the implications of uncharged capacitors in the circuit. There are questions about the validity of assuming zero current and the treatment of capacitors as open or short circuits at the moment the switch is closed.

Discussion Status

Some participants are reconsidering their initial assumptions about current and voltage drops across resistors. There is a recognition of misconceptions regarding the behavior of the circuit elements at t=0, and some guidance has been offered regarding the charging of capacitors and the resulting current flow.

Contextual Notes

Participants are working under the constraints of a circuit with a voltage source, internal resistance, and multiple branches, which complicates the analysis of current and voltage at the moment the switch is closed.

Truman I
Messages
16
Reaction score
4
Homework Statement
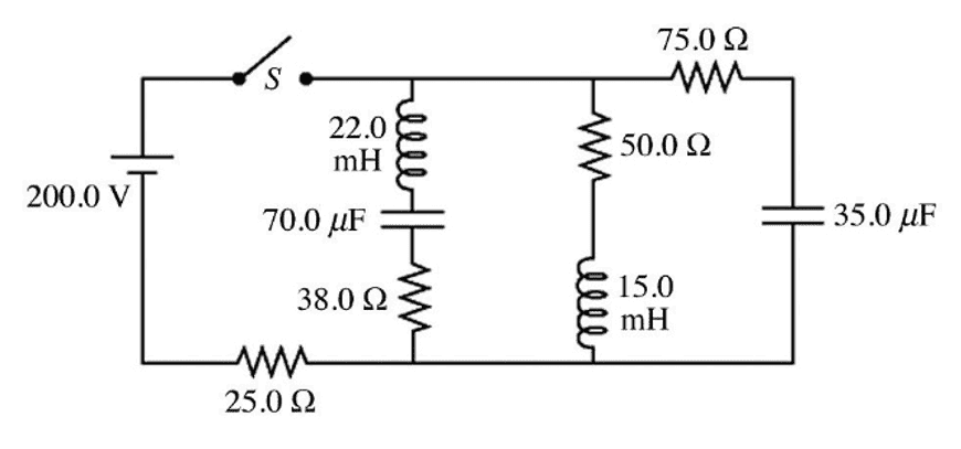
1) For the circuit shown in the figure, the switch has been open for a very long time.
(a) What is the potential drop across the 15.0-mH inductor just after closing the switch?
Relevant Equations
ε = L*(di/dt)
V_R = iR
hw q 1.PNG

At t=0, I believe that the current is instantaneously 0 Amps. If that is correct, then technically at that instant there is no voltage drop across any of the resistors due to Ohm's Law. So I replaced the resistors with wire. Next, I tried replacing all of the capacitors with open circuits to simplify everything further. When I did that, there was only one closed loop for the current to travel through, and that's the loop with my 15-mH inductor. But that's where I'm getting lost.

My only other thought is that I need to use the equation ε = L*(di/dt) but there are two unknowns. I want to find ε for the 15 mH inductor, but I don't know di/dt.
 
Physics news on Phys.org
Truman I said:
At t=0, I believe that the current is instantaneously 0 Amps.
Based on what, precisely ?
You have a voltage source with an internal resistance of 25 ##\Omega## and three branches. From left to right LCR, RL and RC.
Truman I said:
If that is correct, then technically at that instant there is no voltage drop across any of the resistors due to Ohm's Law
It is certainly not correct for the rightmost branch. Check RC circuit under: Time considerations. The capacitor will instantaneously start charging with a current of 1 A. And the 75 ##\Omega## and 25 ##\Omega## will have a voltage drop of 150 V and 50 V, respectively
Truman I said:
I tried replacing all of the capacitors with open circuits to simplify everything further
That's not an argument ! The capacitors are uncharged and if they are connected to a voltage source, they start charging to the tune of ##\displaystyle{I = C{dV\over dt}}\ ##. I.e. instantaneously they are short-circuits, not open circuits !

Now check RL circuits under : Time considerations and try again.

##\ ##
 
Truman I said:
Homework Statement:: 1) For the circuit shown in the figure, the switch has been open for a very long time.
(a) What is the potential drop across the 15.0-mH inductor just after closing the switch?
Relevant Equations:: ε = L*(di/dt)
V_R = iR

At t=0, I believe that the current is instantaneously 0 Amps.
The current where? Remember that the 35 μF capacitor is initially uncharged and as soon as the switch is closed it acts as a "short". Redraw the circuit taking that into account.
 
BvU said:
It is certainly not correct for the rightmost branch. Check RC circuit under: Time considerations. The capacitor will instantaneously start charging with a current of 1 A. And the 75 ##\Omega## and 25 ##\Omega## will have a voltage drop of 150 V and 50 V, respectively

Yeah I definitely had a misconception about current there. So at t=0, the 75 ohm and 25 ohm resistors act like they are in series. 150 Volts will drop across the 75 ohm resistor (Ohm's Law). Therefore, because the 15-mH Inductor is in parallel with the 75 ohm resistor, there will also be a potential difference of 150 volts.

Is that logic correct?
 
  • Like
Likes   Reactions: BvU
Truman I said:
Yeah I definitely had a misconception about current there. So at t=0, the 75 ohm and 25 ohm resistors act like they are in series. 150 Volts will drop across the 75 ohm resistor (Ohm's Law). Therefore, because the 15-mH Inductor is in parallel with the 75 ohm resistor, there will also be a potential difference of 150 volts.

Is that logic correct?
That looks about right.
 
kuruman said:
That looks about right.

Awesome, thanks for the help!
 
  • Like
Likes   Reactions: kuruman and BvU

Similar threads

  • · Replies 7 ·
Replies
7
Views
2K
  • · Replies 52 ·
2
Replies
52
Views
14K
  • · Replies 4 ·
Replies
4
Views
3K
  • · Replies 7 ·
Replies
7
Views
2K
  • · Replies 11 ·
Replies
11
Views
9K
Replies
2
Views
2K
  • · Replies 6 ·
Replies
6
Views
3K
Replies
4
Views
8K
Replies
34
Views
8K
  • · Replies 19 ·
Replies
19
Views
3K