RC Circuit with a Switch: Potential and Charge Analysis

Click For Summary

Homework Help Overview

The discussion revolves around an RC circuit involving two resistors and two capacitors, where a potential difference is applied. Participants are exploring the potentials at specific points in the circuit with the switch open and closed, as well as the charge flow through the switch.

Discussion Character

  • Exploratory, Conceptual clarification, Mathematical reasoning, Assumption checking

Approaches and Questions Raised

  • Participants discuss combining resistors and capacitors to simplify the circuit but question the implications on finding potentials at specific points. There is mention of potential dividers and the need to understand their application in this context. Some participants express confusion regarding the calculation of charge after the switch is closed and the relevant equations to use.

Discussion Status

There is an ongoing exploration of the relationships between voltage, charge, and the configuration of the circuit components. Participants have provided hints and suggestions for approaching the problem, particularly regarding the use of potential dividers and the calculation of charge on capacitors.

Contextual Notes

Participants note the importance of understanding the configuration of the circuit and the implications of combining components, as well as the need to clarify the definitions and assumptions related to the potentials and charge in the circuit.

Angie K.
Messages
108
Reaction score
1

Homework Statement


P26_46.jpg
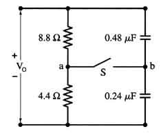
Two resistors and two uncharged capacitors are arranged as shown above. Then a potential difference of V0 = 12 V is applied across the combination as shown.

a. What is the potential at point a with S open? (Let V = 0 at the negative terminal of the battery.)
b. What is the potential at point b with the switch open?
c. When the switch is closed, what is the final potential of point b?
d. How much charge flows through the switch S after it is closed?

2. Homework Equations


Voltage of Capacitor = Q/C
V=IR
Kirchhoff's Laws (Junction Rule and Loop Rule)

The Attempt at a Solution



I combined the two resistors so I would have one equivalent resistor and I combined the capacitors to have one equivalent capacitor.

Now, the circuit is just the voltage source, a single resistor (13.2 Ohms) and a single capacitor (0.16 microFarads)

I found the current through the resistor to be .909 Amps.

Applying Kirchhoff's Laws, I got three equations:
i1-i2-i3=0
12-13.2(i2)=0
13.2(i2)-Q/.16microF(i3)=0 --> not sure how to solve for Q since there's two unknowns here (i2 and Q)

From here, I'm not sure what I need to do.
 
Physics news on Phys.org
If you combine the resistors and the capacitors, you "lose access" to points a and b where you need to find the potentials.

Note that the two resistors form a potential divider, as do the two capacitors. See if you can find information on how to deal with potential dividers of both types (Resistive, Capacitive). It's very handy to know the simple, easy to remember formulas for them as they recur over and over again in problems (and in real life circuit analysis!).
 
gneill said:
If you combine the resistors and the capacitors, you "lose access" to points a and b where you need to find the potentials.

Note that the two resistors form a potential divider, as do the two capacitors. See if you can find information on how to deal with potential dividers of both types (Resistive, Capacitive). It's very handy to know the simple, easy to remember formulas for them as they recur over and over again in problems (and in real life circuit analysis!).

I completely forgot about those rules. I just thought point a and b still stayed after combining the resistors and the capacitors. Thanks for the tip!

Now, for finding the charge on the capacitor after switch is closed, I'm a bit confused because here is the hint for it:

Hint: Figure out the combined total charge on the bottom plate of the top capacitor and the top plate of the bottom capacitor - both before and after the switch is closed.

Not sure what that is saying and not sure how to proceed. Would I be able to apply the equation Q=C*V here? and if so, is the C the sum of the capacitors? and the V the total Vo (12V)?
 
Nevermind, I forgot that I already had the potential needed to solve for Q.
 

Similar threads

  • · Replies 16 ·
Replies
16
Views
4K
  • · Replies 4 ·
Replies
4
Views
3K
  • · Replies 3 ·
Replies
3
Views
2K
  • · Replies 3 ·
Replies
3
Views
2K
  • · Replies 5 ·
Replies
5
Views
7K
  • · Replies 62 ·
3
Replies
62
Views
6K
  • · Replies 3 ·
Replies
3
Views
4K
Replies
22
Views
4K
  • · Replies 1 ·
Replies
1
Views
3K
Replies
4
Views
2K