RL circuit with three resistors

Click For Summary

Homework Help Overview

The discussion revolves around an RL circuit involving three identical resistors, a battery, an inductor, and a switch. The problem examines the behavior of the circuit immediately after the switch is closed and after it has been closed for a long time, focusing on voltage across the inductor, energy stored in the inductor, and the fraction of current remaining after the switch is reopened.

Discussion Character

  • Exploratory, Conceptual clarification, Assumption checking

Approaches and Questions Raised

  • Participants explore the relationship between voltage and current in inductors, with one questioning the terminology used regarding current flow. There is also uncertainty about how to approach the calculations for energy stored in the inductor and the fraction of current remaining after a time interval.

Discussion Status

Some participants have provided guidance on the relationship between voltage and current in inductors, while others have confirmed the correctness of an answer for Part A. The discussion includes multiple interpretations of the circuit behavior and terminology, indicating an ongoing exploration of concepts.

Contextual Notes

Participants are navigating through assumptions about circuit behavior immediately after the switch is closed and the definitions related to current and voltage in the context of inductors. There may be constraints related to the specific values and conditions of the circuit elements that are not fully detailed in the posts.

syhpui2
Messages
23
Reaction score
0

Homework Statement



http://i.imgur.com/22jq3.png

22jq3.png


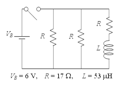
Three identical resistors are connected to a battery, an inductor, and a switch as shown in the figure. (The values of all circuit elements are given below the figure.) The switch has been open for a very long time, and then it is closed at time t = 0.

Part A

Immediately after the switch is closed, the voltage VL across the inductor is
(a) VL = 0 V
(b) VL = 6 V Correct
(c) Neither of the above answers is correct.

Part B

After the switch has been closed for a very long time, how much energy EL is stored in the inductor?
(a) EL = 3.30 × 10-6 J Correct
(b) EL = 5.62 × 10-6 J
(c) EL = 8.63 × 10-6 J
(d) EL = 1.07 × 10-5 J
(e) EL = 1.12 × 10-5 J

Part C
After the switch has been closed for a very long time, a steady current has been established through the inductor. The switch is then reopened. What fraction of this current, fI, remains after a time interval of Δt = 3 μsec has elapsed?
(a) fI = 0.0521
(b) fI = 0.0926
(c) fI = 0.158
(d) fI = 0.201
(e) fI = 0.236 Correct




Homework Equations




KVL, KCL

The Attempt at a Solution



Part A,
can i just say regardless of any situation, VL is equal to Vbattery immdiately after switch is closed?

Part B,
I can't find the current across L. in this case.

Part C,

I am not sure how to start with this question.

Thx
 
Physics news on Phys.org
You need the relation between voltage and current across the inductor.

ehild
 
A: When you first try to push current through an inductor, does it act like a short circuit, an open circuit, or a resistive circuit?

"current across L" is an odd statement, since current is never "across" anything. Current flows THROUGH things due to voltage ACROSS things. This is NOT semantics, it is integral to how electricity works.
 
phinds said:
A: When you first try to push current through an inductor, does it act like a short circuit, an open circuit, or a resistive circuit?

"current across L" is an odd statement, since current is never "across" anything. Current flows THROUGH things due to voltage ACROSS things. This is NOT semantics, it is integral to how electricity works.

No current? I think...
 
Yes. Your answer to Part A is correct.

ehild
 

Similar threads

Replies
6
Views
1K
  • · Replies 52 ·
2
Replies
52
Views
13K
  • · Replies 9 ·
Replies
9
Views
2K
  • · Replies 4 ·
Replies
4
Views
2K
  • · Replies 6 ·
Replies
6
Views
3K
Replies
4
Views
2K
  • · Replies 12 ·
Replies
12
Views
10K
  • · Replies 1 ·
Replies
1
Views
2K
Replies
3
Views
2K
  • · Replies 5 ·
Replies
5
Views
2K