Sawtooth wave generator from operational amplifiers

Click For Summary

Discussion Overview

The discussion revolves around designing a sawtooth wave generator using operational amplifiers, focusing on circuit configuration, input values, and waveform characteristics. Participants explore various approaches to achieve the desired output waveform based on provided sinusoidal inputs.

Discussion Character

  • Homework-related
  • Technical explanation
  • Debate/contested

Main Points Raised

  • One participant expresses uncertainty about calculating input values for a summing amplifier and suggests the potential need for a capacitor in the circuit.
  • Another participant questions the correctness of the series representation for the sawtooth waveform, noting that terms should have alternating signs.
  • Some participants discuss the use of an integrate-and-dump circuit as a typical method for generating sawtooth waveforms, while others emphasize the requirement to use a summing amplifier.
  • There is mention of needing to scale and offset the output correctly based on the input waveforms to achieve the desired waveform characteristics.
  • One participant admits confusion regarding the presence of DC sources in the schematic, clarifying that the circuit should be based on sinusoidal inputs.
  • Another participant acknowledges a misunderstanding regarding the input types, having initially thought sinusoidal inputs were DC sources, and mentions designing a new circuit to generate square and capacitance waves.
  • Discussion includes the need to adjust harmonic amplitudes according to the Fourier expansion equation to achieve the correct total amplitude and DC offset for the sawtooth waveform.

Areas of Agreement / Disagreement

Participants express various uncertainties and disagreements regarding circuit design, input values, and the correct representation of the sawtooth waveform. No consensus is reached on the best approach or configuration.

Contextual Notes

Participants highlight limitations in understanding the relationship between input waveforms and the desired output, as well as the need for further clarification on the use of DC sources versus sinusoidal inputs.

Ravrage
Messages
13
Reaction score
0

Homework Statement


upload_2018-9-12_14-8-26.png


Homework Equations



See above in the question

The Attempt at a Solution



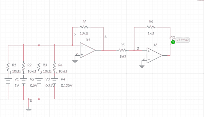
I know that I need to be using a summing amp with the sinusoidal terms but I am struggling to calculate the input values that I need, also I think I need a capacitor in place of R6 but I'm not entirely sure. Any help is much appreciated :)

upload_2018-9-12_14-26-25.png
 

Attachments

  • upload_2018-9-12_14-8-26.png
    upload_2018-9-12_14-8-26.png
    19.7 KB · Views: 1,188
  • upload_2018-9-12_14-26-25.png
    upload_2018-9-12_14-26-25.png
    10.4 KB · Views: 1,054
Physics news on Phys.org
A couple quick comments...

That series for the sawtooth doesn't look quite right (but I could be wrong). The terms should have alternating signs, no? See the figure below.

It looks like your U2 is upside down. Positive feedback may be useful somewhere in this circuit, but I don't think you want it in the output stage...

https://www.sfu.ca/sonic-studio-webdav/handbook/Graphics/Fourier_Series.gif

Fourier_Series.gif
 

Attachments

  • Fourier_Series.gif
    Fourier_Series.gif
    7.9 KB · Views: 1,613
good spot thanks!

Also, i did think making the alternate sources negative but that does not seem to afftect the output so I think my design may be wrong that's why I was considering a capacitor to store the voltage until it gets to 5 then disperse to form the correct wave form as shown in the question. thanks for the reply
 
Ravrage said:
Also, i did think making the alternate sources negative but that does not seem to afftect the output so I think my design may be wrong that's why I was considering a capacitor to store the voltage until it gets to 5 then disperse to form the correct wave form as shown in the question. thanks for the reply
Yeah, using an integrate-and-dump circuit would be the way I would normally make a sawtooth generator circuit, but it seems they want you to use a summing amplifier on all of the input terms that you are provided. I think the main things you need to get right in your circuit is to scale and offset the output correctly based on the input waveforms.
 
Yeah that's what I'm struggling with but thanks anyway :)
 
Ravrage said:
Yeah that's what I'm struggling with but thanks anyway :)
So just start with a summing amplifier stage to add up the 4 input waveforms. That will give you an approximation of a sawtooth waveform, but with too large an amplitude and centered at 0V instead of running 0V to 5V as shown in the graph. Then what can you do to offset the output waveform in the positive direction to get closer to the final graph.

Also, keep in mind that you may need to multiply every other term by -1, if the information that I posted is correct. Maybe look around at other sources of information about Fourier series expansions of the sawtooth waveform to see if they alternate terms...
 
There won't be input waveforms from the DC sources would there? Sorry if I'm way off the mark but this question really has me confused
 
Ravrage said:
There won't be input waveforms from the DC sources would there? Sorry if I'm way off the mark but this question really has me confused
I was confused about the DC sources shown in your schematic. The question looks like it wants you to base the opamp circuit on the "Black Box", which has the 4 sinusoidal input waveforms, and produces something close to the desired sawtooth waveform at its output. Where did the idea of using DC sources in the circuit come from?
 
definitely me. I had a silly moment, sorry, don't know why I had it in my head that the Sinusoidal (big, massive clue there) was a DC input. I've designed a new circuit so that I'm able to get a square wave, and a capacitance wave, just struggling to get the harmonics right for the sawtooth
 
  • #10
Ravrage said:
definitely me. I had a silly moment, sorry, don't know why I had it in my head that the Sinusoidal (big, massive clue there) was a DC input. I've designed a new circuit so that I'm able to get a square wave, and a capacitance wave, just struggling to get the harmonics right for the sawtooth
The harmonic amplitudes (relative) are defined by the Fourier expansion equation. You need to adjust the overall gain to get the correct total amplitude, and you need to add in an offset so the waveform has that DC component shown in the graph.
 

Similar threads

  • · Replies 4 ·
Replies
4
Views
4K
  • · Replies 23 ·
Replies
23
Views
5K
  • · Replies 3 ·
Replies
3
Views
2K
  • · Replies 2 ·
Replies
2
Views
1K
  • · Replies 8 ·
Replies
8
Views
3K
  • · Replies 3 ·
Replies
3
Views
2K
  • · Replies 5 ·
Replies
5
Views
3K
  • · Replies 17 ·
Replies
17
Views
4K
  • · Replies 13 ·
Replies
13
Views
3K
  • · Replies 1 ·
Replies
1
Views
3K