Solving a differential equation with two unknowns

Click For Summary

Discussion Overview

The discussion revolves around solving a differential equation with two unknowns, specifically focusing on the variables qg (energy output) and Tin (input temperature). Participants explore how to approach the problem given certain conditions and parameters, including temperature set points for day and night, and the need for additional data from a referenced paper.

Discussion Character

  • Exploratory
  • Technical explanation
  • Debate/contested
  • Mathematical reasoning

Main Points Raised

  • One participant questions whether the temperature set points of 20 for day and 16 for night are initial conditions or parameters for the equation.
  • Several participants request access to the referenced paper to clarify the definitions of variables and the model being discussed.
  • One participant suggests using a computer model to test different plausible values for Tin, indicating that the initial value may not significantly affect the outcome after several iterations.
  • Another participant notes that the optimization of temperature (T) is dependent on crop requirements and energy optimization, which adds complexity to the problem.
  • There is a recurring emphasis on the need to calculate qg in order to proceed with the integration of Tin, highlighting a dependency between these variables.

Areas of Agreement / Disagreement

Participants express uncertainty regarding the definitions and roles of the variables involved, particularly qg and Tin. There is no consensus on how to proceed with the calculations or the implications of the temperature set points.

Contextual Notes

Participants mention the need for meteorological data and access to supplementary materials that may contain relevant details for the model, indicating limitations in the current understanding of the problem.

Muhammad Saqlain
Messages
4
Reaction score
0
TL;DR
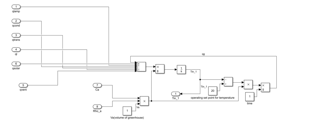
Hello Everyone.I am solving a differential equation (attached) of greenhouse energy balance on SIMULINK which has basically two unknowns (Tin and qg). One of them (qg) is model output and other (Tin) is also not know from any means. All the 6 factors on right side of the equation are dependent on Tin.
One thing that is given in paper (attached) is a operating set point for temperature which is given as 20 for day and 16 for night but I do not know whether its initial condition for temperature or not. Can anyone please guide me that what kind of equation is it and how can I solve it with these two (qg and Tin) unknowns. My main output is qg but all other parameters are dependent on Tin so first I have to find Tin by any means from this equation.
Please help me if you can
 

Attachments

  • equation.PNG
    equation.PNG
    8.5 KB · Views: 280
  • equation 2.PNG
    equation 2.PNG
    7.9 KB · Views: 267
  • untitled.pdf
    untitled.pdf
    2.7 MB · Views: 338
Last edited:
Physics news on Phys.org
Hello @Muhammad Saqlain , :welcome:

Muhammad Saqlain said:
One thing that is given in paper
What paper ? Can't you provide a pdf or a link ? If you want to keep us in the dark, you have succeeded. A normal paper has a list of vaiables and their meaning.

##T_{in}## is probably the input for the model, so you need to find that somewhere.
 
BvU said:
Hello @Muhammad Saqlain , :welcome:

What paper ? Can't you provide a pdf or a link ? If you want to keep us in the dark, you have succeeded. A normal paper has a list of vaiables and their meaning.

##T_{in}## is probably the input for the model, so you need to find that somewhere.
Thank you for your reply sir. Sure I can share pdf file of that paper in which this model is discussed. Actually Tin is input of model but I have to calculate it through this equation otherwise there is no mean to know this.
 

Attachments

You solve this with a computer. You just run the model with some plausible Tin, and after a few days the initial value should make no difference. The hotter it is, the more energy will be lost. . You can easily test this of course, by running it twice with different intitial temperatures.
Note that many of the q_i also involve metereological data, such as hourly sunshine and temperature data. You'll have to get those from climate statistics, and run your model many times to get average energy costs and crop yields.
Much of the details of the q's seem to be in "Appendix A. Supplementary Material" that I can't access.
 
Don't have access to ref 33 in your pdf (Chen model), but here I find ##T## is to be optimized depending on crop requirements to maximize crop yield (3.3) in combination with an energy optimization (3.2). Quite a challenge. They have some nice results predicting energy consumption and also mention a number of parameters -- perhaps useful for you too.
 
willem2 said:
You solve this with a computer. You just run the model with some plausible Tin, and after a few days the initial value should make no difference. The hotter it is, the more energy will be lost. . You can easily test this of course, by running it twice with different intitial temperatures.
Note that many of the q_i also involve metereological data, such as hourly sunshine and temperature data. You'll have to get those from climate statistics, and run your model many times to get average energy costs and crop yields.
Much of the details of the q's seem to be in "Appendix A. Supplementary Material" that I can't access.
Thank you for your reply but here problem lies in calculating qg. We can get Tin by integration but for that we need qg at input as is shown in my model (attached). So now my problem is how can I get qg?
 
BvU said:
Don't have access to ref 33 in your pdf (Chen model), but here I find ##T## is to be optimized depending on crop requirements to maximize crop yield (3.3) in combination with an energy optimization (3.2). Quite a challenge. They have some nice results predicting energy consumption and also mention a number of parameters -- perhaps useful for you too.
Thanks for your feedback sir. Here problem lies in qg, we can optimized Tin if we know qg which is a input for integration of Tin
 

Similar threads

  • · Replies 5 ·
Replies
5
Views
4K
  • · Replies 9 ·
Replies
9
Views
2K
  • · Replies 5 ·
Replies
5
Views
3K
  • · Replies 1 ·
Replies
1
Views
4K
  • · Replies 9 ·
Replies
9
Views
3K
  • · Replies 0 ·
Replies
0
Views
4K
  • · Replies 65 ·
3
Replies
65
Views
9K
  • · Replies 3 ·
Replies
3
Views
2K
  • · Replies 1 ·
Replies
1
Views
4K
  • · Replies 7 ·
Replies
7
Views
2K