lam58
- 26
- 0
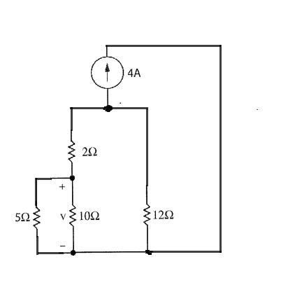
Hi, could check if I have the right answer please. The question (Q 4b) is in the attached image below.
My answer is:First for analysis the DC voltage source.
i2 = 0.82A, i1 = 1.97A
therefore V across 10Ω resistor = 11.5V.
For the analysis of the current source I got a bit confused, however, I think I might have got it right. I shorted the voltage source and found the current across the 50Ω resistor by doing:
Rt= (10//2) + 12 = (41/3)
i50Ω = (Rt*is)/(Rt+50Ω) = 0.86A
Then to find the current across the 10Ω resistor:
Rt = 2Ω hence i10Ω = (2*0.86)/(2+10) = 0.14A.
Thus V10Ω = 1.4V.
Then adding the two separate source responses across the 10Ω resistor the total voltage V10Ω= 1.4 + 11.5 = 12.9V.
Is this correct?
My answer is:First for analysis the DC voltage source.
i2 = 0.82A, i1 = 1.97A
therefore V across 10Ω resistor = 11.5V.
For the analysis of the current source I got a bit confused, however, I think I might have got it right. I shorted the voltage source and found the current across the 50Ω resistor by doing:
Rt= (10//2) + 12 = (41/3)
i50Ω = (Rt*is)/(Rt+50Ω) = 0.86A
Then to find the current across the 10Ω resistor:
Rt = 2Ω hence i10Ω = (2*0.86)/(2+10) = 0.14A.
Thus V10Ω = 1.4V.
Then adding the two separate source responses across the 10Ω resistor the total voltage V10Ω= 1.4 + 11.5 = 12.9V.
Is this correct?
Attachments
Last edited: