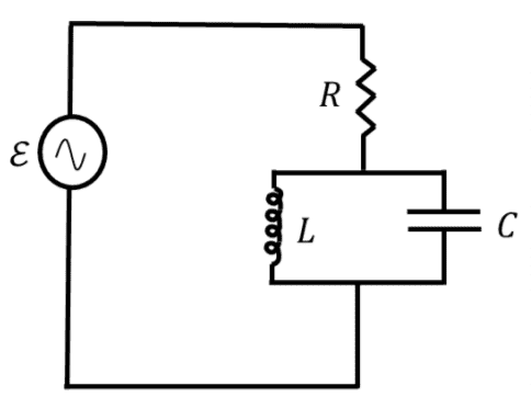
What will the phasor diagram of this LCR circuit looks like?

Click For Summary
SUMMARY

The discussion focuses on the phasor diagram of an LCR circuit, specifically addressing the relationships between the currents in the capacitor, inductor, and resistor. It is established that the currents in the capacitor and inductor are indeed parallel but point in opposite directions due to their connection in parallel. The resistor's current is the vector sum of the capacitor and inductor currents, which raises questions about its direction. Additionally, the complexity of impedance (Z) as a frequency-dependent complex number is highlighted, challenging the notion of current as a scalar.

PREREQUISITES
  • Understanding of LCR circuit fundamentals
  • Knowledge of phasor representation in AC circuits
  • Familiarity with complex impedance (Z) in electrical engineering
  • Basic vector addition principles in electrical contexts
NEXT STEPS
  • Study phasor diagrams in AC circuit analysis
  • Learn about complex impedance and its frequency dependence
  • Explore vector addition of currents in parallel circuits
  • Investigate the role of reactance in LCR circuits
USEFUL FOR

Electrical engineering students, circuit designers, and professionals analyzing AC circuit behavior and phasor relationships.

Cedric Chia
Messages
21
Reaction score
1
Homework Statement
What will the phasor diagram of this LCR circuit looks like?
Relevant Equations
V=IZ
I know the current of capacitor and inductor must be parallel but pointing in opposite direction due to the fact they are connected in parallel thus having same voltage (please see attached screenshots). The current of resistor will simply be the sum of these two vectors, but what about its direction? Should it be pointing the same direction as the current of capacitor or inductor?
 

Attachments

  • Annotation 2019-06-01 151349.png
    Annotation 2019-06-01 151349.png
    4.1 KB · Views: 405
  • Annotation 2019-06-01 151936.png
    Annotation 2019-06-01 151936.png
    2.3 KB · Views: 354
Physics news on Phys.org
Hello CC,

Are you aware of the fact that Z is a complex number and that it is frequency dependent ?
Your statement
Cedric Chia said:
I know the current of capacitor and inductor must be parallel but pointing in opposite direction due to the fact they are connected in parallel thus having same voltage
does not make much sense to me, nor does
Cedric Chia said:
The current of resistor will simply be the sum of these two vectors
since I always learned that current is a scalar -- but perhaps you mean something else ?
 

Similar threads

  • · Replies 8 ·
Replies
8
Views
3K
Replies
7
Views
1K
  • · Replies 3 ·
Replies
3
Views
5K
  • · Replies 3 ·
Replies
3
Views
1K
  • · Replies 10 ·
Replies
10
Views
1K
Replies
5
Views
3K
Replies
1
Views
2K
Replies
4
Views
5K
Replies
4
Views
2K
  • · Replies 1 ·
Replies
1
Views
2K