Why Does Kirchoff's Second Law State That Voltages in a Closed Loop Sum to Zero?

  • Thread starter Thread starter princejan7
  • Start date Start date
  • Tags Tags
    Law Second law
Click For Summary

Homework Help Overview

The discussion revolves around Kirchhoff's Second Law, specifically addressing why the sum of voltages in a closed loop of an electrical circuit equals zero. Participants are exploring concepts related to electric potential, voltage differences, and the implications of energy conservation within circuits.

Discussion Character

  • Conceptual clarification, Mathematical reasoning, Assumption checking

Approaches and Questions Raised

  • The original poster seeks an explanation grounded in electric potential and circuit components, avoiding analogies. Some participants reference the law of conservation of energy and discuss voltage as a difference in electric potential between points. Others provide examples of voltage calculations across resistors and loops, questioning how these relate to the overall voltage in a closed circuit.

Discussion Status

Participants are actively engaging with the concepts, offering various interpretations and mathematical representations of the law. There is a focus on understanding the relationships between voltage, potential differences, and circuit components, with no explicit consensus reached yet.

Contextual Notes

Some participants emphasize the need for clarity in notation and definitions, suggesting that assumptions about static conditions and the treatment of voltages in series are under consideration. There may be constraints related to the original poster's request for specific types of explanations.

princejan7
Messages
93
Reaction score
0
http://postimg.org/image/ubkhk78fn/

Can someone explain why "the sum of the voltages equals zero for any closed path in an electrical circuit"?
(an explanation in terms of electric potential, polarity, resistors etc. and not a water analogy or anything like that)
 
Last edited by a moderator:
Physics news on Phys.org
Law of conservation of energy.
 
voltage is a difference in potentials at two places; let's presume that charge is slow enough that we can treat things as almost static (that is, magnetic fields are changing slowly!).
This means (calling the electric potential V = PE/q) that the "voltage across R1" for example, is V32 = V3 - V2.
(suggestion: if you NUMBER your devices, you should LETTER your locations; I will bold locations)
The voltage across R2 is V43 = V4 - V3 .
What is the voltage across the pair (R1 + R2)? it is V4 - V2 , from starting place 2 to ending place 4. do you get the notation? it is about place difference.

So, what is the voltage across the entire loop, from battery bottom (1) around to battery bottom (1) ... it is It is apparently V11 = V1 - V1 = 0
(cause anything - itself =0)
 
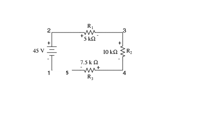
Consider this circuit which is yours with the loop broken...

Voltages in series add so...

V15 = V12 + V23 + V34 + V45

If you then connect node 5 to node 1 ...

V15 = V11

Clearly V11 must be zero because it's the voltage measured between node 1 and node 1 which is the same place.

So with the loop completed..

V12 + V23 + V34 + V45 = V15 = V11 = 0
 

Attachments

  • circuit.png
    circuit.png
    5.7 KB · Views: 405

Similar threads

  • · Replies 1 ·
Replies
1
Views
1K
  • · Replies 6 ·
Replies
6
Views
3K
  • · Replies 2 ·
Replies
2
Views
5K
Replies
1
Views
2K
  • · Replies 8 ·
Replies
8
Views
4K
Replies
8
Views
2K
  • · Replies 5 ·
Replies
5
Views
3K
Replies
25
Views
8K
  • · Replies 6 ·
Replies
6
Views
4K
  • · Replies 11 ·
Replies
11
Views
2K