Why Does My Summing Amplifier Clip Below 1 Volt?

Click For Summary

Discussion Overview

The discussion revolves around troubleshooting a summing amplifier circuit that exhibits clipping behavior below 1 volt in a real-world application, despite functioning correctly in simulation. Participants explore potential causes and solutions related to circuit design, component connections, and operational amplifier behavior.

Discussion Character

  • Technical explanation, Debate/contested, Experimental/applied

Main Points Raised

  • One participant reports that the summing amplifier works in simulation but clips at low voltages in practice, suggesting a possible issue with dual supply connections.
  • Another participant suggests checking wiring errors, grounding issues, and bypassing, emphasizing the importance of verifying signal voltages at various pins of the op-amp.
  • A participant mentions using an oscilloscope to observe the clipped wave and notes that clipping occurs much earlier than expected based on the op-amp's datasheet.
  • Several participants propose lifting the positive input from ground using a resistor to potentially resolve the clipping issue.
  • One participant advises to focus on one amplifier at a time and check for proper power supply connections and pin configurations, while also considering the possibility of a damaged op-amp.
  • A later reply indicates that changing resistor values in the circuit led to a successful resolution of the issue, although the exact cause of the initial problem remains unclear.

Areas of Agreement / Disagreement

Participants express various hypotheses about the cause of the clipping issue, with no consensus on a single solution. Some agree on the need to check wiring and grounding, while others focus on component values and configurations.

Contextual Notes

Participants note potential limitations related to wiring errors, grounding, and the possibility of a damaged op-amp, but do not resolve these issues definitively.

Who May Find This Useful

Individuals working on operational amplifier circuits, particularly those involving summing amplifiers, may find the troubleshooting insights and suggestions beneficial.

EngrHdr
Messages
8
Reaction score
2
Hi everyone,
I am trying to make a Summing Amlifier. I have simulated on computer where it is working correctly, but on real circuit it is showing some mal functioning. I am using OP 27 Op Apmp. The circuit diagram is attached.
When I try to add DC voltage to AC sine wave, initially sine wave goes up as required but after even below 1 volt it starts clipping and hence I am not able to rise up the sine wave to about 5 to 8 volts.
I am also confused how to use dual supply for +15V and -15V. I think may be this problem is because of dual supply.
Please help me.
Thank you.
 

Attachments

  • Ckt1.JPG
    Ckt1.JPG
    95.4 KB · Views: 556
Engineering news on Phys.org
Your dual supplies seem correct in the sim.

Since the circuit simulates, I expect it is a wiring error, sloppy grounds, or poor bypassing.
You need to look at the signals and voltages on all the pins 1 by 1 until something seems off.

pin 2 should be at ground, if not, that amp is not working correctly, etc

Check the first amp, see it is is clipping, then the second. You just have to proceed logically.

Do you have an oscilloscope? Do you see any oscillation? Can you source a square wave and see if there is ringing, etc etc etc
 
  • Like
Likes   Reactions: EngrHdr
Thanks for your reply. Yes I am using an oscilloscope. Even i tried with a square wave, but still faced the same problem. I can just see a clipped wave. As I raise DC input. The input sine wave rises a little and starts clipping just before 1 volt rise. In real it should start clipping near 12V as accoding to data sheet the output swing is around 12V. But the problem is it starts clipping at about 0.6 or 0.7 V.
 
try lifting the + input from ground with a, say, 2k2 resistor
 
  • Like
Likes   Reactions: EngrHdr
davenn said:
try lifting the + input from ground with a, say, 2k2 resistor
Sorry Sir, I didn't get you. Will u please explain it.
Thank you.
 
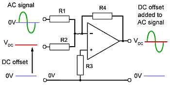
Well going by your circuit, at the moment the + input to the OP27 is going to ground
insert a resistor so its not directly going to ground

Many of the summing amp examples I have seen use that method
 
  • Like
Likes   Reactions: EngrHdr
davenn said:
try lifting the + input from ground with a, say, 2k2 resistor
I understood what you mean by lifting +input from ground. But will you explain me how with a 2K2 resistor. If possible with a ckt diagram please.
 
davenn said:
Well going by your circuit, at the moment the + input to the OP27 is going to ground
insert a resistor so its not directly going to ground

Many of the summing amp examples I have seen use that method
Should I just insert a resistor in between + input and ground? or I have to make some connection with Vcc also?
 
op-amp-sum-add.gif
 
  • Like
Likes   Reactions: EngrHdr
  • #10
  • Like
Likes   Reactions: davenn
  • #11
Just deal with 1 amp at a time. Again, if the sim works and the circuit doesn't, generally you have wiring errors. It could also be bypassing or grounding if you have "invisible" oscillation (too high freq for the scope)

Does the first amp clip? If so, ground the scope at pin 3. Set the input signal so the output is clamping by 1V. Look at the + supply, the - supply, and pin 2. + and minus supply should be +15 and -15 with no variation. When the output clamps, the - input might go above or below ground by the amount of clipping. That should not be possible when the amp is working correctly. If, on the other hand, the - input remains at ground when clipping is occurring, then for some reason the output stage is clipping. I would tend to suspect the power supply connections.

The easiest mistake to make is to number the pins wrong. Double check the data sheet.

It is also possible that the opamp is burned out because of a previous error.

Pull the opamps out and make sure the signals make sense. Then connect wires from 2 to 6 and make sure the signal levels still make sense.

If none of that produces a clue, then I'm stumped.

Post a picture of the layout.
 
  • Like
Likes   Reactions: EngrHdr
  • #12
I would like to thank everyone for your sincere comments. You helped me a lot. As I had wasted a lot of time on this circuit but still it didn't work. So I decided to make another citcuit just by changing the resistors to 2.2KOhm. May be there was some wiring mistake or something else in previous circuit, but this circuit is working well.
Once again thanks to everyone for your help.
 
  • Like
Likes   Reactions: davenn
  • #13
thanks for checking back in with an update

good to hear its now workingD
 
  • Like
Likes   Reactions: EngrHdr

Similar threads

Replies
6
Views
4K
  • · Replies 6 ·
Replies
6
Views
10K
  • · Replies 26 ·
Replies
26
Views
4K
  • · Replies 5 ·
Replies
5
Views
3K
  • · Replies 9 ·
Replies
9
Views
4K
  • · Replies 7 ·
Replies
7
Views
5K
Replies
9
Views
8K
  • · Replies 12 ·
Replies
12
Views
10K
  • · Replies 15 ·
Replies
15
Views
3K
  • · Replies 24 ·
Replies
24
Views
7K