Wien bridge amplitude calculation

Click For Summary

Discussion Overview

The discussion revolves around the calculation and management of amplitude in a Wien bridge oscillator circuit. Participants explore theoretical and practical aspects of designing the circuit to achieve desired oscillation amplitudes, including the roles of resistors and diodes in the circuit.

Discussion Character

  • Exploratory
  • Technical explanation
  • Debate/contested
  • Mathematical reasoning

Main Points Raised

  • Some participants propose that the amplitude is influenced by the diode characteristics and suggest that a typical amplitude might be around 0.7V.
  • Others argue that a manual gain control is necessary to ensure the diodes are only limiting the amplitude, which could lead to a good sine wave output.
  • A participant mentions that changing resistor values while maintaining their ratios affects the amplitude, but they struggle to understand the underlying law governing this behavior.
  • Another participant suggests that the calculation of amplitude is complex and may require a graphical solution, emphasizing the importance of understanding the diode resistance in the circuit.
  • One participant notes that using a constant voltage drop for the diodes may lead to unrealistic current values and questions the validity of approximations made in previous calculations.
  • Another contributor highlights the feedback nature of the Wien bridge oscillator and suggests that understanding the feedback mechanism is crucial for analyzing amplitude stability.

Areas of Agreement / Disagreement

Participants express a range of views on how to manage and calculate amplitude, with no clear consensus on a single method or approach. Disagreements arise regarding the assumptions made in calculations and the impact of circuit components on amplitude.

Contextual Notes

Limitations include the complexity of the calculations involved, the dependence on diode characteristics, and the potential discrepancies between idealized models and real-world behavior in simulations.

Frank-95
Messages
51
Reaction score
1
Hi all!

How can I set up the amplitude of a wien bridge oscillator made like this?
wien.jpg


Let's suppose that the bottom resistances are (from top to bottom) R1, R2 and R3.

We know that for oscillations to start and converge we need:

R1 / R3 > 2 (let's suppose 2.2)
(R1 || R2) / R3 < 2 (let's suppose 1.8)

But how can I managed the amplitude?
 
Engineering news on Phys.org
Frank-95 said:
But how can I managed the amplitude?
The two diodes manage the amplitude, so I expect that the amplitude will be ≈0.7V. If you want a greater amplitude, add an amplifier after the oscillator (it is a good idea to do so anyhow).
 
You need a manual gain control, so that the diodes are only just limiting. Then you will obtain a good sine wave.
 
In case you have the correct I=f(V) characteristic of the diodes you can exctly find the oscillation amplitude.
However, is this really your problem? Or do you rather want to DESIGN the circuit for a certain (desired) amplitude?
 
Svein said:
The two diodes manage the amplitude, so I expect that the amplitude will be ≈0.7V. If you want a greater amplitude, add an amplifier after the oscillator (it is a good idea to do so anyhow).

Actually, I got at least 2 V peak-to-zero.

LvW said:
In case you have the correct I=f(V) characteristic of the diodes you can exctly find the oscillation amplitude.
However, is this really your problem? Or do you rather want to DESIGN the circuit for a certain (desired) amplitude?

Yes my aim is to understand how to manage the amplitude to either design or calculate the amplitude given this type of circuit, without using any second stage amplifier.

I'm doing several ltspice simulations and I've found out that if I change the resistors values, but keeping their ratios like before, the amplitude changes. But I cannot empirically understand the law.
 
Frank-95 said:
I'm doing several ltspice simulations and I've found out that if I change the resistors values, but keeping their ratios like before, the amplitude changes. But I cannot empirically understand the law.
Different resistor values give different currents (even in case of constant ratios).
And different currents allow different voltage drops across the diodes.
Remember: Diodes are NON-LINEAR elements.
 
Yes I know but still cannot understand how to start the analysis. Because with normal opamp analysis I get an equation where Vo is simplified. I found this explanation, with this circuit, which is almost the same as mine, except for the capacitor instead of the resistor.

Using that formula I found the value peak-to-zero, instead of peak-to-peak as said there, but I correctly get about 1.2 Vp, which stay fixed (whatever the resitances) as far as the ratio is constant, and the resistor in series with diodes has the same resistance of the one to the ground. BUT if I change that resistance the amplitude changes, so in a general treatise I must consider it.

And again, how can I get the Vo amplitude as function of those three resistance and diodes forward voltage drop? I just don't get it.
 
Ok - I will give you some hints. Hower, I think that the calculation is somewhat involved - and, finally, it is a graphical solution.
The following applies to a simplified version with the diodes directly across the feedback resistor. However, if you understand the principle, you can apply it to your configuration because the key of the calculation is the required (final) value for the diode resistance Rd. This can be found easily for my (simplified) circit - and without too much effort for your circuit also.

1.) Steady-state oscillation case: Gain Acl=3=(1+Rp/R1) >>>> Rp=2R1 with Rp=R2||Rd (Rd=static diode resistance=Vd/Id)
2.) Because R1 and R2 are given, we can solve for the final value of Rd. That means:The required Rd has a known value.
3.) We know Vd=(2/3)Vout (Vout is the wanted output voltage) >>>> (2/3)Vout=Vd=Rd*Id >>>>Vout=(3/2)Rd*Id.
Note that you cannot simply set Vd=(0.6...0.7)V because we don't know Id (Vd can be as low as 0.2V)
4.) For finding Vout, we need the current Id. However, Id depends on Vd=(2/3)Vout based on the known exponenetial relationship.
5.) Therefore: Vout=(3/2)Rd*Id=(3/2)Rd*Io{exp[(2/3)Vout/Vt] -1} .
6.) This equation cannot be solved for Vout. Hence, we need a graphical solution and find the point where the two curves Id=f(Vd) cross each other.
 
Last edited:
  • Like
Likes   Reactions: jim hardy
Frank-95 said:
I'm doing several ltspice simulations and I've found out that if I change the resistors values, but keeping their ratios like before, the amplitude changes. But I cannot empirically understand the law.
One difference from reality might be the idealised models used by your LTspice circuit.
If you could rename a copy of your “wein_bridge.asc” file to “wein_bridge.asc.txt”, you could attach it to your next post. We could then run it and see how real it is.
 
  • #10
Sorry for the delay in the answer.

LvW said:
Ok - I will give you some hints. Hower, I think that the calculation is somewhat involved - and, finally, it is a graphical solution.
The following applies to a simplified version with the diodes directly across the feedback resistor. However, if you understand the principle, you can apply it to your configuration because the key of the calculation is the required (final) value for the diode resistance Rd. This can be found easily for my (simplified) circit - and without too much effort for your circuit also.

Thank you very much indeed! One of my errors was to use a costant voltage drop of 0.7 across the diode. One question though: you have supposed that Vd is the voltage drop between Vo and the opposite node (let's say Vx), equal to the voltage drop across the diode. Did you make an approximation right? I mean, the real Vd, should have been calculated between Vo and the point before Rd, which is different from Vo - Vx. Am I correct?

Baluncore said:
One difference from reality might be the idealised models used by your LTspice circuit.
If you could rename a copy of your “wein_bridge.asc” file to “wein_bridge.asc.txt”, you could attach it to your next post. We could then run it and see how real it is.

Yes I had used the costant voltage drop model like this:

.model D D(Ron=1n Roff=1G Vfwd=0.7)

EDIT:
Anyway I get unrealistically big Id if I had to find Rd knowing Vo... From your equations:

Vo = 3/2 * Rd * Is * (e2/3 * Vo/Vt - 1)

or

Rd = 2/3 * Vo / (Is * (e2/3 * Vo/Vt - 1) )

Which for Vt = 25 mV and Vo anywhere from 1 or greater gives a HUGE current, and consequently Rd = 0 about. So the approximation I think you made cannot hold, can it?
 
Last edited:
  • #11
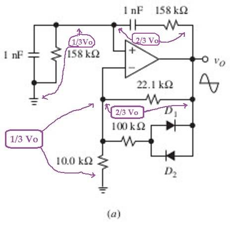
I have the same trouble with Wein bridges. They need something to keep amplitude stable , usually a voltage dependent component like an incandescent lamp.


IMHO the approach is to realize they're a feedback system and it's operating right on the cusp of (in)stability.

To your question about ciphering amplitude,
i'd bite the bullet and admit the math will run away from me
then take a low-tech look at the circuit.

How does feedback work ?
A fraction of output gets applied to both of the opamp's inputs,
and that fraction must be same for both inputs . There's the key...

A quick glance at the upper voltage divider circuit for +input suggests to me that fraction is 1/3 at 1 hzEDIT oops, 1khz... (I didn't calculate , so correct me if I'm wrong i just want to demonstrate an approach here.)

weinbridge.jpg


Now take a look at lower feedback voltage divider:

If 1/3Vo is to appear across that 10K resistor,
then in order to drop 2/3Vo , the two resistor & two diode part of that divider must appear to be 20K.
So, what resistance in parallel with 22.1K would make 20K ? Answer = 210K .

Therefore, the combination of those diodes and the 100K must look like 210 K.

How does that 2/3 Vo divide across the 210K of resistor and diodes ?
100/210 = 48% across the resistor, leaving 52% across the diodes. Again it's nonlinear but we're estimating here so just call it a 50/50 split.
That means ~1/3 Vo appears across the resistor and ~1/3Vo appears across the diodes.

1/3 Vo across the diodes?
That tells me Vo at peak (when negative feedback turns the output around) should be in the neighborhood of 3X a diode drop ,
if i guess a diode drop is in the range of 0.5 to 0.7 volts around its knee
i get 1.5 to 2.1 volts for Vo at peak.

Does that 'poor man's' approach skin the cat ?

Was your 2 volt number measured or from a simulation ?

old jimEDIT OOPS!
I just noticed your capacitor is 1 nf not 1uf so my frequency is off by three decades. 1khz not 1hz.
Sorry about that. I had been working from the smaller schematic . My bad.

Approach doesn't change though.
.
 
Last edited:
  • Like
Likes   Reactions: Tom.G
  • #12
Baluncore said:
If you could rename a copy of your “wein_bridge.asc” file to “wein_bridge.asc.txt”, you could attach it to your next post.
I am surprised it is possible for members to follow the discussion without a schematic labelled with component references R1, R2 … C1, C2 … etc. I see little point in adding to the confusing.
@ Frank-95. Why do you not post an LTspice oscillator model with clear component references ?
 
  • #13
jim hardy said:
i get 1.5 to 2.1 volts for Vo at peak.

Does that 'poor man's' approach skin the cat ?

Was your 2 volt number measured or from a simulation.

I get around 1.75, 1.78 by running the circuit via LTSpice, using a real diode model (2 V using an idealised one)

Baluncore said:
@ Frank-95. Why do you not post an LTspice oscillator model with clear component references ?

Here the code:

Version 4
SHEET 1 880 680
WIRE 32 0 -80 0
WIRE 64 0 32 0
WIRE 160 0 144 0
WIRE 256 0 224 0
WIRE -80 80 -80 0
WIRE -80 80 -112 80
WIRE -48 80 -80 80
WIRE 32 80 32 0
WIRE 80 80 32 80
WIRE 256 96 256 0
WIRE 256 96 144 96
WIRE -112 112 -112 80
WIRE -48 112 -48 80
WIRE 80 112 32 112
WIRE 32 176 32 112
WIRE 64 176 32 176
WIRE 256 176 256 96
WIRE 256 176 144 176
WIRE 176 208 160 208
WIRE 256 208 256 176
WIRE 256 208 240 208
WIRE -112 224 -112 176
WIRE -80 224 -112 224
WIRE -48 224 -48 192
WIRE -48 224 -80 224
WIRE -80 256 -80 224
WIRE 32 256 32 176
WIRE 64 256 32 256
WIRE 160 256 160 208
WIRE 160 256 144 256
WIRE 32 288 32 256
WIRE 160 304 160 256
WIRE 176 304 160 304
WIRE 256 304 256 208
WIRE 256 304 240 304
WIRE 32 400 32 368
FLAG 32 400 0
FLAG -80 256 0
SYMBOL Opamps\\opamp 112 160 M180
SYMATTR InstName U1
SYMBOL res -64 96 R0
SYMATTR InstName R1
SYMATTR Value 159
SYMBOL res 16 272 R0
SYMATTR InstName R2
SYMATTR Value 10k
SYMBOL res 160 -16 R90
WINDOW 0 0 56 VBottom 2
WINDOW 3 32 56 VTop 2
SYMATTR InstName R3
SYMATTR Value 159
SYMBOL res 160 160 R90
WINDOW 0 0 56 VBottom 2
WINDOW 3 32 56 VTop 2
SYMATTR InstName R4
SYMATTR Value 22.1k
SYMBOL cap -128 112 R0
SYMATTR InstName C1
SYMATTR Value 1µ
SYMBOL cap 224 -16 R90
WINDOW 0 0 32 VBottom 2
WINDOW 3 32 32 VTop 2
SYMATTR InstName C2
SYMATTR Value 1µ
SYMBOL res 160 240 R90
WINDOW 0 0 56 VBottom 2
WINDOW 3 32 56 VTop 2
SYMATTR InstName R5
SYMATTR Value 100k
SYMBOL diode 176 224 R270
WINDOW 0 32 32 VTop 2
WINDOW 3 0 32 VBottom 2
SYMATTR InstName D1
SYMATTR Value GSD2004W-V
SYMBOL diode 240 288 R90
WINDOW 0 0 32 VBottom 2
WINDOW 3 32 32 VTop 2
SYMATTR InstName D2
SYMATTR Value GSD2004W-V
TEXT -240 -192 Left 2 !.lib opamp.sub
TEXT -248 424 Left 2 !.tran 0.02
TEXT -248 -80 Left 2 !.ic V(n001)=0.01
 
  • #14
To Jim Hardy: It is no problem to follow your approach - and, of course, I agree, with one exception:

"I guess a diode drop is in the range of 0.5 to 0.7 volts around its knee".

That means, you are assuming that the diode will be "open" with a voltage-current relation around the "knee".
I think, this assumption is rather "vague" and not justified sufficiently..
When the value of the static diode resistance (Rd=Vd/Id) should be app. 100 kohms (and I agree to this rough assumption), the corresponding forward voltage may be lower (why not 0.1 or 0.2 volts?). However, this operating point will strongly depend on the diode type used.
 
  • #15
Frank-95 said:
One question though: you have supposed that Vd is the voltage drop between Vo and the opposite node (let's say Vx), equal to the voltage drop across the diode. Did you make an approximation right? I mean, the real Vd, should have been calculated between Vo and the point before Rd, which is different from Vo - Vx. Am I correct?
I must admit that I do not understand your question.
I did not make any assumption. Vd is the voltage across the diode - that`s all.
In your specific case, there is another resistor (100kohms) in series with the diode (which, as I have mentioned, does not appear in my calculation).
As I have mentioned, the value of Rd is the "key value" for the final result - and Jim Hardy has given in his contribution a rough - perhaps sufficient - guess for the Rd value (100...110 kOhms). The remaining task is to find the corresponding voltage Vd for the particular diode type.
 
  • #16
LvW said:
As I have mentioned, the value of Rd is the "key value" for the final result - and Jim Hardy has given in his contribution a rough - perhaps sufficient - guess for the Rd value (100...110 kOhms). The remaining task is to find the corresponding voltage Vd for the particular diode type.

One might take the equation I=I0eqv/kt , solve for I at various v's, find at what I does v/I approximate 110KΩ .

If Windows still supported Qbasic i'd have done it.


It'd be interesting to put zener reference diodes into that simulator .
 
  • #17
jim hardy said:
One might take the equation I=I0eqv/kt , solve for I at various v's, find at what I does v/I approximate 110KΩ .
.
I think, the problem is a suitable and realistic selection (guess?) for the current Io.
 
  • #18
The voltage rating of the light globe used in the original HP oscillators decided to a great extent the output amplitude. The resistor ratios are now selected to support reliable oscillation. The diodes then reduce the gain as the amplitude increases. Since the diodes have a typical drop of about 0.65 volts, that is the order of magnitude you can expect for oscillator amplitude. Variation of production component values makes it difficult to build reliable WBOs with higher gains.

By using several diodes in series you can multiply the signal amplitude.
Or, instead of silicon diodes, use a couple of parallel back-to-back LEDs to get about 5Vpp.
A couple of 6.2V Zenners, reversed in series, will give about 22Vpp.
 
  • #19
Baluncore said:
The diodes then reduce the gain as the amplitude increases. Since the diodes have a typical drop of about 0.65 volts, that is the order of magnitude you can expect for oscillator amplitude.

I rather think that this "typical drop" is not relevant in this case. We cannot automatically assume that the diode voltage will be in this range.
In contrary - this would be a very bad design (with a rather large TDH for the oscillating signal).
The designers goal must be to keep the diodes influence as small as possible.
As we have estimated earlier, the diodes static resistance will be in the order of 100kOhms.
A SPICE simulation for a typical diode (1N4148) gives a value of Vd=0.385V for Rd=100kOhms
(and Vd=0.34V for the type BA315).
 
  • #20
LvW said:
I rather think that this "typical drop" is not relevant in this case. We cannot automatically assume that the diode voltage will be in this range.
I was talking orders of magnitude.

Running the LTspice spoiler code shows that;
With R5=100k, peak voltage across 1N4148 diodes is 333mV. The output voltage is 2.203Vpp.
The 3'rd harmonic is 36 dB below the fundamental.

Change R5 to 180k and the 1N4148 voltage rises to 397mV, Output = 10.04Vpp.
The 3'rd harmonic is 48 dB below the fundamental.

Change R5 to 200k and the 1N4148 voltage rises to 451mV, Output = 33.5Vpp.
The 3'rd harmonic is 58 dB below the fundamental.

But we have reached coffin corner, where component and thermal variation will make huge differences to stability and amplitude.
The critical point is when R5 = 1/((1/20k)-(1/22k1)) = 210k4762.
How silly can it get?

Change R5 to 205k and the 1N4148 voltage rises to 483 mV, Output = 67.4Vpp.
The 3'rd harmonic is 66 dB below the fundamental.

Change R5 to 210k and the 1N4148 voltage rises to 588 mV, Output = 676.Vpp.
The 3'rd harmonic is more than 71 dB below the fundamental, below the FFT noise floor.

The distortion is least when the diode voltage is greatest.
 
  • Like
Likes   Reactions: jim hardy
  • #21
Baluncore said:
I was talking orders of magnitude.
Yes - I appreciate this.
Baluncore said:
The distortion is least when the diode voltage is greatest.
I am really surprised about this result. I will do some similar simulations as soon as I will have some time.
LvW

Continuation: I was surprised, but now - after some thinking - I am not anymore.
In fact, you are right !
My explanation: From my first "feeling" I tended to assume that the diode voltage should be as small as possible because of the THD (using only the first part of the non-linear transfer characteristic). And I think, this is true if the diodes are full in parallel with the feedback resistor.
However, in the present case the diodes are in series with another very large resistor (R5). Both parts (R5 plus diodes) must be able to reduce the 22.1kOhm resistor to 20k. It was shown that for this purpose, we need another 200k in parallel. Now, when R5 is 150k (instead of 100k) the diodes must contribute another 50k (which is less than 100k as before). Hence, Rd is smaller than before (and Vd larger).
That means: The rising amplitudes now cover more of the nonlinear characteristic as before (the voltage across the diodes is nearly a squarewave) - however, this does not lead to more distortions. In contrary - because now this non-linear portion of the total resistance (200k) is only 25% (instead of 50%), the THD value even improves!.
Interesting effect: Reducing the diode portion of the total parallel resistance overrides the effect of rising non-linearity (distortions) of the diode voltage.
 
Last edited:

Similar threads

  • · Replies 11 ·
Replies
11
Views
2K
  • · Replies 1 ·
Replies
1
Views
3K
  • · Replies 6 ·
Replies
6
Views
6K
  • · Replies 3 ·
Replies
3
Views
2K
Replies
1
Views
2K
Replies
3
Views
3K
  • · Replies 8 ·
Replies
8
Views
3K
  • · Replies 8 ·
Replies
8
Views
2K
  • · Replies 7 ·
Replies
7
Views
4K
  • · Replies 5 ·
Replies
5
Views
2K