Base excited stacked mass spring damper systems

Click For Summary
SUMMARY

The discussion focuses on deriving the equations of motion, state space representation, and transfer function for a base excited system consisting of two stacked mass spring damper systems. The transfer function is defined as H(s) = X(s)/U(s), where X(s) is the output and U(s) is the input. The participant suggests that energy methods may simplify the analysis and acknowledges the limited knowledge of state space techniques within the forum. The conversation highlights the importance of differential equation methods in solving such dynamic systems.

PREREQUISITES
  • Understanding of differential equations
  • Familiarity with transfer functions
  • Knowledge of state space representation
  • Basic concepts of mass spring damper systems
NEXT STEPS
  • Research energy methods in dynamic system analysis
  • Learn about advanced state space techniques
  • Explore differential equation solutions for mechanical systems
  • Study the application of transfer functions in control systems
USEFUL FOR

Mechanical engineers, control system designers, and students studying dynamics and vibrations will benefit from this discussion, particularly those focusing on mass spring damper systems and their analysis.

QuantumLollipop
Messages
7
Reaction score
0

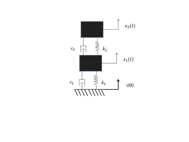
Homework Statement


I'm trying to derive the equations of motion and state space as well as the transfer function for a system which has two mass spring damper systems stacked on top of each other. The system is base excited. I attached a pic of the system
stacked mass spring damper.png

Homework Equations


- Sum of the forces as per usual
- The transfer function is defined as H(s)=X(s)/U(s)

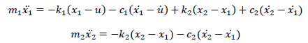
The Attempt at a Solution


upload_2015-6-25_13-21-29.png
[/B]
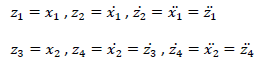
And setting up for state space:
upload_2015-6-25_13-22-2.png

I've also been thinking this might be easier in terms of energy methods. Thanks in advance
 
Last edited:
Physics news on Phys.org
Your equations look right. You can solve by the usual diff. eq. methods.

There is probably limited knowledge base on this forum for state space. I took an entire course in state space techniques (my instructor, Prof. S. C. Gupta, had us check his answers in the textbook he was preparing; maybe you know it) but I have to say I never found the technique useful to me so forgot all about it.)
 

Similar threads

  • · Replies 1 ·
Replies
1
Views
2K
  • · Replies 7 ·
Replies
7
Views
4K
Replies
5
Views
3K
Replies
7
Views
5K
  • · Replies 12 ·
Replies
12
Views
4K
  • · Replies 5 ·
Replies
5
Views
3K
  • · Replies 8 ·
Replies
8
Views
3K
Replies
3
Views
3K
Replies
6
Views
4K
Replies
1
Views
3K