Calculate the resistance in the circuit

  • Context: Engineering 
  • Thread starter Thread starter Basel H
  • Start date Start date
  • Tags Tags
    Circuit Resistance
Click For Summary

Discussion Overview

The discussion revolves around calculating the total resistance in a circuit with multiple resistors, specifically addressing the configuration of the resistors (parallel vs. series) and the implications of a Wheatstone bridge setup. The scope includes homework-related problem-solving and circuit analysis.

Discussion Character

  • Homework-related
  • Debate/contested
  • Technical explanation

Main Points Raised

  • One participant asserts that all resistors are in parallel and calculates the total resistance as R/6.
  • Another participant challenges the assumption of parallel configuration, suggesting that some resistors (R2 and R3) are in series.
  • A later reply introduces the concept of a balanced Wheatstone bridge as a potential framework for analysis.
  • One participant emphasizes the need to understand the definitions of series and parallel connections to avoid errors in circuit analysis.
  • Another participant suggests that R6 can be ignored since no current will flow through it, indicating a simplification in the analysis.
  • A further contribution proposes a delta-Y transformation for resistors R2, R4, and R6 as a method to simplify the circuit if the balance is not recognized.

Areas of Agreement / Disagreement

Participants do not reach a consensus on the configuration of the resistors, with multiple competing views regarding the arrangement and the implications for calculating total resistance. The discussion remains unresolved regarding the correct approach to the problem.

Contextual Notes

There are limitations related to the assumptions about the circuit's configuration, the potential for misunderstanding the arrangement of resistors, and the implications of the Wheatstone bridge concept. The discussion also highlights the need for clarity in definitions of circuit components.

Basel H
Messages
2
Reaction score
0

Homework Statement


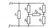
All resistors are ## R = 10 \Omega##
Resistance.PNG

Homework Equations


Calculate the total Resistance

The Attempt at a Solution


all resistors are parallel, so
$$ \dfrac{1}{R_{AB}} = \dfrac{1}{R} + \dfrac{1}{R} + \dfrac{1}{R} + \dfrac{1}{R} + \dfrac{1}{R} + \dfrac{1}{R} $$
## R_{AB} = \dfrac{R}{6}##
 

Attachments

  • Resistance.PNG
    Resistance.PNG
    8.9 KB · Views: 1,036
Physics news on Phys.org
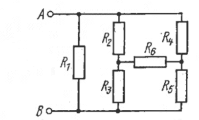
Why do you think they are all in parallel? They arent, for example R2 and R3 are in series.

Hint: The circuit has some symmetry. If you applied a voltage to AB what would be the voltage across R6?
 
  • Like
Likes   Reactions: cnh1995
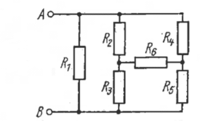
Basel H said:

Homework Statement


All resistors are ## R = 10 \Omega##
View attachment 217281

Homework Equations


Calculate the total Resistance

The Attempt at a Solution


all resistors are parallel, so
$$ \dfrac{1}{R_{AB}} = \dfrac{1}{R} + \dfrac{1}{R} + \dfrac{1}{R} + \dfrac{1}{R} + \dfrac{1}{R} + \dfrac{1}{R} $$
## R_{AB} = \dfrac{R}{6}##
Look up 'balanced Wheatstone bridge'.
 
Basel H said:
all resistors are parallel ...
As has already been pointed out, this is incorrect. I strongly suggest that you review, several times, the definitions of serial and parallel. Until you have those down cold, you will continue to have problems with circuit analysis.
 
Since no current will flow through R6 you may delete it [R6].
 
  • Like
Likes   Reactions: scottdave
As @Babadag stated, you can ignore R6. But suppose it was not balanced (or you didn't recognize that). You could do a delta-Y transformation with R2 R4 & R6, to simplify things, if you have learned that.
 

Similar threads

  • · Replies 3 ·
Replies
3
Views
3K
  • · Replies 10 ·
Replies
10
Views
3K
  • · Replies 10 ·
Replies
10
Views
2K
Replies
2
Views
699
Replies
9
Views
2K
  • · Replies 17 ·
Replies
17
Views
3K
Replies
13
Views
2K
  • · Replies 5 ·
Replies
5
Views
2K
Replies
6
Views
2K
  • · Replies 2 ·
Replies
2
Views
2K