Circuit input impedance with ground in an OP Amp circuit

Click For Summary

Discussion Overview

The discussion revolves around determining the input impedance and the impedance between the input terminal and ground in a specific operational amplifier circuit configuration. Participants express uncertainty about the circuit's behavior and how to approach the problem, including the implications of feedback and voltage relationships within the op-amp.

Discussion Character

  • Exploratory
  • Technical explanation
  • Debate/contested
  • Mathematical reasoning

Main Points Raised

  • One participant notes that the voltages at the - and + terminals of the op-amp are ideally equal, questioning if this holds true in the given configuration.
  • Another participant emphasizes the assumption that negligible current is drawn into the op-amp inputs and mentions that there are no virtual grounds.
  • Input impedance is defined as input voltage divided by input current, with the input current being the current through resistor R3.
  • One participant suggests calculating the gain of the circuit as a step towards finding the current through the resistors R3 and R1.
  • A participant challenges the correctness of a proposed expression for V_out, indicating that it only applies under specific conditions of negative feedback and does not account for positive feedback present in the circuit.
  • Concerns are raised about equating voltages and currents in a specific equation, highlighting a potential misunderstanding in the approach to the problem.

Areas of Agreement / Disagreement

Participants express differing views on the validity of certain equations and assumptions regarding the circuit's behavior. There is no consensus on the correct approach to calculating the input impedance or the output voltage, indicating ongoing debate and uncertainty.

Contextual Notes

Participants have not reached a resolution regarding the assumptions needed for analysis, the implications of feedback in the circuit, and the correct relationships between voltages and currents. The discussion reflects a complex interplay of theoretical concepts that remain unresolved.

bobg123
Messages
1
Reaction score
0
Homework Statement
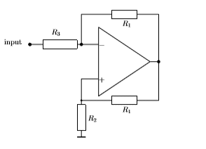
Find input impedance of the circuit shown. Calculate impedance between the input terminal and the ”ground”. Two resistors R1 have equal resistance.
Relevant Equations
V-=V+
V=IR
V_out=-R1/R3 Vin
V_out=R1/R2+1 Vin
I've been given the following circuit and have been asked to find the input impedance and the impedance between the input terminal and ground. I've never encountered an operational amplifier configured like this.
WwSBI.png

I know that the voltages at the - and + terminals of the op amp are ideally equal. In a normal inverting/non inverting op amp, I've been told the voltages at those points are zero. Is this still the case? If so, what is the output voltage? I'm having trouble conceptually understanding what this particular circuit does.

I'm not sure how to approach this problem, but I've tried separating the circuit into an inverting and non-inverting circuit. For the inverting circuit, I know V_out=-V_in*R1/R3. This gives me V(-)=V_in+V_in/R_3. For the noninverting, I know V_out=(R1/R2+1)V_in. The voltage at V(+) should be equal to V(-), giving V_in+V_in/R_3=V(R1)-V(R2)=R1/R2V_in+V_in-V(R2). Some rearrangement gives me V_in(1/R3-R1/R2)=-V(R2). Is this the right way of approaching the problem? Where do I go from here to calculate the impedance?
 
Physics news on Phys.org
bobg123 said:
I know that the voltages at the - and + terminals of the op amp are ideally equal.
That's one assumption you need to make, the other is that negligible current is drawn into those op-amp inputs. It would be wrong to think there are any virtual grounds here.

As always, input impedance = input voltage ÷ input current
and for this circuit, input current = the current in R3.
 
Calculate ther gain of the circuit.
Then, it will not be a problem to find the current through the chain R3..R1.
 
bobg123 said:
I've been given the following circuit and have been asked to find the input impedance and the impedance between the input terminal and ground. I've never encountered an operational amplifier configured like this.
View attachment 241071
I know that the voltages at the - and + terminals of the op amp are ideally equal. In a normal inverting/non inverting op amp, I've been told the voltages at those points are zero. Is this still the case? If so, what is the output voltage? I'm having trouble conceptually understanding what this particular circuit does.

I'm not sure how to approach this problem, but I've tried separating the circuit into an inverting and non-inverting circuit. For the inverting circuit, I know V_out=-V_in*R1/R3. This gives me V(-)=V_in+V_in/R_3. For the noninverting, I know V_out=(R1/R2+1)V_in. The voltage at V(+) should be equal to V(-), giving V_in+V_in/R_3=V(R1)-V(R2)=R1/R2V_in+V_in-V(R2). Some rearrangement gives me V_in(1/R3-R1/R2)=-V(R2). Is this the right way of approaching the problem? Where do I go from here to calculate the impedance?

Are you still working on this problem?

One problem I see is that in this:

V_in+V_in/R_3=V(R1)-V(R2)=R1/R2V_in+V_in-V(R2)

You are equating a sum of a voltage (red) and a current (blue) to a voltage (green). That's not permissible.
 
Quote: I know V_out=-V_in*R1/R3

No - that is not correct.
This simple expression is valid in case the feedback path contains these two resistors only (negative feedback).
However - in addition, we have positive feedback via R1 and R2.
Note, that the above simple gain expression results from a general formula for feedback circuits (and idealized open-loop gain): A=-Hf/Hr.
Both expressions Hf and Hr consist of simple voltage dividers and are defined as follows
(Vd=Diff. voltage at the opamps input):
* Forward damping: Hf=Vd/Vin for Vout=0
* Return damping (feedback factor): Hr=Vd/Vout for Vin=0.

This general formula is to be used also for the given circuit.
 

Similar threads

Replies
15
Views
3K
  • · Replies 2 ·
Replies
2
Views
2K
  • · Replies 1 ·
Replies
1
Views
3K
Replies
34
Views
4K
Replies
1
Views
2K
  • · Replies 2 ·
Replies
2
Views
3K
  • · Replies 13 ·
Replies
13
Views
3K
  • · Replies 12 ·
Replies
12
Views
2K
  • · Replies 8 ·
Replies
8
Views
2K
  • · Replies 12 ·
Replies
12
Views
4K