Can Circuit Components Carry Uniform Current in These Diagrams?

  • Thread starter Thread starter princejan7
  • Start date Start date
  • Tags Tags
    Circuit
Click For Summary
SUMMARY

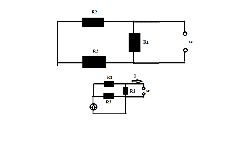
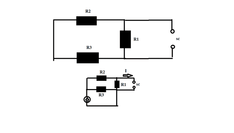
The discussion focuses on analyzing two circuit diagrams, specifically regarding the simplification of the first circuit and the current distribution in the second circuit. The first circuit can be simplified by recognizing that the equivalent resistance is the parallel combination of resistors R2 and R3, as the voltage across R1 is zero. In the second circuit, it is confirmed that every component receives a current of 6A, as indicated by the current source in the diagram.

PREREQUISITES
  • Understanding of circuit simplification techniques
  • Knowledge of parallel and series resistor combinations
  • Familiarity with current sources and their implications in circuit analysis
  • Basic principles of Ohm's Law and Kirchhoff's laws
NEXT STEPS
  • Study circuit simplification methods using Thevenin's and Norton's theorems
  • Learn about analyzing circuits with multiple current sources
  • Explore advanced topics in circuit analysis, such as mesh and nodal analysis
  • Review practical applications of Ohm's Law in complex circuits
USEFUL FOR

Electrical engineering students, hobbyists working on circuit design, and professionals involved in circuit analysis and troubleshooting.

princejan7
Messages
93
Reaction score
0

Homework Statement



http://postimg.org/image/dd3s2edih/

Is it possible to simplify the first circuit?
And for the second circuit, does every other component in the circuit have 6A?

Homework Equations





The Attempt at a Solution

 
Last edited by a moderator:
Physics news on Phys.org
princejan7 said:

Homework Statement



http://postimg.org/image/dd3s2edih/

Is it possible to simplify the first circuit?
And for the second circuit, does every other component in the circuit have 6A?

Homework Equations



The Attempt at a Solution

The first circuit can be simplified.

There's not nearly enough information given here.

You should give a complete statement regarding the problem(s) you're trying to solve.

Also, you need to make an attempt at a solution.

attachment.php?attachmentid=68911&stc=1&d=1398129755.png
 

Attachments

  • Untitled.png
    Untitled.png
    5.1 KB · Views: 481
Last edited by a moderator:
SammyS said:
The first circuit can be simplified.

There's not nearly enough information given here.

You should give a complete statement regarding the problem(s) you're trying to solve.

Also, you need to make an attempt at a solution.

attachment.php?attachmentid=68911&stc=1&d=1398129755.png

For the first, is the equivalent resistance the parallel combination of R2 and R3 since the voltage of R1 is 0? Does R1 get used at all?

And for the second, I forgot to include that the circle with an arrow inside is a current source providing 6A
 

Similar threads

Replies
10
Views
2K
  • · Replies 10 ·
Replies
10
Views
1K
Replies
3
Views
2K
  • · Replies 8 ·
Replies
8
Views
3K
  • · Replies 62 ·
3
Replies
62
Views
6K
  • · Replies 3 ·
Replies
3
Views
2K
  • · Replies 2 ·
Replies
2
Views
2K
  • · Replies 5 ·
Replies
5
Views
2K
  • · Replies 3 ·
Replies
3
Views
1K
Replies
4
Views
2K