Current Divider Circuit (Find a Resistance)

Click For Summary

Discussion Overview

The discussion revolves around a current divider circuit problem, specifically focusing on calculating the resistance R in a circuit with multiple resistors. Participants are exploring the application of current division principles and addressing discrepancies between their calculations and textbook values.

Discussion Character

  • Technical explanation
  • Debate/contested
  • Mathematical reasoning

Main Points Raised

  • One participant calculated the resistance R to be 720 ohms using a current divider equation but found a discrepancy with the textbook answer of 30 ohms.
  • Another participant pointed out that the 60 Ω resistor is not in series with the 40 Ω and 80 Ω resistors, suggesting that the presence of resistor R affects the circuit configuration.
  • A participant emphasized the need to correctly apply the current division expression, indicating that 20 A enters the node and must be divided between the parallel branches.
  • One participant expressed confusion about the series combination of the 40 ohm and 80 ohm resistors and reiterated their calculation, which still resulted in a value for R that was too large.
  • Another participant provided a general form of the current divider equations to clarify how to express the division of current between two parallel resistances.

Areas of Agreement / Disagreement

Participants do not appear to reach a consensus, as there are differing interpretations of the circuit configuration and the application of the current divider equation. Confusion remains regarding the calculations and the correct approach to finding R.

Contextual Notes

There are unresolved assumptions regarding the circuit layout and the application of the current divider formula. Participants have not fully clarified the relationships between the resistors involved.

johnsmith7565
Messages
13
Reaction score
4
Homework Statement
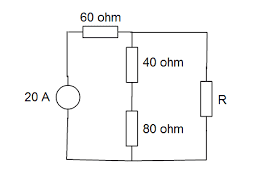
Find The Value Of R That Will Carry a 4 A Of Current To Flow Through The 80 Ohm Resistor In The Circuit Shown.
Relevant Equations
Parallel Circuit rules and Series circuit rules, i0 = (R1)/(R1+R2)is, where “is” is the source current, R1 and R2 are the resistances, and i0 is the current across a resistor.
The resistors are all in series , with exception of R, so I added them together and then used the current divider equation to solve for R, and I got 720 ohms. The textbook says R should be 30 ohms. I’m completely lost.
 

Attachments

  • 285DD4B0-B51F-4C16-96F9-F54B057404D6.png
    285DD4B0-B51F-4C16-96F9-F54B057404D6.png
    2 KB · Views: 182
  • 4E7696D5-01D9-451C-B138-C2E864DA1768.jpeg
    4E7696D5-01D9-451C-B138-C2E864DA1768.jpeg
    20.4 KB · Views: 162
Physics news on Phys.org
Hi @johnsmith7565 ,

Welcome to Physics Forums.

Note that the ##60 Ω## resistor is not in series with the ##40 Ω## and ##80 Ω## resistors; The existence of the resistor ##R## precludes that.

What you can say is that 20 A enters the top node from the direction of the source, and that it must divide between the two parallel branches. Write your current division expression so that it divides the 20 A as required using only the three resistors of the parallel branches.
 
  • Like
Likes   Reactions: johnsmith7565
gneill said:
Hi @johnsmith7565 ,

Welcome to Physics Forums.

Note that the ##60 \Ohm## resistor is not in series with the ##40 \Ohm## and ##80 \Ohm## resistors; The existence of the resistor ##R## precludes that.

What you can say is that 20 A enters the top node from the direction of the source, and that it must divide between the two parallel branches. Write your current division expression so that it divides the 20 A as required using only the three resistors of the parallel branches.
I still don’t understand. So the 40 ohm resistor and the 80 ohm one are in series so I add them, and now my equation is 4=(20)(120/R+120) and R is still too large.
 
johnsmith7565 said:
I still don’t understand. So the 40 ohm resistor and the 80 ohm one are in series so I add them, and now my equation is 4=(20)(120/R+120) and R is still too large.
I think you'll want to take a closer look at the current divider expression. Let's say you have two parallel resistances A and B with some total current ##I## being split between them. Then you can write:

##I_A = I \cdot \frac{B}{A + B}##

##I_B = I \cdot \frac{A}{A + B}##

Make sure that you get your numerator correct!
 
  • Like
Likes   Reactions: Greg Bernhardt, DaveE and johnsmith7565

Similar threads

Replies
15
Views
3K
Replies
5
Views
4K
  • · Replies 1 ·
Replies
1
Views
2K
  • · Replies 3 ·
Replies
3
Views
2K
  • · Replies 1 ·
Replies
1
Views
2K
  • · Replies 4 ·
Replies
4
Views
3K
  • · Replies 7 ·
Replies
7
Views
2K
  • · Replies 8 ·
Replies
8
Views
3K
  • · Replies 4 ·
Replies
4
Views
3K
  • · Replies 10 ·
Replies
10
Views
4K