How Do Current Divider Rules Determine I1 and I2 in a Circuit?

  • Thread starter Thread starter DODGEVIPER13
  • Start date Start date
  • Tags Tags
    Current Rules
Click For Summary

Discussion Overview

The discussion revolves around determining the unknown currents I1 and I2 in a circuit using current divider rules, as well as addressing a second problem related to voltage and current in a different circuit. Participants explore the application of Ohm's law and Kirchhoff's current law (KCL) in their analyses.

Discussion Character

  • Homework-related
  • Mathematical reasoning
  • Technical explanation
  • Debate/contested

Main Points Raised

  • One participant presents an initial calculation for I1 and I2 using the current divider formula, expressing confidence in their results based on resistance values.
  • Another participant questions the validity of their circuit analysis, noting a potential inconsistency with KCL when calculating current through a resistor.
  • A later reply suggests that the total current calculation needs to consider the equivalent resistance of the entire resistor network.
  • Subsequent responses indicate a revised understanding of the circuit, with one participant calculating a total current of 4 A and deriving values for I1 and I2 as 1 A and 3 A, respectively.
  • In the second problem, a participant expresses confusion about the circuit's validity and the implications of their calculations, leading to a discussion about the potential drop across a resistor.
  • Another participant confirms that the circuit analysis is correct, prompting further calculations regarding voltage and current in the second problem.

Areas of Agreement / Disagreement

Participants generally engage in a constructive dialogue, with some expressing uncertainty about their calculations and others providing clarifications. However, there is no explicit consensus on the correctness of the initial approaches or the final results for the second problem.

Contextual Notes

Some calculations depend on assumptions about the circuit configuration and the application of KCL and Ohm's law. There are unresolved questions regarding the interpretation of results and the validity of certain steps in the analysis.

Who May Find This Useful

This discussion may be useful for students or individuals seeking to understand current divider rules, circuit analysis, and the application of KCL and Ohm's law in electrical engineering contexts.

DODGEVIPER13
Messages
668
Reaction score
0

Homework Statement


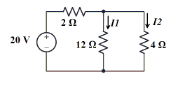
Find the unknown current I1 and I2 in the circuit shown below. (Reference problem 7 on the PDF doc)


Homework Equations


V=iR
i1=i(R4/(R12+R4))
i2=i(R12/(R12+R4))


The Attempt at a Solution


I used V=ir where V=20v and R=2ohm so i=10A. Then plugging into i1 equation where R4=4 ohn, and R12=12 ohm. I get 2.5 A on i1 which makes sense because the resistance is higher and plugginf in i2 I get 7.5A again which makes sense because it has a lower resistance this also completes KCL rules. My question is did I do this right?
 

Attachments

Physics news on Phys.org
Hello it would not allow me to ask a second question using the same PDF so I figured I would ask a second on this post sorry if this is wrong.

Homework Statement


Solve for the voltage Vx and ix?(Reference problem 8)

Homework Equations


v=ir
0=i1+i2+3+...in
0=V1+V2+V3+...Vn

The Attempt at a Solution


I suppose I am incorrect but this cirrcuit doesn't appear to be valid. When I do this 90V - 5A(8 ohm) = 50 volts. Then i10=50V/10 ohm = 5A well how can this be because due to KCL that would mean 5 amps and 5 out meaning no current would flow into the 4 ohm resistor. Ugh what have I done wrong.
 
The problems are separate from each other and both are on the PDF that was given
 
DODGEVIPER13 said:

Homework Statement


Find the unknown current I1 and I2 in the circuit shown below. (Reference problem 7 on the PDF doc)


Homework Equations


V=iR
i1=i(R4/(R12+R4))
i2=i(R12/(R12+R4))


The Attempt at a Solution


I used V=ir where V=20v and R=2ohm so i=10A. Then plugging into i1 equation where R4=4 ohn, and R12=12 ohm. I get 2.5 A on i1 which makes sense because the resistance is higher and plugginf in i2 I get 7.5A again which makes sense because it has a lower resistance this also completes KCL rules. My question is did I do this right?

The load that the 20V source sees is not just 2Ω, so your total current is not correct; the current that passes through the 2Ω resistor also must pass through the other resistors on its way back to the source. If you want to find the total current, you'll need to find the equivalent resistance presented by resistor network.

attachment.php?attachmentid=55275&stc=1&d=1359763092.gif
 

Attachments

  • Fig1.gif
    Fig1.gif
    2.2 KB · Views: 621
Ahhh ok makes sense so when I put the 12 ohm adn 4 ohm resistor in parrallel and then in series with the 2 ohm resistor I will get 5 ohms which equates to a total aperage of 4 A. Then by me above equation for i1=1A and i2=3A. Is that correct?
 
DODGEVIPER13 said:
Ahhh ok makes sense so when I put the 12 ohm adn 4 ohm resistor in parrallel and then in series with the 2 ohm resistor I will get 5 ohms which equates to a total aperage of 4 A. Then by me above equation for i1=1A and i2=3A. Is that correct?

Your result looks fine.
 
Ok thanks man do you think you could help with my second question I posted I know I prolly wasnt suppose to do that but it wouldn't let post two separate ones with the pdf.
 
DODGEVIPER13 said:
I suppose I am incorrect but this cirrcuit doesn't appear to be valid. When I do this 90V - 5A(8 ohm) = 50 volts. Then i10=50V/10 ohm = 5A well how can this be because due to KCL that would mean 5 amps and 5 out meaning no current would flow into the 4 ohm resistor. Ugh what have I done wrong.

There's nothing wrong with the circuit or your analysis so far. What does that tell you about the potential drop across the 4Ω resistor?
 
it would 0 correct
 
  • #10
oh heck woops I get it now so it would be 50-0=50 volts then v=iR so i2=25A going out which means. 0=5-5-25+ix so ix=25A and Vx = 50 volts is that correct?
 
  • #11
DODGEVIPER13 said:
oh heck woops I get it now so it would be 50-0=50 volts then v=iR so i2=25A going out which means. 0=5-5-25+ix so ix=25A and Vx = 50 volts is that correct?

Yup. That's it.
 

Similar threads

  • · Replies 26 ·
Replies
26
Views
3K
Replies
5
Views
4K
  • · Replies 3 ·
Replies
3
Views
3K
  • · Replies 14 ·
Replies
14
Views
3K
  • · Replies 20 ·
Replies
20
Views
3K
Replies
2
Views
3K
  • · Replies 1 ·
Replies
1
Views
3K
  • · Replies 8 ·
Replies
8
Views
3K
  • · Replies 4 ·
Replies
4
Views
2K
  • · Replies 4 ·
Replies
4
Views
3K