Current limiter for TIA, realizing dc current source

Click For Summary
SUMMARY

The discussion centers on implementing a current limiter for a transimpedance amplifier (TIA) to manage the output from photodiodes that generate currents ranging from 10nA to 100mA. The user aims to limit the current to 5mA using a circuit inspired by a patent that describes a configuration with current sources that prevent TIA saturation. The user seeks guidance on selecting appropriate Schottky diodes and pJFETs for optimal performance and stability in creating DC current sources.

PREREQUISITES
  • Understanding of transimpedance amplifiers (TIA)
  • Familiarity with Schottky diodes and their characteristics
  • Knowledge of pJFET operation and selection criteria
  • Basic principles of current sources and sinks in electronic circuits
NEXT STEPS
  • Research the specifications and selection criteria for Schottky diodes suitable for high-speed applications
  • Study pJFET characteristics and their role in current limiting circuits
  • Explore practical implementations of DC current sources using transistor current sinks
  • Investigate the differences between current sources and current limiters in circuit design
USEFUL FOR

Electronics engineers, circuit designers, and anyone involved in photodiode applications or TIA circuit design looking to optimize current management in their projects.

Kakeh
Messages
9
Reaction score
0
Problem:

my photo diode receives pulses of width 10ns-150ns and repeating at rate of 1Hz-50KHz

the current from photo diode depending on incident light can go from 10nA-100mA, so i have two photo diodes to cover the dynamic range, what i want to do is limit the current from a photo diode to 5mA let's say in one channel

Approach Followed:

in search i found some thing similar to my need here
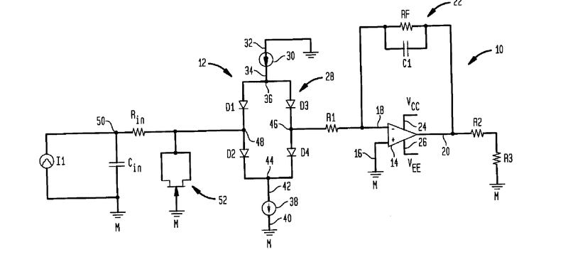
iXo2X.png


the patent claims: in the picture the current sources 30 and 38 are the maximum current at which the TIA saturates, as soon as the TIA saturates, the schottky bridge isolates the TIA from source,

i have less idea whether the patent circuit can work for pulsating current, but when i tried the results were nice

4P66L.png


Design Problem:

how to select the schottky diode and also the pJFET for much better response

if you see schematic i have given a trail of pJFET of all available with LTspice, and same with schottky

How to realize 30 and 38 on practical circuit ?, how can i create stable dc current sources ?
 
Engineering news on Phys.org
Actually now I've read you post again... Are you after a current source/sink or a current limit? They are different.
 

Similar threads

  • · Replies 5 ·
Replies
5
Views
5K
  • · Replies 10 ·
Replies
10
Views
3K
Replies
7
Views
3K
  • · Replies 28 ·
Replies
28
Views
4K
  • · Replies 12 ·
Replies
12
Views
3K
  • · Replies 10 ·
Replies
10
Views
3K
Replies
1
Views
2K
  • · Replies 7 ·
Replies
7
Views
2K
Replies
9
Views
4K
  • · Replies 4 ·
Replies
4
Views
5K