Designing a buck converter with feedback and a regulated output

Click For Summary

Discussion Overview

The discussion revolves around the design of a buck converter with feedback and a regulated output. Participants explore various aspects of the feedback mechanism, component selection, and current control in the context of power supply design.

Discussion Character

  • Technical explanation
  • Debate/contested
  • Mathematical reasoning

Main Points Raised

  • One participant questions the suitability of the LM2576 module for a 15 A output, noting that the module's data sheet specifies a maximum current of 3 A and asks about the use of a separate MOSFET in a different buck converter design.
  • Another participant clarifies that the feedback pin operates based on a specific input voltage threshold, explaining that the output voltage is adjusted by dividing the output voltage to meet this threshold.
  • There is a discussion about the role of the feedback wire and whether it should connect to the output voltage node, with one participant asserting that the schematic is correct as it stands.
  • Participants discuss the current control mechanism, with one explaining that a low resistance is used in series to provide a signal proportional to the current, which is compared to a preset voltage from a potentiometer.
  • One participant expresses interest in design tools for switch-mode power supplies (SMPS) and requests links to such resources, while another mentions that these tools may not provide insight into the underlying design principles.

Areas of Agreement / Disagreement

Participants exhibit some agreement on the function of the feedback mechanism but have differing views on the specifics of the current control system and the necessity of additional control ICs. The discussion remains unresolved regarding the optimal design approach and the role of various components.

Contextual Notes

Participants reference specific components and design parameters, but there are limitations in the assumptions made about the feedback mechanism and current control. The discussion also highlights the importance of consulting datasheets for accurate design information.

Who May Find This Useful

This discussion may be useful for individuals interested in power electronics, specifically those designing buck converters or exploring feedback mechanisms in power supply circuits.

JC2000
Messages
186
Reaction score
16
TL;DR
I am trying to design a buck converter that meets the following criteria :
Maximum output voltage = 12 V
Output Current = 15 A
Maximum input voltage = 24 V
I had a bunch of questions regarding the feedback component as well as the feedback mechanism itself.
Screenshot 2020-12-14 at 6.35.31 PM.png


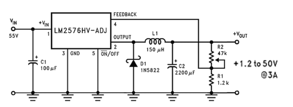
1. I am using the attached schematic as reference for my design. As per the LM2576 module data sheet, it can handle a maximum current of 3 A whereas I need the IC to handle at least 15 A. After digging around a little this was one buck converter that seems to be able to handle 15 A. However, the video says that this buck converter uses the IRFB3607 MOSFET. Does this mean that unlike the schematic above, in the case of the module in the video, the MOSFET that acts as a switch is a separate component from the controller IC? If so, what is the IC being used, what search parameters should I use to find such ICs?
Screenshot 2020-12-14 at 6.53.23 PM.png

2. Coming to the regulated output voltage, my understanding is as follows... since I decide ##V_{in}##, if I want a specific ##V_{out}##, the equation above would give me the required ratio of resistances. Essentially, I need to have a potentiometer which must be manually adjusted to get the desired output voltage. If my understanding correct so far, why is the feedback wire NOT connected to the ##V_{out}## node in the first schematic? Or is it that there is a mistake in the first schematic and the point between ##R_1## and ## R_2## is the actual ##V_{out}##? In fact, I am unable to pin down the exact role of the feedback pin. Under what circumstances would the output voltage fluctuate (would it fluctuate if the load were to suddenly draw more current or if its resistance changed for some reason)?

3. In the buck converter module from the video, there is a current control potentiometer as well. Is this essentially a variable resistor in series with ##V_{out}##?
 
Physics news on Phys.org
JC2000 said:
2. Coming to the regulated output voltage, my understanding is as follows... since I decide , if I want a specific , the equation above would give me the required ratio of resistances.
No, it's not that way. The feedback pin has an IC specific input voltage threshold: if the signal there is lower then the chip will try to push out more voltage: if the signal is higher, it will fall back.
Since the feedback pin has a specific threshold, you divide the output voltage so to have that threshold at the required output voltage. If the output voltage falls short, the feedback gets lower and the IC will push harder.

So the schematics is correct.

Since the IC works based on the output voltage only, the input voltage can vary within a certain range without affecting the output voltage.

JC2000 said:
. In the buck converter module from the video, there is a current control potentiometer as well. Is this essentially a variable resistor in series with ?
Usually no. There is a low R in series (around 0.1Ohm or even lower) what provides a signal proportional to the current to the control chip. The control IC compares that signal with a voltage set by that potentiometer to determine if the current is above or below the limit.

Do you need the design process, or the finished design? There are several online SMPS design tools available from manufacturers. You may get a more reliable design that way :wink:
 
  • Like
Likes   Reactions: berkeman and JC2000
Rive said:
Usually no. There is a low R in series (around 0.1Ohm or even lower) what provides a signal proportional to the current to the control chip. The control IC compares that signal with a voltage set by that potentiometer to determine if the current is above or below the limit.

Do you need the design process, or the finished design? There are several online SMPS design tools available from manufacturers. You may get a more reliable design that way :wink:

Thank you very much! That clears up a lot of things! Regarding the current control mechanism, is there another control IC that I need to look have on my module or are their ICs that regulate both current and voltage?

As for the exact working of the current control system, essentially the signal provided to the control chip would be the voltage at the end of the series resistor and the control IC would compare it to a preset voltage from a different potentiometer right?

I had no idea there were design tools specifically for SMPS! Could you please share their links?

Thanks!
 
Texas Instruments
Analog Devices
OnSemi
There are more I'm sure. Almost every manufacturer has one.
Kind of a cheating since you will not know how it works, but on the other hand you will get a working, reliable design.

JC2000 said:
essentially the signal provided to the control chip would be the voltage at the end of the series resistor and the control IC would compare it to a preset voltage from a different potentiometer right?
No. The voltage drop on the series resistor is what get compared, and it's not directly but through some more electronics since that voltage drop is better kept at low while the voltage on the potentiometer better has some range.

Ps.: just check on the datasheet of your IC, will you?
 
  • Informative
  • Like
Likes   Reactions: berkeman and JC2000

Similar threads

  • · Replies 14 ·
Replies
14
Views
2K
  • · Replies 9 ·
Replies
9
Views
913
  • · Replies 10 ·
Replies
10
Views
3K
  • · Replies 32 ·
2
Replies
32
Views
6K
  • · Replies 13 ·
Replies
13
Views
4K
  • · Replies 14 ·
Replies
14
Views
3K
  • · Replies 13 ·
Replies
13
Views
3K
  • · Replies 14 ·
Replies
14
Views
8K
  • · Replies 2 ·
Replies
2
Views
2K
Replies
4
Views
3K