Designing a device off of given voltage and amperage values?

Click For Summary

Discussion Overview

The discussion revolves around a homework problem involving a device characterized by measured voltage and current values. Participants are tasked with constructing a circuit model using a current source and a resistor, and determining the power delivered to a resistor. The conversation explores circuit configurations, the implications of the data, and concepts such as Thevenin and Norton equivalents.

Discussion Character

  • Homework-related
  • Technical explanation
  • Conceptual clarification
  • Debate/contested

Main Points Raised

  • Some participants express confusion regarding the circuit model and the relationship between voltage, current, and resistance, particularly noting the non-constant behavior of the resistor.
  • There is a discussion about the possible configurations of a current source and a resistor, with some participants suggesting that only one configuration seems plausible.
  • Some participants propose that the resistor must be in parallel with the current source to account for the varying current values observed.
  • Others question the source of the voltage in the circuit, indicating a lack of clarity on how the external circuit influences the measurements.
  • Participants mention the need to apply Thevenin and Norton equivalents to better understand the circuit behavior and to derive unknown values from the given data points.
  • There are repeated expressions of frustration and uncertainty about the homework material and the adequacy of prior instruction.

Areas of Agreement / Disagreement

Participants generally do not agree on the circuit configuration and the implications of the data. Multiple competing views remain regarding the arrangement of components and the interpretation of the measurements.

Contextual Notes

Participants highlight limitations in their understanding of circuit theory as it relates to the problem, indicating that some concepts have not been covered in their coursework. There is also a noted dependency on the definitions of circuit components and configurations.

Who May Find This Useful

This discussion may be useful for students studying electrical engineering concepts, particularly those grappling with circuit analysis and the application of Thevenin and Norton theorems.

Kevin2341
Messages
56
Reaction score
0

Homework Statement



You are working with a device in a black box which has two terminals, which are in turn, part of a larger circuit. You measure the voltage and the current at the terminals and record the following:

vi (V) | i1 (A)
100 | 0
120 | 4
140 | 8
160 | 12
180 | 16

a: construct a circuit model for this device using a current source and a resistor
b: How much power will the device deliver to a 20 ohm resistor?

Homework Equations



?
Ohms Law?

The Attempt at a Solution



I haven't ever seen anything like this before in my class, my textbook offers no help that I can think of to even begin with this.

All I know is that at V=100, A = 0, Resistance would be unavailable due to division by 0.
V=120, A = 4, R=30
V=140, A=8, R = 35/2
V=160, A=12, R = 40/3
V=180, A=16, R = 45/4

I am absolutely lost here guys.. I don't know if I have a hard teacher (Or a lousy teacher), or if I should take the humility route and wonder if I'm not meant to go for EEing because I cannot figure this out. But then again, this entire homework he has assigned us has been chalked full of material he hasn't covered that I had to research on my own.
 
Physics news on Phys.org
You're told that there are two components, a resistor and a current source. Can you tell what the connection arrangement must be? How many ways is there to connect them? What characteristics of these connection arrangements might support or contradict the observed behavior?
 
With only 1 current source and only 1 resistor? I have absolutely no idea. Hell, even with multiple resistors and whatever, I have absolutely no idea. Nothing is a constant in this scenario.
 
One current source. One resistor. How many distinct ways is there to connect them together?
 
One way. But that doesn't solve the mystery of the non-constant resistor.
 
Kevin2341 said:
One way. But that doesn't solve the mystery of the non-constant resistor.

Well, you don't know that for sure yet.

But there are two ways they can be connected. Which way is possible, and which way is not? (and why?)
 
I honestly don't see more than one way it could be connected, and that is a simple circuit in which the current flows from one end of the current source through the resistor, and back into the current source (I suppose it COULD be two circuits if you reverse polarity, but polarity doesn't really matter in this scenario as far as I know...)
 
Kevin2341 said:
I am absolutely lost here guys.. I don't know if I have a hard teacher (Or a lousy teacher), or if I should take the humility route and wonder if I'm not meant to go for EEing because I cannot figure this out. But then again, this entire homework he has assigned us has been chalked full of material he hasn't covered that I had to research on my own.

Have you studied Thevenin and Norton's theorems? You may have to do some more research on your own; it's a good way to reinforce the learning experience.

When you have a two terminal device (your black box), you can learn something about it by determining the I-V characteristic. You do this by applying a voltage to the terminals, measuring the current into the terminals and plotting the measured data.

Imagine that your black box contained a 5 ohm resistor and you applied some voltages, measured the currents and plotted the results. You might get something like this:

attachment.php?attachmentid=55514&stc=1&d=1360366632.png


Now, make a similar plot of your problem data:

attachment.php?attachmentid=55515&stc=1&d=1360366722.png


Since by now, you've looked up Norton equivalents, what does the fact that your problem data doesn't go through the origin tell you?
 

Attachments

  • Plot1.png
    Plot1.png
    1.9 KB · Views: 542
  • Plot2.png
    Plot2.png
    1.9 KB · Views: 537
Kevin2341 said:
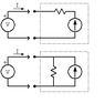
I honestly don't see more than one way it could be connected, and that is a simple circuit in which the current flows from one end of the current source through the resistor, and back into the current source (I suppose it COULD be two circuits if you reverse polarity, but polarity doesn't really matter in this scenario as far as I know...)

Two ways:

attachment.php?attachmentid=55516&stc=1&d=1360367165.gif


Which way can be ruled out?
 

Attachments

  • Fig1.gif
    Fig1.gif
    2 KB · Views: 577
  • #10
Wait... where in the heck is the voltage source coming from? I thought it was only a resistor and a current source? And I really hate to play stupid.. but once again, I have no idea. I have NEVER seen ANYTHING like this in class or in my book.

I'm going to rule out that the resistor in series version. Seems to me the resistor in parallel would be the only one to give varying gaps in numbers like that...
 
Last edited:
  • #11
Kevin2341 said:
Wait... where in the heck is the voltage source coming from? I thought it was only a resistor and a current source? And I really hate to play stupid.. but once again, I have no idea. I have NEVER seen ANYTHING like this in class or in my book.

I'm going to rule out that the resistor in series version. Seems to me the resistor in parallel would be the only one to give varying gaps in numbers like that...

You need to look up Thevenin and Norton equivalents and you will understand.
 
  • #12
Kevin2341 said:
Wait... where in the heck is the voltage source coming from? I thought it was only a resistor and a current source?
The problem statement says that the device is part of a larger circuit, the device itself being within the dotted line box. Voltage and current is measured, so the voltage source represents the voltage applied by the external circuitry.
And I really hate to play stupid.. but once again, I have no idea. I have NEVER seen ANYTHING like this in class or in my book.
I understand. This happens. Generally it's meant to cause one to creatively apply the concepts already learned to a new situation. I do commiserate, having suffered the process myself lo those many years ago :smile:
I'm going to rule out that the resistor in series version. Seems to me the resistor in parallel would be the only one to give varying gaps in numbers like that...
Right. The series version would allow only one, fixed current value to flow no matter what the input voltage. The parallel connection is more flexible in that regard, and being the only other option, it must be correct.

If you call the resistor R and the current source Ix and write the equation for the current I in terms of the applied voltage V, you should be able to use some given data points to solve for R and Ix.
 
  • #13
I'm still not getting it... Am I supposed to come up with arbitrary values of like "120v times 4 amps is equal to Rx"?

As for "The Electrician", and you suggesting to me that I read up on the "Thevenininin (how the heck do you say that guys name anyway?) and Norton Equivilencies", I don't understand where simplifying the circuits in this case will help, as I only have two components in my circuit right now anyway?
 
  • #14
Kevin2341 said:
I'm still not getting it... Am I supposed to come up with arbitrary values of like "120v times 4 amps is equal to Rx"?
Nope. You can write an equation for the circuit that gives I in terms of V, R, and Ix. Now, you are given sets of values for V and I, while R and Ix are unknowns. That's two unknowns. Use two of the given data points to obtain two equations in two unknowns.
As for "The Electrician", and you suggesting to me that I read up on the "Thevenininin (how the heck do you say that guys name anyway?) and Norton Equivilencies", I don't understand where simplifying the circuits in this case will help, as I only have two components in my circuit right now anyway?
I think that what The Electrician is getting at is that if the black-box circuit is converted to its Thevenin equivalent (it's currently in Norton form), it may be more obvious how the observed behavior comes about, and how to go about solving for the component values.
 
  • #15
Kevin2341 said:
As for "The Electrician", and you suggesting to me that I read up on the "Thevenininin (how the heck do you say that guys name anyway?) and Norton Equivilencies", I don't understand where simplifying the circuits in this case will help, as I only have two components in my circuit right now anyway?

It might be easier for you to understand the behavior of the black box to imagine a resistor in series with a voltage source. When there is 100 volts applied to the black box terminals, the current is zero. How can this happen? One way this could happen would be if there were a 100 volt source in the box connected in series with the resistor with such a polarity as to oppose the externally applied 100 volts. Do you grok this? (Sly reference to Heinlein's "Stranger in a Strange land".)

Now, if you can understand how it could happen with a voltage source in series with a resistor, then understand that what you would have in the box would be a Thevenin equivalent.

Next you need to understand that there is a Norton equivalent with similar behavior to the Thevenin version.

Thevenin equivalents have a voltage source in series with an impedance; Norton equivalents have a current source in parallel with an impedance.
 
  • #16
gneill said:
I think that what The Electrician is getting at is that if the black-box circuit is converted to its Thevenin equivalent (it's currently in Norton form), it may be more obvious how the observed behavior comes about, and how to go about solving for the component values.

Yes. See post #14, posted simultaneously with post #15, a first for me!
 
  • #17
I'm going to give this a break... I've been at this homework for 7 hours now (past 3 on this particular problem) and I desperately need a break...

If anyone is willing to work me through this problem step by step, I'd really appreciate it, but I feel like I'm still just as clueless as I was when I first began this problem. I hate to resort to "give me the answer", but I think that's the only way I'm going to understand it. It's a foreign concept to me, and I feel like every hint and pointer I get is at something I don't understand at all :(
 
  • #18
I got you 90% of the way there with this:

The Electrician said:
It might be easier for you to understand the behavior of the black box to imagine a resistor in series with a voltage source. When there is 100 volts applied to the black box terminals, the current is zero. How can this happen? One way this could happen would be if there were a 100 volt source in the box connected in series with the resistor with such a polarity as to oppose the externally applied 100 volts. Do you grok this?

Does this make sense to you?
 
  • #19
The Electrician said:
I got you 90% of the way there with this:



Does this make sense to you?

Somewhat, I understand why you'd get zero at the terminals (because its a short circuit?)
 
  • #20
There's no short.

The problem statement says that the black box "...has two terminals, which are in turn, part of a larger circuit."

What that means is that the "larger circuit" as it operates, is applying various voltages to the black box. When 100 volts is applied, no current flows. Applying 100 volts is not the same as applying a short circuit. There is a source of voltage inside the box which opposes the externally applied (by the larger circuit) voltage.

If you imagine a 100 volt source in series with the resistor in the box, you can imagine that the polarity of that 100 volt source cancels out 100 volts worth of the externally applied voltage.
 
  • #21
Ok, but the problem specifically states that it needs to be a current source with the resistor? And I guess I don't understand how 100 volts cancels out 100 volts? I thought all the voltages needed to be going the same way in a circuit or the thing would fry?
 
  • #22
OK, forget about the parallel arrangement for the moment. We need to help you understand what's going on in the box. Let me try to explain how cancellation of voltage can take place.

First, imagine you have a box with a 5Ω resistor in it, and you apply a 100 volt source outside the box, like this:

attachment.php?attachmentid=55564&stc=1&d=1360442788.png


You should be able to figure out what the current in the resistor is, right?

Now, suppose you have another 100 volt source in the box, arranged so the positive from the outside source was connected to the negative of the 100 volt source inside the box, like this:

attachment.php?attachmentid=55565&stc=1&d=1360442788.png


Now you have 200 volts applied to the 5Ω resistor, and you can calculate the current in the resistor.

Finally, here's an arrangement where the positive of the external source is connected to the positive of the internal source:

attachment.php?attachmentid=55566&stc=1&d=1360442788.png


Now we have 100 minus 100 volts applied to the 5Ω resistor. What is the current in the resistor now?

Are you with me so far in understanding how the external 100 volt source can be either aided or opposed depending on how the internal 100 volt source is connected?
 

Attachments

  • Box3.png
    Box3.png
    378 bytes · Views: 541
  • Box2.png
    Box2.png
    383 bytes · Views: 523
  • Box1.png
    Box1.png
    331 bytes · Views: 586
  • #23
Kevin2341 said:
(how the heck do you say that guys name anyway?)
Thévenin, pronounced TAY ven in :wink:
 
  • #24
The Electrician said:
OK, forget about the parallel arrangement for the moment. We need to help you understand what's going on in the box. Let me try to explain how cancellation of voltage can take place.

First, imagine you have a box with a 5Ω resistor in it, and you apply a 100 volt source outside the box, like this:

attachment.php?attachmentid=55564&stc=1&d=1360442788.png


You should be able to figure out what the current in the resistor is, right?

Now, suppose you have another 100 volt source in the box, arranged so the positive from the outside source was connected to the negative of the 100 volt source inside the box, like this:

attachment.php?attachmentid=55565&stc=1&d=1360442788.png


Now you have 200 volts applied to the 5Ω resistor, and you can calculate the current in the resistor.

Finally, here's an arrangement where the positive of the external source is connected to the positive of the internal source:

attachment.php?attachmentid=55566&stc=1&d=1360442788.png


Now we have 100 minus 100 volts applied to the 5Ω resistor. What is the current in the resistor now?

Are you with me so far in understanding how the external 100 volt source can be either aided or opposed depending on how the internal 100 volt source is connected?

Ok, so what happens is you have a voltage source ( I'm kind of thinking of it as someone stuck a battery in the wrong way lol).

So basically, you get your two voltage sources equalling positive 100v and negative 100v, and the equal opposites cancel each other out. So the current would be 0.

I think I see where you're going at with this! My initial values state:
V: 100, A: 0
V: 120, A: 4
V: 140, A: 8
V: 160, A: 12
V: 180, A: 16

Well, these numbers if you subtract one hundred from them all, and divide them by 5, give you those numbers.

I'm still a little confused to as what exactly I'm supposed to do with a current source however. The problem specifically says model it with a current source, but first of all, I have no idea what a current source is in a real life application (that's usually what helps me visualize this stuff in all reality), and second, my attempts here at building a circuit that functions off of this "current source" aren't yielding any numbers that are correct.
 
  • #25
Kevin2341 said:
I think I see where you're going at with this! My initial values state:
V: 100, A: 0
V: 120, A: 4
V: 140, A: 8
V: 160, A: 12
V: 180, A: 16

Well, these numbers if you subtract one hundred from them all, and divide them by 5, give you those numbers.

You've got it! Pretty cool, huh?

Kevin2341 said:
I'm still a little confused to as what exactly I'm supposed to do with a current source however. The problem specifically says model it with a current source, but first of all, I have no idea what a current source is in a real life application (that's usually what helps me visualize this stuff in all reality), and second, my attempts here at building a circuit that functions off of this "current source" aren't yielding any numbers that are correct.

Thevenin's and Norton's theorems provide two different ways to model the behavior at the terminals of a black box.

Basically what Thevenin says is that if you have a black box with two terminals, and in that black box are a bunch (network) of resistors and voltage and/or current sources, all hooked up in any way whatsoever, with the black box terminals connecting to two points within that complicated network, you can represent the behavior at the two terminals with a single voltage source and a single resistor in series with that voltage source.

Norton says that with the same network in the black box, you can equally well represent the behavior at the terminals with a current source in parallel with a single resistor.

This means that you can always convert a Thevenin equivalent to a Norton equivalent. The Norton equivalent is what your problem is asking for.

You figured out how to answer the question with a Thevenin equivalent. Now go do some independent research and learn how to convert a Thevenin equivalent to a Norton equivalent.
 

Similar threads

Replies
15
Views
3K
  • · Replies 6 ·
Replies
6
Views
2K
  • · Replies 1 ·
Replies
1
Views
2K
  • · Replies 7 ·
Replies
7
Views
3K
  • · Replies 3 ·
Replies
3
Views
2K
  • · Replies 2 ·
Replies
2
Views
2K
Replies
0
Views
2K
  • · Replies 2 ·
Replies
2
Views
2K
  • · Replies 2 ·
Replies
2
Views
2K
  • · Replies 34 ·
2
Replies
34
Views
6K