Discussing Stagger tuning in VHF receivers....

  • Thread starter Thread starter brainbaby
  • Start date Start date
  • Tags Tags
    Tuning
Click For Summary

Discussion Overview

The discussion revolves around stagger tuning in VHF receivers, focusing on the implications of stagger tuning on voltage amplification and bandwidth. Participants explore the relationship between gain, bandwidth, and the effects of staggering two single tuned circuits, raising questions about discrepancies in explanations and the significance of the "one-half" factor in gain calculations.

Discussion Character

  • Debate/contested
  • Technical explanation
  • Mathematical reasoning
  • Experimental/applied

Main Points Raised

  • Some participants note a discrepancy between two statements regarding stagger tuning: one suggests that it reduces total voltage amplification to half, while another states that the staggered pair voltage amplification remains the same as a single tuned stage.
  • There is discussion about how increasing the quality factor (Q) affects gain, with some suggesting that decreasing bandwidth raises gain.
  • Participants express confusion about the meaning and origin of the "one-half" factor in the context of stagger tuning, questioning whether it is a normalizing factor or a specific characteristic of the tuning process.
  • Some argue that stagger tuning allows for equivalent voltage amplification per stage as a single tuned stage, despite the increase in individual gain due to a higher Q.
  • One participant emphasizes that the gain of two cascaded amplifiers is typically the product of their individual gains, but stagger tuning results in a net gain that is half of the unstaggered value under specific conditions.
  • There are suggestions for visualizing the effects of stagger tuning through mathematical modeling and graph plotting, with some participants advocating for practical simulation using software tools.
  • Technical details about the requirements for simulating stagger tuned circuits in LTspice are discussed, including the importance of selecting appropriate component values and considering source resistance.

Areas of Agreement / Disagreement

Participants express various viewpoints regarding the implications of stagger tuning, with no clear consensus on the significance of the "one-half" factor or the overall effects of stagger tuning on gain and bandwidth. The discussion remains unresolved with multiple competing interpretations.

Contextual Notes

Participants highlight the complexity of the relationship between gain, bandwidth, and stagger tuning, indicating that assumptions about the behavior of the circuits may vary. The discussion also points to the need for clarity in the mathematical representation of stagger tuning effects.

Who May Find This Useful

Individuals interested in VHF receiver design, amplifier theory, and circuit simulation may find this discussion relevant, particularly those exploring the nuances of stagger tuning and its implications for circuit performance.

brainbaby
Messages
232
Reaction score
5
Hi Friends and Happy new year to all,

It confused me as I see two different statement yet explaining same thing…..

First para *in highlight states that stagger tuning of two single tuned circuits stagger to the amount equal to their bandwidth reduce the total voltage amplification of the resultant curve to HALF amount to the value obtained before stagger tuning.

and something different has been stated a little bit ahead..

Second para *in highlight states that after decreasing bandwidth to an amount and staggering the circuits to the new value of bandwidth obtained, the stagger pair voltage amplification will be the SAME as of the single tuned stage.

Why this discrepancy…??

fig_stag.png


Thanks!
 

Attachments

  • 1_STAG.png
    1_STAG.png
    69.8 KB · Views: 763
  • 2 STAG.png
    2 STAG.png
    66.2 KB · Views: 676
  • fig_stag.png
    fig_stag.png
    30.4 KB · Views: 1,048
Engineering news on Phys.org
brainbaby said:
Second para *in highlight states that after decreasing bandwidth to an amount and staggering the circuits to the new value of bandwidth obtained, the stagger pair voltage amplification will be the SAME as of the single tuned stage.
Decreasing bandwidth (by raising Q, as he said) raises gain.
brainbaby said:
Why this discrepancy…??
I think he explained it.
upload_2018-1-2_1-39-19.png
 

Attachments

  • upload_2018-1-2_1-39-19.png
    upload_2018-1-2_1-39-19.png
    13.1 KB · Views: 673
Increase Q to increase gain according to relation Q = ƒr /BW is quite acceptable to me.

Screen Shot 2018-01-02 at 6.17.51 pm.png


where does one-half comes from. Is it the magic of staggered tuning.
or it could be thought like this..
In first para at a certain value of gain the circuits are staggered to a fixed similar amount delta 1.
now in second para...
At staggering tuning makes gain goes down to half of the two stages. But if any how the staggered amount is maintained constant and the gain is increased then still the stagger tuning will force the gain to reduce down to half but mathematically half of the product of increased gain will provide a value that will be equal to initial value of gain of single tuned circuit . So I think so that it is just a kind of compensation of an increased gain value.

But I am still doubt full about the existence of "one-half"...please clarify??
 

Attachments

  • Screen Shot 2018-01-02 at 6.17.51 pm.png
    Screen Shot 2018-01-02 at 6.17.51 pm.png
    15.9 KB · Views: 669
brainbaby said:
But I am still doubt full about the existence of "one-half".
Is it not just a normalising factor?
 
sophiecentaur said:
Is it not just a normalising factor?
The overall gain of two cascaded amplifier is equal to the product of their individual gain...but here in case of stagger tuning its half of the product of their indivdual gain...thats why I maybe thought like that...
Still isn't clear of "one half"
 
brainbaby said:
Still isn't clear of "one half"
If you read the link carefully it says the gain is half of the tuned version. The product of the gains at any particular frequency gives the overall gain (as you say) but the two gains are never A at the same frequency. With the appropriate stagger, you have a resulting net gain of half the unstaggered value. This '1/2' value only applies for one particular value of stagger. If you stagger them by a lot, the gain will be zero!
I think the link could have explained it better. :smile:
Aoverall (f) = A1(f) . A2(f)
but you know this already. The link has just picked a particular offset and made it appear that the result is for the general case.
 
  • Like
Likes   Reactions: brainbaby
Ya ...1/2 is not with the formula..which I initially thought it was...rather it is just to signify half value of the gain at a particular instant...an interim value

But still I am struggling with some doubt...
The amount of stagger tuning is same in both the paras. In first para it is delta 1 and in the second para it is some new value as the individual bandwidth is decreased...but technically both cases are same since the stagger amount is same and the individual gain increases by increasing the quality factor...now if gain is increased the product of the two will obviously be a larger value resulting in larger overall gain but stagger tuning is making it possible to have equivalent voltage amplification per stage as of single tuned stage...i.e after decreasing the bandwidth gain is increased by a factor of 1.4...i.e 1.4X1.4 = 1.96 nearly 2...but stagger tuning has done some background work or kind of compensation to make the gain equal to that of single tuned stage...I need that visualization...??
 
brainbaby said:
Ya ...1/2 is not with the formula..which I initially thought it was...rather it is just to signify half value of the gain at a particular instant...an interim value

But still I am struggling with some doubt...
The amount of stagger tuning is same in both the paras. In first para it is delta 1 and in the second para it is some new value as the individual bandwidth is decreased...but technically both cases are same since the stagger amount is same and the individual gain increases by increasing the quality factor...now if gain is increased the product of the two will obviously be a larger value resulting in larger overall gain but stagger tuning is making it possible to have equivalent voltage amplification per stage as of single tuned stage...i.e after decreasing the bandwidth gain is increased by a factor of 1.4...i.e 1.4X1.4 = 1.96 nearly 2...but stagger tuning has done some background work or kind of compensation to make the gain equal to that of single tuned stage...I need that visualization...??
Why not just go along with the Maths and forget any possible confusion about 'numbers' in that presentation? Calculate the passband shape for a range of offsets, leaving out any normalising factor. Graph plotting of a function is not hard and there are many apps that will do it for you. Most spreadsheets will let you do it and give you the "visualisation" that you want. Good practice at simple coding, too!
 
  • Like
Likes   Reactions: brainbaby
An amplifier does not have one gain, it has a transfer function that describes amplitude and phase relative to the input over a range of frequency. The product of two transfer functions is done at each frequency. If you measure the gain of two tuned circuits or amplifiers at different frequencies, then the product of those gains will be meaningless.

Stagger tuning overlaps the circuit responses in such a way that the transfer functions between the peaks cancel to give a maximally flat passband, while outside the band the transfer functions reinforce to steepen the skirts for greater attenuation.
 
  • Like
Likes   Reactions: NTL2009, brainbaby and sophiecentaur
  • #10
sophiecentaur said:
Most spreadsheets will let you do it

@Baluncore
Can you just provide me a spice simulation of a particular stagger tuned circuit at different value of staggering...
 
  • #11
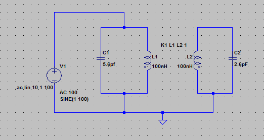
I am trying to simulate this circuit but I am confused regarding selecting the component values and how should I select the centre frequency for the tuned circuit and how to stagger them to three different values so that I could compare the result for analysis.
What feature does spice provides for staggering two tuned circuits..

template.PNG
 

Attachments

  • template.PNG
    template.PNG
    1.9 KB · Views: 1,082
  • #12
Post your LTspiceFile.asc as LTspiceFile.asc.txt
There must be L, C and R in a tuned circuit to get a finite Q.
 
  • #13
please find the file below
 

Attachments

  • #14
brainbaby said:
I am trying to simulate this circuit but I am confused regarding selecting the component values and how should I select the centre frequency for the tuned circuit and how to stagger them to three different values so that I could compare the result for analysis.
What feature does spice provides for staggering two tuned circuits..

View attachment 218074
For stagger tuning the two resonant circuits are separated by an amplifier. As baluncore says, the resistances in each circuit must be specified and you must include the source resistance. Are you showing a constant voltage source? This would have zero resistance and would prevent the circuit from operating.
 
  • #15
tech99 said:
Are you showing a constant voltage source?
My voltage source is a sine wave ac source with AC amplitude of 100 and a dc offset of 1.
 
  • #16
brainbaby said:
My voltage source is a sine wave ac source with AC amplitude of 100 and a dc offset of 1.
You need to know the resistance of the source and ensure that the tuned circuit has the required total value of resistance across it. You also need to use the correct value of resistance across the secondary, and you need to consider the resistance/impedance of the measuring device. You need to separate the two stages using an amplifier. Your voltage of 100 sounds remarkably high and will overload most amplifiers.
 
  • #17
tech99 said:
Your voltage of 100 sounds remarkably high
mV surely?
tech99 said:
For stagger tuning the two resonant circuits are separated by an amplifier.
Not in the old days. The two resonant circuits would be linked by mutual Inductance (and some C, too). Buffering with an amplifier is a 'new' idea - I don't know just how new. The calculations for linked resonant circuits were much more complicated and, personally, I would have used tables (simulations were well in the future).
 
  • Like
Likes   Reactions: dlgoff and brainbaby
  • #18
sophiecentaur said:
mV surely?

Not in the old days. The two resonant circuits would be linked by mutual Inductance (and some C, too). Buffering with an amplifier is a 'new' idea - I don't know just how new. The calculations for linked resonant circuits were much more complicated and, personally, I would have used tables (simulations were well in the future).
There are (were) two methods of making a broadband RF amplifier, such as for TV IF.
The first is to use interstage coupling by two tuned circuits which are coupled together and provide a flat topped band pass response. This was usually called bandpass coupling
The second is to use single tuned circuits between stages, and to de-tune each of them in order to broaden and flatten the response. The latter is what I understand by Stagger Tuning. It avoids the need for accurate mutual coupling, and the performance of the two systems was fairly similar, I believe.
As you mention, there are normalised tables for finding the responses.
With the bandpass system, it is usual to tune each circuit in isolation to the same frequency. However, Terman discusses the effect of staggering for this case also, and I recall that the overall effect is similar to altering the mutual coupling.

.
 
  • Like
Likes   Reactions: sophiecentaur
  • #19
@brainbaby
Remove the .txt suffix to try this LTspice code. It does a sweep of peak separation to show product of stagger tuning.
 

Attachments

  • #20
Model has a perfect voltage follower Bvf, and duplicates the low frequency side to plot transfer functions of the frequency staggered circuits and the product of the staggered pair.
model3.png


dB voltage
dB3.png


Linear voltage
lin3.png
 

Attachments

Last edited:
  • #21
tech99 said:
The second is to use single tuned circuits between stages, and to de-tune each of them in order to broaden and flatten the response. The latter is what I understand by Stagger Tuning. It avoids the need for accurate mutual coupling, and the performance of the two systems was fairly similar, I believe.

@Baluncore ..What I don't understand here is what is the requirement of buffering the two stages by using a voltage follower...as I was expecting a mutual coupling between two tuned stages in order to analyse stagger tuning..
 
  • #22
You need to make two symmetrical tuned circuits with very similar Qs. That requires you control the input and output impedance of each circuit since the Q is determined by the R of RLC. The voltage follower isolates the circuits so the input resistance of the second does not load the output of the first.

You need also to be able see the combined response by offsetting the centre frequencies of the two resonators in a controlled manner. But once you couple two resonators you cannot see the individual response of either. The mutual coupling must also be changed to compensate for the difference in frequency.

A double tuned transformer must have very low coupling to prevent the two circuits merging into one parallel combination, with the inductors becoming one and the capacitors in parallel. But low coupling represents a loss of signal energy. The coupling can be made arbitrarily small without loss of signal by inserting an amplifier stage between the resonators. That was done with IF strips, where each stage had maximum gain at staggered centre frequencies. The tuned IF transformers also provided the imprdance matching and level translation of collector voltage to base voltage between gain stages. It used to take some time with a sweep generator to adjust all the inductors in an IF strip to give an acceptable response.

The dB plot shows clearly why the staggered resonators, each with a maximum gain of 0 dB can result in a wider, maximally flat passband with an attenuation of 6dB.
 
  • #23
Baluncore said:
offsetting the centre frequencies of the two resonators in a controlled manner.
I guess that controlled manner here signifies that the total offset amount of central frequency should be equal to the bandwidth of individual stage.??
 
  • #24
brainbaby said:
I guess that controlled manner here signifies that the total offset amount of central frequency should be equal to the bandwidth of individual stage.??
That is true for the simple situation if you want a maximally flat response. Maybe it is better to have some ripple and a steeper wall.

Here is a version without the buffer, cut for 5% coupling. See what happens when you change the coupling. Higher coupling locks the resonators and pulls the frequencies out, while lower coupling increases the losses. It demonstrates the advantage of amplifiers.
PF_far_couple_1.png
 

Attachments

Last edited:
  • #25
Baluncore said:
mutual coupling must also be changed to compensate for the difference in frequency.

What kind of compensation are you talking about..I mean what's the requirement, since both the method either mutual coupling or offsetting centre frequency flattens the response?
 
Last edited:
  • #26
brainbaby said:
What kind of compensation are you talking about..I mean what's the requirement, since both the method either mutual coupling or offsetting centre frequency flattens the response?
Both models change the centre frequency of the resonators in exactly the same way.

One method isolates the resonators with a stage amplifier giving two independent sets of three parameters to adjust, in time proportional to the third power.

The other method adds the difficult to adjust transformer coupling parameter, makes all seven terms interdependent and restricts the possible solutions. You must adjust 7 terms to set the BW centre frequency, flatness, Q=skirt symmetry and match input and output impedance, (they will be different). The time to do that will be uneconomic, proportional to the seventh power.

I cheated making the model by having equal input and output impedances, by not matching the Q and by tracking four tuning changes with the earlier version component values and the ratiometric sweep parameter, p.
 
  • #27
Baluncore said:
Both models change the centre frequency of the resonators in exactly the same way.

One method isolates the resonators with a stage amplifier giving two independent sets of three parameters to adjust, in time proportional to the third power.

The other method adds the difficult to adjust transformer coupling parameter, makes all seven terms interdependent and restricts the possible solutions. You must adjust 7 terms to set the BW centre frequency, flatness, Q=skirt symmetry and match input and output impedance, (they will be different). The time to do that will be uneconomic, proportional to the seventh power.

I cheated making the model by having equal input and output impedances, by not matching the Q and by tracking four tuning changes with the earlier version component values and the ratiometric sweep parameter, p.
The results are very interesting. The staggering of mutually coupled circuits, rather than with an isolating stage, clearly creates design difficulties. The traditional approach when using mutually coupled circuits has been to use amplifiers with negligible loading and to use circuits tuned to the same frequency with the same Q, dictated either by their own losses or with shunt resistors.
 
  • #28
Baluncore said:
The other method adds the difficult to adjust transformer coupling parameter, makes all seven terms interdependent and restricts the possible solutions. You must adjust 7 terms to set the BW centre frequency, flatness, Q=skirt symmetry and match input and output impedance, (they will be different). The time to do that will be uneconomic, proportional to the seventh power.

I cheated making the model by having equal input and output impedances, by not matching the Q and by tracking four tuning changes with the earlier version component values and the ratiometric sweep parameter, p.

Could you please simply what you are trying to say...I think that it needs simplification..
 
  • #29
brainbaby said:
Could you please simply what you are trying to say...I think that it needs simplification.
Double tuned band pass filters are not that simple.
I think you should build an LTspice model of an IF stage, a two transistor amplifier with a mutually coupled double tuned transformer between the stages. See if you can get a maximally flat pass-band without a sloping top. Match the impedance of the first BJT collector to the primary resonator and the secondary resonator to the base of the second BJT. See how much gain can you get from that one stage of the strip. Then you will understand how to simply design it from scratch.
 
  • #30
My whole idea is to first synchronise the resonators to the same centre frequency and then observe the gain ...
in the second step i will vary the capacitance value of the second resonator which will shifts the value of centre frequency and will result in symmetric staggering..now again i will observe the gain..
and in the last step i will follow an asymmetric staggering by shifting centre frequency of second resonator to a different value..
Then a comparison between three curve will be fruitful which may lead me to some conclusion...

Meanwhile I need further help on this simlation as it seems I haven't chosen the component value correctly..
simulation isn't working..

Capture.PNG
 

Attachments

Similar threads

  • · Replies 29 ·
Replies
29
Views
4K
  • · Replies 1 ·
Replies
1
Views
2K
Replies
4
Views
7K
  • · Replies 7 ·
Replies
7
Views
4K
Replies
1
Views
2K
Replies
2
Views
3K
  • · Replies 16 ·
Replies
16
Views
5K
  • · Replies 1 ·
Replies
1
Views
2K
  • · Replies 62 ·
3
Replies
62
Views
11K
  • · Replies 1 ·
Replies
1
Views
2K