Electric circuit explanation question involving voltage changes

Click For Summary

Homework Help Overview

The discussion revolves around an electric circuit problem involving a lamp whose filament has broken, leading to changes in voltage readings and brightness in another lamp. Participants are exploring the implications of this failure in terms of circuit behavior, specifically focusing on voltage distribution and current flow in a parallel circuit setup.

Discussion Character

  • Exploratory, Conceptual clarification, Assumption checking

Approaches and Questions Raised

  • Participants discuss the effects of a broken lamp on circuit resistance and current flow, with various explanations being proposed regarding why the voltmeter reading decreases and why another lamp glows more brightly. Questions arise about the nature of resistors and the assumptions regarding fixed resistance in the context of the problem.

Discussion Status

The discussion is ongoing, with participants providing insights and clarifications about circuit behavior. Some guidance has been offered regarding the implications of Kirchhoff's Voltage Law and the nature of resistors in the circuit. Multiple interpretations of the circuit dynamics are being explored, particularly concerning how the failure of one lamp affects overall current and resistance.

Contextual Notes

Participants are working within the constraints of an AQA A-level physics past paper, which may simplify certain aspects of circuit behavior. There is uncertainty regarding the assumptions about lamp resistance and how it affects circuit calculations.

question dude
Messages
80
Reaction score
0

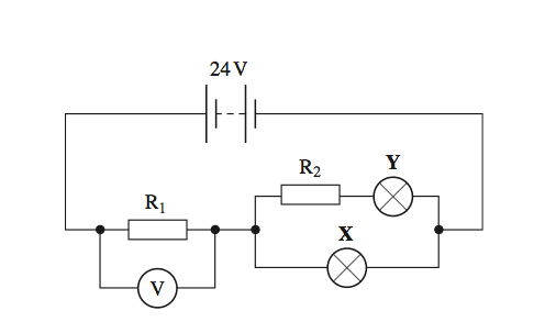
Homework Statement


attachment.php?attachmentid=188934&d=1356795405.png


The filament of the lamp in X breaks and the lamp no longer conducts. It is observed that the voltmeter reading decreased and the lamp Y glows more brightly.

a) Explain without calculation why the voltmeter reading decreases.

b) Explain without calculation why the lamp Y glows more brightly.

Homework Equations



R = V/I (R = resistance, V = voltage, I = current)

The Attempt at a Solution



I've thought of two explanations to why the voltmeter reading decreases. But I don't know which is the right one, or whether both are perfectly legit explanations:

1) Current now has to flow through one route (before the lamp at X broke, there were two routes), so resistance at the top branch (where lamp Y is) will increase. The whole circuit is now in series, which means that the battery's voltage will be divided up in accordance with the ratio of resistance between the two resistors. Because resistance at where lamp Y is has increased, this means that it will now take a larger share of the voltage, leaving less for the resistor where the voltmeter is placed at.

2) Before lamp X broke, there was a parallel circuit, current would've had to split off. Now that's gone, current flowing through lamp Y must be greater than what it was before. Hence using the R = V/I, we can figure out voltage for this part of the circuit will have increased, and because the battery's voltage hasn't changed, this must mean that there's less voltage at where the volt-meter is placed at.

Basically I'm not sure whether it is resistance OR current at the top branch (where lamp Y and resistor R2 is placed at) which has increased. To be honest, I'm not sure exactly what the rectangular box symbols mean, I know they are resistors, but I don't know if they are 'fixed' which means they'll produce the same resistance regardless of any other changes made in the circuit (if so, then that would suggest it is current which increases, not resistance)

and to complicate things further, do the lamps have resistance? (obviously in reality yes, but I'm not sure whether the question has simplified things - please note this isn't university level, this from an AQA A-level physics past paper) because if they do, the fact that lamp X has gone, would surely affect the amount of current flowing through the circuit (I = V/R).
 
Physics news on Phys.org
Neither description is ideal...

1) Current now has to flow through one route (before the lamp at X broke, there were two routes), so resistance at the top branch (where lamp Y is) will increase.

The resistance R2+RY does not change so this one fails at that point. I would have written...

"When X fails the current flowing through R1 reduces, therefore the voltage drop across R1 reduces."

2) Before lamp X broke, there was a parallel circuit, current would've had to split off. Now that's gone, current flowing through lamp Y must be greater than what it was before.

Taken in isolation someone might assume you mean the current through R1 remains constant and that's why more has to go through R2+Y when X fails.

I would have given the a written...

"When the voltage drop across R1 reduces, Kirchhoff's Voltage Law requires the voltage across R2+RY to increase. That in turn increases the current flowing through R2+RY and causes the bulb to glow more brightly."
 
To be honest, I'm not sure exactly what the rectangular box symbols mean, I know they are resistors, but I don't know if they are 'fixed' which means they'll produce the same resistance regardless of any other changes made in the circuit (if so, then that would suggest it is current which increases, not resistance)

Correct. They are fixed value resistors.

and to complicate things further, do the lamps have resistance? (obviously in reality yes, but I'm not sure whether the question has simplified things - please note this isn't university level, this from an AQA A-level physics past paper) because if they do, the fact that lamp X has gone, would surely affect the amount of current flowing through the circuit (I = V/R).

Lamps do have resistance. At this level you can probably assume they have a constant resistance unless told otherwise. In practice the resistance of a lamp filament changes with temperature but you can ignore that effect for this problem.
 
CWatters said:
Neither description is ideal...
The resistance R2+RY does not change so this one fails at that point. I would have written...

"When X fails the current flowing through R1 reduces, therefore the voltage drop across R1 reduces."Taken in isolation someone might assume you mean the current through R1 remains constant and that's why more has to go through R2+Y when X fails.

I would have given the a written...

"When the voltage drop across R1 reduces, Kirchhoff's Voltage Law requires the voltage across R2+RY to increase. That in turn increases the current flowing through R2+RY and causes the bulb to glow more brightly."

Thanks. I understand most of what you've said, apart from the bit in bold. Why is it that lamp X failing would cause the current flowing through R1 to reduce?

I mean, what's wrong with this alternative way of looking at things:

- before lamp X failed, current flowing through the R1 (basically anywhere in the circuit which isn't in parallel) represents the 'total' current. When the wire reaches the junction before the parallel part of the circuit, this 'total' current splits off

- after lamp X failed, 'total' current remains what it was before. However instead of only a fraction of this 'total' current passing through the top branch of the parallel (R2 and lamp Y), the whole of the 'total' current will now flow through there.
 
CWatters said:
Correct. They are fixed value resistors.

wait, so are you saying that I'm also correct in thinking current increases?
 
question dude said:
- after lamp X failed, 'total' current remains what it was before. However instead of only a fraction of this 'total' current passing through the top branch of the parallel (R2 and lamp Y), the whole of the 'total' current will now flow through there.

But the total current does NOT remain the same as it was before. The net resistance of the parallel segment has increased since one of its conduction paths has disappeared, so the total resistance that the source "sees" increases. More resistance ---> less current.
 
gneill said:
But the total current does NOT remain the same as it was before. The net resistance of the parallel segment has increased since one of its conduction paths has disappeared, so the total resistance that the source "sees" increases. More resistance ---> less current.

Oh I see now.

But hypothetically, is it possible that the net resistance of the parallel segment was greater when it was still intact?

because apparently even lamps have resistance, so if lamp X had a much greater resistance than R2 and lamp Y, then it is possible that instead of increasing, the net resistance at the parallel segment would actually reduce after lamp X failed. Is this right?
 
question dude said:
Oh I see now.

But hypothetically, is it possible that the net resistance of the parallel segment was greater when it was still intact?

because apparently even lamps have resistance, so if lamp X had a much greater resistance than R2 and lamp Y, then it is possible that instead of increasing, the net resistance at the parallel segment would actually reduce after lamp X failed. Is this right?

Nope. The net resistance of any two resistors in parallel is always less then either of the two individual resistors. Each resistor in parallel presents an additional path for current to flow (sort of like adding water pipes in parallel; the total current is greater with more paths, even if some are narrower than others).

You can confirm this by considering the formula for the net resistance of two parallel resistors: R = R1*R2/(R1 + R2). Choose a value for R1 and try different values for R2 to see what the net resistance is (or better yet, produce a plot sweeping R2 from zero through, say, 10 times R1). You'll find that the net resistance is always less than either of the individual values.
 
gneill said:
Nope. The net resistance of any two resistors in parallel is always less then either of the two individual resistors. Each resistor in parallel presents an additional path for current to flow (sort of like adding water pipes in parallel; the total current is greater with more paths, even if some are narrower than others).

You can confirm this by considering the formula for the net resistance of two parallel resistors: R = R1*R2/(R1 + R2). Choose a value for R1 and try different values for R2 to see what the net resistance is (or better yet, produce a plot sweeping R2 from zero through, say, 10 times R1). You'll find that the net resistance is always less than either of the individual values.

yeah it all checks out

btw does this also hold true for more than two resistors in parallel? (more than two separate routes)
 
  • #10
question dude said:
yeah it all checks out

btw does this also hold true for more than two resistors in parallel? (more than two separate routes)

Yup. The resistance can be no higher than the smallest resistance in the set (and it can only be that large if all the other resistors have essentially "infinite" values by comparison).
 

Similar threads

Replies
14
Views
2K
Replies
14
Views
971
Replies
3
Views
2K
  • · Replies 9 ·
Replies
9
Views
2K
Replies
9
Views
1K
  • · Replies 5 ·
Replies
5
Views
2K
  • · Replies 3 ·
Replies
3
Views
2K
Replies
4
Views
2K
Replies
9
Views
1K
  • · Replies 13 ·
Replies
13
Views
2K