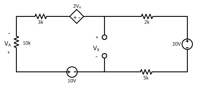
Find the value of Vx and power dissipated

Click For Summary
SUMMARY

The discussion focuses on solving for the voltage Vx and the power dissipated by a dependent source in a circuit analysis problem. The user employs Kirchhoff's Voltage Law (KVL) to formulate the equation 10 + 3Va + 10kI = 0 but struggles with the number of unknowns versus equations. A suggestion is made to express Va in terms of the 10k resistor and current I to create an additional equation, facilitating the solution of the circuit.

PREREQUISITES
  • Understanding of Kirchhoff's Voltage Law (KVL)
  • Basic circuit analysis techniques
  • Familiarity with dependent sources in electrical circuits
  • Knowledge of Ohm's Law and resistor calculations
NEXT STEPS
  • Study dependent source analysis in circuit theory
  • Learn how to apply KVL in complex circuits
  • Explore techniques for solving systems of equations in circuit analysis
  • Review power calculations in electrical circuits
USEFUL FOR

Electrical engineering students, circuit designers, and anyone involved in circuit analysis and problem-solving in electronics.

FRZY
Messages
1
Reaction score
0

Homework Statement


I'm looking to find the value of Vx and power dissipated or provided by the dependent source.

dfkmkz.jpg

Homework Equations



I used KVL to get around the loop, but I'm not sure if that's correct.

The Attempt at a Solution



The main loop I get 10+3Va+10kI = 0.

No clue what to do next. I keep thinking left and right loop, but I already see 4 unknowns 3 equations. Unless I need a junction where I1=-I2. I just don't get it.
Please help, or get my on the right track.
 
Last edited:
Physics news on Phys.org


Your equation looks okay. One equation, 2 unknowns. You need another one. Consider expressing VA in terms of the 10K resistor and I.
 

Similar threads

  • · Replies 3 ·
Replies
3
Views
2K
Replies
8
Views
2K
Replies
22
Views
4K
  • · Replies 32 ·
2
Replies
32
Views
10K
  • · Replies 4 ·
Replies
4
Views
9K
Replies
3
Views
4K
  • · Replies 4 ·
Replies
4
Views
2K
Replies
51
Views
17K
  • · Replies 51 ·
2
Replies
51
Views
20K
  • · Replies 10 ·
Replies
10
Views
11K