Finding the currents in this circuit (2 voltage sources and 3 resistors)

Click For Summary

Homework Help Overview

The discussion revolves around analyzing a circuit with two voltage sources and three resistors, focusing on finding the currents through the components using Kirchhoff's laws. Participants are attempting to set up equations based on their interpretations of the circuit diagram.

Discussion Character

  • Mixed

Approaches and Questions Raised

  • Participants are setting up systems of equations based on Kirchhoff's rules, with some attempting to express currents in terms of each other. There are questions about the correctness of the loop equations and the assumptions made regarding current directions.

Discussion Status

The discussion includes various attempts to derive equations, with some participants questioning the validity of their setups. There is an ongoing exploration of the implications of current directions and voltage contributions, with no clear consensus on the correctness of the approaches yet.

Contextual Notes

Some participants express confusion regarding the circuit diagram and the assumptions about current flow, which may affect their equations. There are indications of differing interpretations of the loop directions and voltage polarities in the circuit.

Nat1234123
Messages
6
Reaction score
0
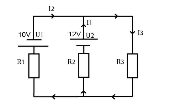
Homework Statement
Which current ratings do I1, I2 and I3 have if the resistances hold R1 = 0.1 ohm, R2 = 0.02 Ohm and R3 = 0.2 Ohm?
Relevant Equations
U = IR
1/R = 1/R_1 + 1/R_2 + ....
I1 = I2 + I3
In my attempt, I tried
1) I1 = I2 + I3
Then set up these two equations based on Kirchhoff's second rule:
2) U1 = R1 (I2) + R3 (I3) and
3) U1 + U2 = R1 (I1) + R2 (I3).
From what we have
10 = 0.1* I_2 + 0.2 * I_3
22 = 0.1* I_2 + 0.02*I_3

I_3 = 50 - 0.5 I_2

That means
I_2 = 233.3 A
I_3 = -66.7A
I1 = 166.6A
My answer is completely off.
 

Attachments

  • oki.PNG
    oki.PNG
    3.9 KB · Views: 311
Physics news on Phys.org
Nat1234123 said:
In my attempt, I tried
1) I1 = I2 + I3
That does not comport with your drawing.
 
phinds said:
That does not comport with your drawing.
If I fix that part, will the rest be right then?
 
Nat1234123 said:
If I fix that part, will the rest be right then?
No. Start there and rework the problem.
 
Substitute I3=z, I2=y and I1=x.

System of equations:
z = y + x
12−0.2z−0.02x=0
−10+0.2z+0.1y=0

From second and third equation solve:
x=−10z+600
y=100−2z

Add these to the first:
z=(100−2z)+(−10z+600)
z=700/13
z~53,85

Thus I3~53,85 , I2~-7,7 and I1~61,5

Hope this helps!
 
erpelkon said:
Substitute I3=z, I2=y and I1=x.

System of equations:
z = y + x
12−0.2z−0.02x=0
−10+0.2z+0.1y=0
. . .

Hope this helps!
Your second loop equation (the last equation I quoted above) is incorrect. Which direction around the loop did you use?
 
SammyS said:
Your second loop equation (the last equation I quoted above) is incorrect. Which direction around the loop did you use?
How come? Clockwise, i.e. U2 is positive direction and U1 is negative direction.
 
erpelkon said:
How come? Clockwise, i.e. U2 is positive direction and U1 is negative direction.
oki-png.png

Previously I quoted the following from your Post #5.
erpelkon said:
Substitute I3=z, I2=y and I1=x.

System of equations:
z = y + x
12−0.2z−0.02x=0
−10+0.2z+0.1y=0
The loop equation I referred to is:
##\displaystyle \quad −10+0.2z+0.1y=0 \ ##.

You are correct in that going clockwise around the outer loop the voltage contribution from ##U_1## is ##-\,10## volts. However, the clockwise direction around this loop is also consistent with the given choice of current direction for both ##I_2## and ##I_3##, so both give voltage drops (negative) across their respective resistors. In other words that loop equation should be:

##\displaystyle \quad -U_1-I_3 R_3 - I_2 R_1 = 0## .Your other equations are correct.
 
SammyS said:
View attachment 337612
Previously I quoted the following from your Post #5.

The loop equation I referred to is:
##\displaystyle \quad −10+0.2z+0.1y=0 \ ##.

You are correct in that going clockwise around the outer loop the voltage contribution from ##U_1## is ##-\,10## volts. However, the clockwise direction around this loop is also consistent with the given choice of current direction for both ##I_2## and ##I_3##, so both give voltage drops (negative) across their respective resistors. In other words that loop equation should be:

##\displaystyle \quad -U_1-I_3 R_3 - I_2 R_1 = 0## .Your other equations are correct.
So basically higher voltage U2 is "charging" lower voltage U1 since given the orientation of U1 the current is reversed! Agreed!
 
  • #10
erpelkon said:
So basically higher voltage U2 is "charging" lower voltage U1 since given the orientation of U1 the current is reversed! Agreed!
I wouldn't put it that way, because you will find out that ##I_2## (which you relabeled as y) is negative, so the current flows through ##U_1## from the negative terminal to the positive terminal, opposite the direction chosen for ##I_2## in your drawing.
 
  • #11
SammyS said:
I wouldn't put it that way, because you will find out that ##I_2## (which you relabeled as y) is negative, so the current flows through ##U_1## from the negative terminal to the positive terminal, opposite the direction chosen for ##I_2## in your drawing.

But after calculus one will find out I1 to be the largest and not I3, thus U1 has to be a load and not a source?
 

Similar threads

Replies
4
Views
1K
Replies
7
Views
2K
Replies
22
Views
4K
  • · Replies 8 ·
Replies
8
Views
2K
Replies
2
Views
7K
  • · Replies 9 ·
Replies
9
Views
4K
  • · Replies 12 ·
Replies
12
Views
2K
  • · Replies 2 ·
Replies
2
Views
1K
  • · Replies 9 ·
Replies
9
Views
2K
Replies
10
Views
2K