Finding Thevenin Equivalent with Dependent Source

Click For Summary
SUMMARY

The discussion focuses on finding the Thevenin Equivalent of a circuit with a dependent source using KCL (Kirchhoff's Current Law) and node voltage analysis. The user successfully calculated the open circuit voltage for the Thevenin voltage using the mesh current method but encountered difficulties when attempting to find the closed circuit current after shorting points A and B. The confusion arises from the resulting equations yielding 0 = 0, indicating a need for a different approach to analyze the remaining circuit nodes and components, particularly the potential across the shorted points and the 50 kΩ resistor.

PREREQUISITES
  • Understanding of Thevenin's Theorem
  • Proficiency in KCL (Kirchhoff's Current Law)
  • Familiarity with mesh current analysis
  • Knowledge of dependent sources in electrical circuits
NEXT STEPS
  • Review techniques for analyzing circuits with dependent sources
  • Study methods for applying KCL in node voltage analysis
  • Learn about Thevenin's Equivalent Circuit and its applications
  • Practice solving circuit problems involving short circuits and open circuits
USEFUL FOR

Electrical engineering students, circuit designers, and anyone involved in circuit analysis who seeks to deepen their understanding of Thevenin equivalents and dependent sources.

Matt O
Messages
12
Reaction score
0

Homework Statement


d0298ce523.png

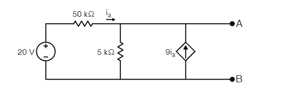
I am trying to find the Thevenin Equivalent of this circuit

Homework Equations


Using KCL and node voltage

The Attempt at a Solution


I found the open circuit voltage for the thevenin voltage so far by the mesh current method, and now I am trying to find the closed circuit current. When I connect the short from A to B, that shorts out the resistor so there are two loops left. Now I'm confused at this step. There are only two nodes in the circuit left, and anywhere I try to write KCL or KVL equations I just get 0 = 0. How do I proceed forward?
 
Physics news on Phys.org
If you have shorted AB then what is the potential across AB? How about the potential across the 50 k resistor?
 

Similar threads

  • · Replies 2 ·
Replies
2
Views
2K
  • · Replies 6 ·
Replies
6
Views
2K
  • · Replies 6 ·
Replies
6
Views
3K
Replies
7
Views
1K
  • · Replies 6 ·
Replies
6
Views
3K
  • · Replies 10 ·
Replies
10
Views
3K
Replies
1
Views
2K
  • · Replies 8 ·
Replies
8
Views
2K
Replies
4
Views
2K
Replies
10
Views
3K