What is the Thevenin and Norton equivalent for the given circuit in Fig. 4.125?

  • Thread starter Thread starter Abdulwahab Hajar
  • Start date Start date
  • Tags Tags
    Resistance Thevenin
Click For Summary

Homework Help Overview

The discussion revolves around determining the Thevenin and Norton equivalents at terminals a-b of a given circuit. Participants are analyzing the configuration of resistors in the circuit, particularly focusing on how to combine them to find equivalent resistance.

Discussion Character

  • Exploratory, Assumption checking, Problem interpretation

Approaches and Questions Raised

  • Participants discuss the method of finding equivalent resistance by turning off independent sources and question the series and parallel configurations of resistors. There are inquiries about the implications of short-circuiting terminals and how it affects resistance calculations.

Discussion Status

The conversation is ongoing, with participants exploring different interpretations of resistor combinations. Some guidance has been provided regarding the identification of parallel and series connections, but no consensus has been reached on the final approach to the problem.

Contextual Notes

Participants are working with the constraints of a specific circuit diagram and are attempting to clarify their understanding of resistor combinations under different configurations. There is an emphasis on the need for clear definitions of nodes when discussing equivalent resistance.

Abdulwahab Hajar
Messages
56
Reaction score
2

Homework Statement


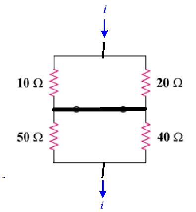
Determine the Thevenin and Norton equivalents at terminals a-b of the circuit in Fig. 4.125. The figure is uploaded.

Homework Equations


We know that the Thevenin resistance is the resistance between the terminals when the independent sources are turned off.

The Attempt at a Solution


1) We make the current source an open circuit, and then we find the equivalent resistance... The solution manual says that 10Ω and 20Ω resistors are in series, and that the 50Ω and the 40Ω resistors are in series, and that these combinations are in parallel to each other.
However it doesn't make sense they can't be in series... because if they are in series the same current should pass through them and if a current passes from the 10Ω to the 20Ω resistor why can't it pass through the rest of the resistors as a path exists making them all in series..??

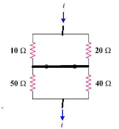
2) I'm also wondering about what would happen in another configuration suppose we short circuit terminals a and b. How would the resistance be found then wouldn't the 10Ω and 20Ω resistors be in parallel. similarly the 50Ω and 40Ω would be in parallel and their combinations in series??

Thank you for all the help
it's highly appreciated
 

Attachments

  • Thevenin resistance question.png
    Thevenin resistance question.png
    2.9 KB · Views: 703
  • Thevenin resistance second question.png
    Thevenin resistance second question.png
    2 KB · Views: 579
Physics news on Phys.org
Abdulwahab Hajar said:

Homework Statement


Determine the Thevenin and Norton equivalents at terminals a-b of the circuit in Fig. 4.125. The figure is uploaded.

Homework Equations


We know that the Thevenin resistance is the resistance between the terminals when the independent sources are turned off.

The Attempt at a Solution


1) We make the current source an open circuit, and then we find the equivalent resistance... The solution manual says that 10Ω and 20Ω resistors are in series, and that the 50Ω and the 40Ω resistors are in series, and that these combinations are in parallel to each other.
However it doesn't make sense they can't be in series... because if they are in series the same current should pass through them and if a current passes from the 10Ω to the 20Ω resistor why can't it pass through the rest of the resistors as a path exists making them all in series..??
You're only interested in paths from a to b since you're looking for the resistance between the open terminals a and b. There are two independent paths:

upload_2017-1-10_8-20-50.png

2) I'm also wondering about what would happen in another configuration suppose we short circuit terminals a and b. How would the resistance be found then wouldn't the 10Ω and 20Ω resistors be in parallel. similarly the 50Ω and 40Ω would be in parallel and their combinations in series??
Resistance between what two nodes? If you short out a and b, they become the same node.
 
  • Like
Likes   Reactions: Abdulwahab Hajar
Abdulwahab Hajar said:
if a current passes from the 10Ω to the 20Ω resistor why can't it pass through the rest of the resistors as a path exists making them all in series..??
When you are finding the equivalent resistance between a and b, it is the equivalent resistance "seen" by a voltage source placed between a and b. Put a battery between a and b and you'll see how the two currents flow.
 
  • Like
Likes   Reactions: Abdulwahab Hajar
gneill said:
You're only interested in paths from a to b since you're looking for the resistance between the open terminals a and b. There are two independent paths:

View attachment 111343

Resistance between what two nodes? If you short out a and b, they become the same node.
I know that they become the same node...
My question is how would you combine the resistors in this case?
 
cnh1995 said:
When you are finding the equivalent resistance between a and b, it is the equivalent resistance "seen" by a voltage source placed between a and b. Put a battery between a and b and you'll see how the two currents flow.
Thanks got it
 
Abdulwahab Hajar said:
I know that they become the same node...
My question is how would you combine the resistors in this case?
Resistance is like voltage, you need two points to define the resistance between. What two points are you going to "view" the resistance between as you combine them?
 
  • Like
Likes   Reactions: Abdulwahab Hajar
gneill said:
Resistance is like voltage, you need two points to define the resistance between. What two points are you going to "view" the resistance between as you combine them?
Between these two lines that I drew just now... I uploaded a pic
The top and bottom
 

Attachments

  • Thevenin resistance second question.png
    Thevenin resistance second question.png
    2 KB · Views: 486
You should be able to identify the parallel pairs of resistors. Once you've defined the two points between which you want to find the net resistance, you've also established the nodes where external current can flow into and out of the network. That in turn dictates what components have parallel connections:

upload_2017-1-10_8-58-22.png
 
  • Like
Likes   Reactions: Abdulwahab Hajar
gneill said:
You should be able to identify the parallel pairs of resistors. Once you've defined the two points between which you want to find the net resistance, you've also established the nodes where external current can flow into and out of the network. That in turn dictates what components have parallel connections:

View attachment 111345
well the 10Ω and 20Ω resistors are in parallel since they are connected to the same nodes. similarly the 50Ω and 40Ω are also in parallel for the same reason.
Does it work like that??
 
  • #10
Abdulwahab Hajar said:
well the 10Ω and 20Ω resistors are in parallel since they are connected to the same nodes. similarly the 50Ω and 40Ω are also in parallel for the same reason.
Does it work like that??
Yes.
 
  • Like
Likes   Reactions: Abdulwahab Hajar
  • #11
gneill said:
Yes.
Thank you
 

Similar threads

  • · Replies 2 ·
Replies
2
Views
2K
Replies
4
Views
2K
  • · Replies 3 ·
Replies
3
Views
2K
  • · Replies 31 ·
2
Replies
31
Views
5K
  • · Replies 3 ·
Replies
3
Views
3K
  • · Replies 6 ·
Replies
6
Views
2K
  • · Replies 8 ·
Replies
8
Views
2K
Replies
4
Views
2K
  • · Replies 10 ·
Replies
10
Views
1K
  • · Replies 6 ·
Replies
6
Views
3K