Thevenin equivalent (symbolic circuit calculation)

Click For Summary

Homework Help Overview

The discussion revolves around finding the Thevenin equivalent of a circuit, focusing on symbolic calculations and the identification of impedances in series and parallel configurations. Participants are exploring the transformation of the circuit and the implications of a star connection to ground.

Discussion Character

  • Exploratory, Assumption checking, Problem interpretation

Approaches and Questions Raised

  • Participants discuss the need to define specific nodes for the Thevenin equivalent and question the original poster's understanding of the circuit configuration. There are mentions of using star-delta transformations and standard circuit analysis methods to approach the problem.

Discussion Status

The discussion is active, with participants providing guidance on defining nodes and suggesting methods for analysis. There is no clear consensus, as some participants express frustration over the clarity of the original poster's questions.

Contextual Notes

Participants note the importance of defining the nodes for the Thevenin equivalent and the challenges posed by the circuit's configuration. The original poster has updated their post to include node definitions, but clarity remains an issue.

Casper Hansen
Messages
13
Reaction score
0

Homework Statement


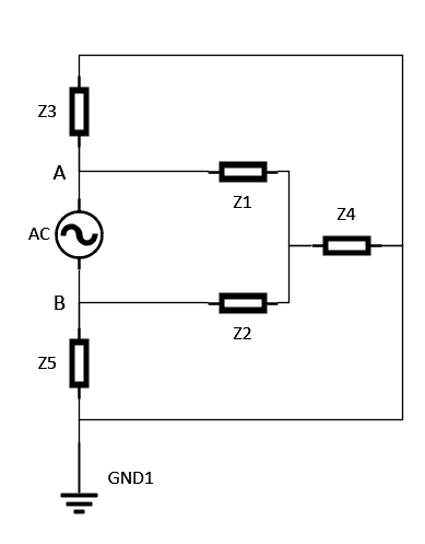
I have trouble to find the right procedure to transform the circuit below to a thevenin equivalent.
I am looking for a symbolic solution a step by step guidance of where to start and how to add/locate all the impedance in series and parallel in order to calculate the sum of Z seen from point A and B
upload_2018-10-1_15-35-42.png

upload_2018-10-1_15-35-31.png

The Attempt at a Solution


[/B]
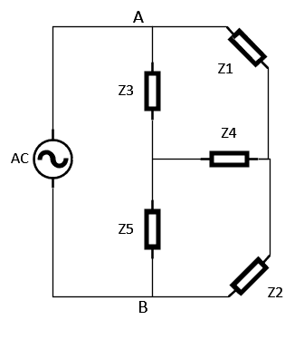
I have a hard time see which impedance are in series and parallel, as Z5, Z4 and Z3 forms a star connection to GND?

upload_2018-10-1_15-42-33.png


Would the solution be to make a form of star/delta transformation of the circuit in order to calculate the circuit?
 

Attachments

  • upload_2018-10-1_15-35-31.png
    upload_2018-10-1_15-35-31.png
    846 bytes · Views: 502
  • upload_2018-10-1_15-35-42.png
    upload_2018-10-1_15-35-42.png
    2 KB · Views: 552
  • upload_2018-10-1_15-42-33.png
    upload_2018-10-1_15-42-33.png
    2.2 KB · Views: 483
Last edited:
Physics news on Phys.org
You have to define the nodes between which you want the Thevenin equivalent. Without that your question has no answer.

Also, we don't DO "step by step" instructions. YOU do a step by step analysis and tell us when you get stuck.
 
phinds said:
You have to define the nodes between which you want the Thevenin equivalent. Without that your question has no answer.

Also, we don't DO "step by step" instructions. YOU do a step by step analysis and tell us when you get stuck.

My post have been updated with nodes A and B
 
Casper Hansen said:
My post have been updated with nodes A and B
Then a first step of getting the Thevenin Equivalent voltage should be REALLY easy. What is it?
 
phinds said:
Then a first step of getting the Thevenin Equivalent voltage should be REALLY easy. What is it?
If i know the voltage but need to find the sum of impedances in order to calculate the current
 
Casper Hansen said:
If i know the voltage but need to find the sum of impedances in order to calculate the current
You did not answer my question.
 
Casper Hansen said:
If i know the voltage but need to find the sum of impedances in order to calculate the current
You can find the current by using standard circuit analysis methods: basic KVL & KCL, Nodal Analysis, Mesh analysis... Take your pick.

Edit: Or, as you've stated, you could use a star-delta transform to begin reduction of the resistor network.
 
phinds said:
You did not answer my question.
Sorry I did not quite get what you are asking for?
 
Casper Hansen said:
Sorry I did not quite get what you are asking for?
"Then a first step of getting the Thevenin Equivalent voltage should be REALLY easy. What is it?" is asking you for the Thevenin Equivalent voltage. I don't see how I could have asked it any more plainly. What is the Thevenin Equivalent voltage, given the circuit you have drawn with the nodes you have drawn? Just LOOK.
 

Similar threads

  • · Replies 2 ·
Replies
2
Views
2K
  • · Replies 6 ·
Replies
6
Views
2K
Replies
1
Views
2K
  • · Replies 10 ·
Replies
10
Views
3K
Replies
10
Views
3K
  • · Replies 6 ·
Replies
6
Views
3K
  • · Replies 1 ·
Replies
1
Views
2K
  • · Replies 1 ·
Replies
1
Views
2K
  • · Replies 7 ·
Replies
7
Views
2K
  • · Replies 3 ·
Replies
3
Views
1K