How to design a barrel cam to improve torque?

Click For Summary

Discussion Overview

The discussion revolves around the design of a barrel cam, specifically in the context of improving the initial torque generated by its movement, as seen in applications like butterfly valve actuators. Participants explore various design considerations, mechanical principles, and potential modifications to enhance torque performance.

Discussion Character

  • Exploratory
  • Technical explanation
  • Debate/contested
  • Mathematical reasoning

Main Points Raised

  • Some participants suggest that the angle of the helical track influences the torque ratio, with a sketch of the cam and follower being necessary for clarity.
  • It is proposed that a curved track can result in slower follower movement, which may provide higher torque compared to a straight path.
  • One participant indicates that eliminating straight path lines and decreasing the initial angle could improve torque, but this depends on the definition of "improve torque."
  • Another participant asserts that maximum torque occurs at the ends of the track due to slower movement, while others challenge this view, suggesting that the design should facilitate different torque profiles based on the follower's movement.
  • There is a discussion about the potential use of bearings to reduce friction and wear in the design, with suggestions for machining two identical tracks in the barrel.
  • Participants inquire about formulas to calculate torque values at different heights based on the cam profile and the relationship between axial force and rotational torque.
  • References to external resources, such as the MACHINERY'S HANDBOOK, are provided for further reading on cam design.

Areas of Agreement / Disagreement

Participants express differing views on the optimal design for maximizing torque, particularly regarding the shape and angle of the cam track. There is no consensus on the best approach, and the discussion remains unresolved with multiple competing perspectives.

Contextual Notes

Participants highlight the importance of considering friction and wear in the design, as well as the need for precise calculations related to the cam profile and torque values. Some assumptions about the mechanics involved are not fully explored, leaving room for further investigation.

Olla
Messages
8
Reaction score
0
Hallo

Could someone suggest me how to design a barrel cam (for example like in the butterfly valve actuator) to improve the initial torque generated by the movement ?
 
Engineering news on Phys.org
Welcome to PF.

The angle of the helical track on the barrel sets the torque ratio.
You need to attach a sketch of your cam and follower.
 
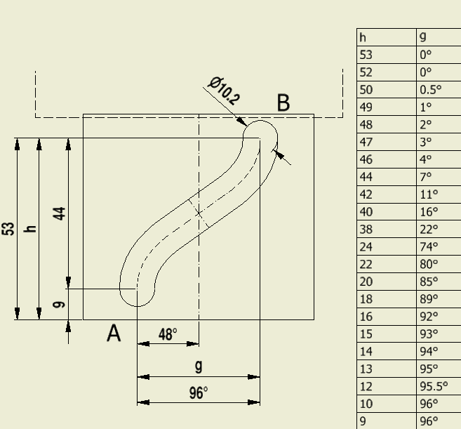
here is the sketch
1678973666678.png


the cam and follower are similar to this
1678973761565.png
 
If the input is h, and the output is g, then it has high initial torque now, because the ends of the track are curved to move the follower more slowly.
Slow follower movement can provide high torque, fast follower gives low torque.
 
  • Like
Likes   Reactions: russ_watters
Thanks for the support

The follower (green part) moves up and down and rotate , the white part is fixed.
The movement is from B to A in vertical position
 
Axial movement of the green shaft inside the fixed barrel causes the green shaft to rotate.

For linear axial movement, the rotation is initially slow, so it has high initial torque.
 
So I need to eliminate the initial and final straight path line and decrease the initial angle to become more flat ?
 
Olla said:
So I need to eliminate the initial and final straight path line and decrease the initial angle to become more flat ?
That depends on what you mean by "improve torque".
The relationship between axial force, and the rotational torque, is the tangent of the track angle on the surface of the cylinder. Change the direction of the track on the barrel, to change the ratio of those forces.
 
What I need Is the maximum torque value at the beginning and at the end of the travel
 
  • #10
That appears to be what you have now. The ends of the track have slower movement, therefore higher torque.
 
  • #11
ok thanks
 
  • #12
To me it seems @Olla is asking for maximum torque on the Green part with the White part being fixed.
Olla said:
The follower (green part) moves up and down and rotate , the white part is fixed.

Baluncore said:
That appears to be what you have now. The ends of the track have slower movement, therefore higher torque
Since the Green part moves both horizontally and rotationally, as it is currently designed, the maximum torque on the Green part occurs as it moves laterally in the center part of the groove.

The central part of the curve should be close to vertical as shown in the sketch, and the ends of the groove should be closer to horizontal in the sketch.

In other words, those curves at the ends of the groove should bend the opposite way from the way they do now.

Cheers,
Tom
 
  • #13
Tom.G said:
The central part of the curve should be close to vertical as shown in the sketch, and the ends of the groove should be closer to horizontal in the sketch.
I disagree.
The torque is generated in the green follower as it is forced axially along the white barrel.
At any point in the axial travel, if it is stopped by a rotational load, the greatest torque and slowest motion will be at the ends of the curve.
The "∫" shape of the track seems to be designed to accelerate rotation at the starting end, then to decelerate rotation at the other, as the rotation and axial movements stop.
 
  • #14
Ahh . . . Here be the rub!

Post 3 above shows both a line drawing and a 3D representation. I was referring to the line drawing and had the Green pin moving horizontally. If the Green pin is moving vertically in the line drawing, then we agree, the 3D representation is what is needed.

Cheers,
Tom
 
  • #15
Tom.G said:
If the Green pin is moving vertically in the line drawing, then we agree, ...
We do agree.
 
  • Like
Likes   Reactions: Tom.G
  • #16
1679039993036.png


Yes , it works in this way :-)
 
  • #17
Olla said:
improve the initial torque
The setup is based on friction. Depending on the expected wear and the range of forces involved you may need to assess the friction as limiting factor too. Some bearings on the driving pin? Driving pins on two sides?
 
  • Like
Likes   Reactions: Baluncore
  • #18
To reduce wear and make assembly possible, I would expect to machine two identical tracks in the barrel, separated by 180°, so the follower could be a pin pushed through a hole in the green push-rod, the rod that then rotates. That would remove side forces between the follower and the barrel, during operation.

We have some idea from post #3, assuming that the scale is in millimetres.
There may be space for a miniature bearing on each end of the pin.
 
  • Like
Likes   Reactions: Olla, Tom.G and Rive
  • #19
Rive said:
The setup is based on friction. Depending on the expected wear and the range of forces involved you may need to assess the friction as limiting factor too. Some bearings on the driving pin? Driving pins on two sides?
Yes , I'm considering using bearings and the hole is specular on both side of the cylinder.
What kind of formula can I use to calculate the proper profile to check the torque value at different height ?
 
  • #20
Olla said:
What kind of formula can I use to calculate the proper profile to check the torque value at different height ?
The track that the pin follows is specified by the angular rotation of the pin, along the length of the pin travel. That is your table of h and g. When plotted as a graph of g against h, the slope of the line is the ratio of axial linear force to rotational torque.
 
  • #21
Details of cam design can be found in:
MACHINERY'S HANDBOOK
Industrial Press Inc.
200 Madison Avenue
New York, New York 10016-4078

My 23rd Edition (1988) has 27 pages devoted to cams and their design.

The current version is an expensive book at just under USD $200. eBay has some used earlier versions around 80% off.

If you do much mechanical stuff it is well worth the cost.

Cheers,
Tom
 

Similar threads

  • · Replies 18 ·
Replies
18
Views
3K
  • · Replies 9 ·
Replies
9
Views
5K
  • · Replies 9 ·
Replies
9
Views
31K
Replies
4
Views
2K
  • · Replies 15 ·
Replies
15
Views
2K
  • · Replies 2 ·
Replies
2
Views
2K
  • · Replies 13 ·
Replies
13
Views
3K
  • · Replies 7 ·
Replies
7
Views
3K
  • · Replies 1 ·
Replies
1
Views
2K
  • · Replies 4 ·
Replies
4
Views
3K