How to maximum apparent power through a linear transformer?

Click For Summary

Discussion Overview

The discussion revolves around finding the maximum apparent power through a linear transformer rated for 50kVA, with a primary voltage of 11000V and a secondary voltage of 120V. Participants explore how to maximize apparent power while maintaining the load RMS voltage within the range of 114V to 126V. The conversation includes aspects of homework-related problem-solving and technical reasoning regarding load parameters and their effects on apparent power.

Discussion Character

  • Homework-related
  • Technical explanation
  • Mathematical reasoning

Main Points Raised

  • Some participants inquire about the values of load parameters necessary for calculations.
  • One participant suggests that maximum apparent power will be drawn at 126V, questioning if this aligns with expectations.
  • Another participant proposes that the instructions imply trying various values of active and reactive power to find a maximum within the specified voltage range.
  • There is a suggestion that calculating load resistance and reactance from given ratings could lead to determining maximum apparent power at 126V.
  • Participants discuss the load consuming 1000W at 120V and seek to calculate the load resistance based on this information.
  • One participant provides a calculated load resistance of 14.4 ohms and an inductance of 0.0764H, seeking confirmation of these values.

Areas of Agreement / Disagreement

Participants express uncertainty about the method for calculating maximum apparent power, with no consensus on whether random values should be used or if a systematic approach based on load parameters is preferable. The discussion remains unresolved regarding the best approach to maximize apparent power while adhering to the voltage constraints.

Contextual Notes

Participants note the dependence of active and reactive powers on the applied voltage across the load, and the need to monitor load voltage while adjusting power values. There is an emphasis on ensuring that the load RMS voltage remains within the specified range during calculations.

eehelp150
Messages
235
Reaction score
0

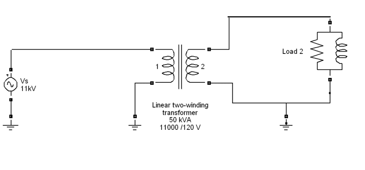
Homework Statement


given a linear transformer rated for 50kVA, 11000V/120V
How do I find the maximum apparent power? The prompt is to maximum apparent power while keeping the Load RMS voltage between 114V and 126V.
Vsource has a peak voltage of 11000*sqrt(2).
The circuit looks something like this:
upload_2016-12-4_20-25-25.png

Homework Equations


|S|=sqrt(P^2+Q^2)

The Attempt at a Solution


We didn't really go over maximum apparent power. Could someone give me a few hints as to what to look up?
 
Physics news on Phys.org
eehelp150 said:

Homework Statement


given a linear transformer rated for 50kVA, 11000V/120V
How do I find the maximum apparent power? The prompt is to maximum apparent power while keeping the Load RMS voltage between 114V and 126V.
Vsource has a peak voltage of 11000*sqrt(2).
The circuit looks something like this:
View attachment 109946

Homework Equations


|S|=sqrt(P^2+Q^2)

The Attempt at a Solution


We didn't really go over maximum apparent power. Could someone give me a few hints as to what to look up?
What are the values of load parameters?
 
cnh1995 said:
What are the values of load parameters?
Do you mean Load 2 in the picture?
If yes:
Nominal Voltage: 120
Nominal Freq: 60
Active Power (W): 1000
Inductive Reactive Power (Q): 500
I think we were supposed to change Active/Reactive power in the parameters to see how "high" we can get while keeping in the 114<V2<126 range for load voltage but that doesn't seem very efficient.
 
Active and reactive powers will depend on the applied voltage across the load. So the maximum apparent power will be drawn at 126V. Is that what is expected?
 
cnh1995 said:
Active and reactive powers will depend on the applied voltage across the load. So the maximum apparent power will be drawn at 126V. Is that what is expected?
I believe so. The instructions seem to hint that we are supposed to try random values of P and Q (real/reactive) until we find a maximum within 114<V2rms<126.
Is there a way to calculate the maximum apparent power by hand instead of trying out random values?
 
eehelp150 said:
I believe so. The instructions seem to hint that we are supposed to try random values of P and Q (real/reactive) until we find a maximum within 114<V2rms<126.
Is there a way to calculate the maximum apparent power by hand instead of trying out random values?
I don't think they want you to use any random values. You are given the ratings of the load components. Use them to get the load resistance and reactance. Then calculate the real and reactive power at 126V. That should give the maximum apparent power IMO.
 
cnh1995 said:
I don't think they want you to use any random values. You are given the ratings of the load components. Use them to get the load resistance and reactance. Then calculate the real and reactive power at 126V. That should give the maximum apparent power IMO.
How would I get load resistance?
This is what I am provided with:
upload_2016-12-4_23-24-25.png
 
eehelp150 said:
How would I get load resistance?
This is what I am provided with:
View attachment 109955
The load consumes 1000W at 120V. What is the load resistance then?
 
cnh1995 said:
The load consumes 1000W at 120V. What is the load resistance then?
14.4ohms
L=0.0764H
correct?

The instructions were:
Gradually increase the load from the original value. You may increase either P, or Q, or both. Monitoring the load voltage.Your objective is to maximize the apparent power (|S|=sqrt(P2 +Q2 ) of the load while ensuring that the load RMS voltage is within 114<V<126
 

Similar threads

  • · Replies 7 ·
Replies
7
Views
2K
  • · Replies 2 ·
Replies
2
Views
2K
  • · Replies 6 ·
Replies
6
Views
3K
  • · Replies 7 ·
Replies
7
Views
2K
  • · Replies 8 ·
Replies
8
Views
3K
  • · Replies 1 ·
Replies
1
Views
3K
  • · Replies 6 ·
Replies
6
Views
3K
  • · Replies 1 ·
Replies
1
Views
4K
  • · Replies 2 ·
Replies
2
Views
2K
  • · Replies 2 ·
Replies
2
Views
2K