Learning Photo Flasher Circuit Basics

Click For Summary

Discussion Overview

The discussion revolves around understanding the basics of a photo flash circuit from an old camera, focusing on its components, operation, and troubleshooting methods. Participants explore the circuit's design, voltage requirements, and potential learning strategies in electronics.

Discussion Character

  • Exploratory
  • Technical explanation
  • Conceptual clarification
  • Homework-related

Main Points Raised

  • The original poster (OP) is attempting to understand a photo flash circuit and has traced components to create a schematic, though they acknowledge potential errors in their understanding.
  • The OP is uncertain about the connections of the trigger coil and the required voltage for the circuit, having only applied a maximum of 6 volts without success in charging the photo capacitor.
  • Some participants suggest that using a breadboard kit and a multimeter could facilitate faster learning of electronics fundamentals.
  • The OP expresses a desire to find another camera with a flash to observe a working circuit and measure voltages, indicating an interest in practical experimentation.
  • The OP mentions a need to learn more about flyback transformers and inductive loads, highlighting the complexity of visualizing how magnetic fields generate high voltages.
  • The OP has aspirations to build a stroboscope using similar components, indicating a goal to apply their learning in a practical project.

Areas of Agreement / Disagreement

Participants have not reached a consensus on the best approach to learning about the photo flash circuit, with differing opinions on whether to continue troubleshooting the existing circuit or to pursue alternative learning tools like breadboard kits.

Contextual Notes

The OP's understanding of the circuit is limited, and there are unresolved questions regarding the specific functions of various components, particularly the flyback transformer and the trigger mechanism. The discussion reflects a mix of practical experimentation and theoretical learning.

1rel
Messages
43
Reaction score
3
Hello everyone

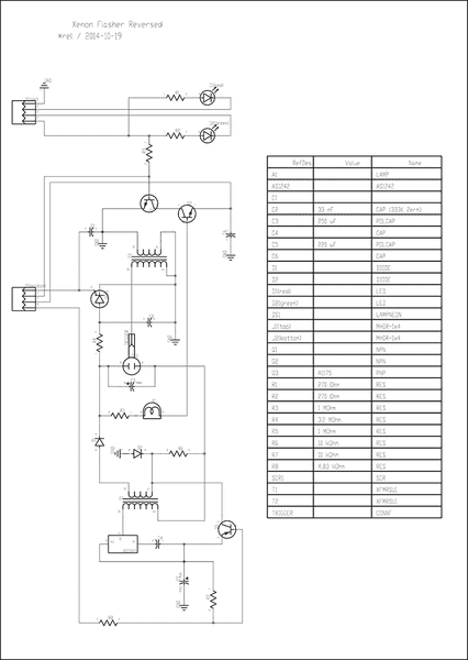
I'm new here, and currently trying to learn more about electronics. - Since my knowledge is very limited, I've decided to take apart some old devices from the garbage, and recently tried to understand a photo flash circuit from an old camera, and to trigger it with my own bench power supply. - But with no success yet.

I tried to trace out all the components, and make a schematic (in DipTrace), just as an exercise. I'm sure that there are still plenty of errors in it! (E.g. the transformers and unidentifiable SMD parts etc. - The trigger coil seems to be connected to ground on both sides, but I'm not sure, since I wasn't able to see where its pins go...)
xenon_flasher_comp_00b_mod_00a.png


xenon_flasher_schematics_00d_mod_00a.png


Pin 1 is ground.
Pin 2-4 seem to be for the status LEDs. I grounded pin 2/3.

I don't know the required voltage and how to test things without damaging the circuit.

I tried to apply voltage to the remaining pins (actually by trial and error) of maximum 6 volts (since the battery was about 6 volts). And I monitored the charge of the large photo capacitor (not on the picture)... - But it didn't charge at all yet.

Pin 4 seems to be for the trigger, since it goes to the SCR (which is new to me).

I'm basically lost, since I don't understand the circuit. - Search on the web didn't help much yet, since my circuit has multiple parts that I don't yet understand.I'm thankful for any advice!
 
Last edited:
Engineering news on Phys.org
Thanks for the post! Sorry you aren't generating responses at the moment. Do you have any further information, come to any new conclusions or is it possible to reword the post?
 
I suspect you'd learn more, and more quickly, by buying one of the readily available breadboard kits that are for the purpose of learning the basics. That and a cheap multimeter and you'll learn a ton of stuff, and from the ground up.
 
Thanks! - I didn't have the time yet to work on this since the post but I'd like to find another cam with a flash on in the electro garbage nearby soon to see a working circuit in action... So that it would also be possible to measure required voltages and monitor the behavior on the oscilloscope (I actually got from that thrash container as well recently :D ).

And Greg, yes, I'll keep you up to date if I find out more about this. - The main issue is this "flyback transformer", need to learn more about coils, inductive loads, transformers, these are still quite tricky for me to understand... and to visualize mentally. How the magnetic field in a coil collapses and generates that required high voltage for the trigger... Actually I'd like to build a stroboscope out of similar parts, which works in similar way like in the flasher above.
 

Similar threads

Replies
12
Views
3K
  • · Replies 11 ·
Replies
11
Views
3K
  • · Replies 9 ·
Replies
9
Views
2K
  • · Replies 12 ·
Replies
12
Views
4K
  • · Replies 5 ·
Replies
5
Views
2K
  • · Replies 2 ·
Replies
2
Views
2K
  • · Replies 9 ·
Replies
9
Views
2K
  • · Replies 42 ·
2
Replies
42
Views
5K
Replies
12
Views
3K
Replies
7
Views
9K