Moment of Inertia: Calculate Centroid & Axis Inertia

Click For Summary
SUMMARY

The discussion focuses on calculating the centroid coordinates and moments of inertia for a specified area. Participants emphasize the necessity of applying relevant equations and demonstrating the calculation process to adhere to forum guidelines. The centroid's coordinates are crucial for determining the moments of inertia about both horizontal and vertical axes through the centroid. Users are encouraged to show their work for validation and assistance.

PREREQUISITES
  • Understanding of centroid calculations in geometry
  • Familiarity with moments of inertia concepts
  • Knowledge of relevant equations for area calculations
  • Ability to interpret and analyze geometric figures
NEXT STEPS
  • Research the formulas for calculating centroids of composite shapes
  • Learn about the parallel axis theorem for moments of inertia
  • Explore software tools for visualizing geometric shapes and calculating properties
  • Study examples of moment of inertia calculations for various geometric figures
USEFUL FOR

Students in engineering or physics courses, educators teaching mechanics, and professionals involved in structural analysis or design will benefit from this discussion.

DIESEL ind
Messages
1
Reaction score
0
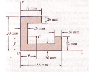
a. Determine the coordinates and of the centroid C of the area shown in the figure.

b. Calculate the moments of inertia of the area shown about a horizontal and a vertical axis going through the centroid.

See attachment for the object area !
 

Attachments

  • New Picture.png
    New Picture.png
    25.4 KB · Views: 568
Physics news on Phys.org
DIESEL ind: The PF rules state we are not allowed to tell you how to approach or solve your homework problem. See the required homework template that appears when you start to create a new thread in the homework forums. You must list relevant equations yourself, and show your work; and then someone might check your math.
 

Similar threads

  • · Replies 5 ·
Replies
5
Views
5K
  • · Replies 2 ·
Replies
2
Views
3K
  • · Replies 12 ·
Replies
12
Views
2K
  • · Replies 6 ·
Replies
6
Views
4K
  • · Replies 2 ·
Replies
2
Views
3K
  • · Replies 5 ·
Replies
5
Views
3K
Replies
3
Views
2K
  • · Replies 10 ·
Replies
10
Views
3K
  • · Replies 1 ·
Replies
1
Views
4K
  • · Replies 3 ·
Replies
3
Views
2K