Need a Poteniometer value soldered on board

  • Thread starter Thread starter X1088LoD
  • Start date Start date
  • Tags Tags
    Board Value
Click For Summary

Discussion Overview

The discussion revolves around determining the value of a potentiometer (R3) on a signal conditioning circuit board that includes a Wheatstone bridge and an amplifier. Participants explore methods to measure or estimate the potentiometer's resistance without desoldering it, considering the circuit's application with a strain gauge and oscilloscope output.

Discussion Character

  • Exploratory
  • Technical explanation
  • Debate/contested

Main Points Raised

  • One participant expresses uncertainty about how to measure the potentiometer value and suggests that it must be removed to measure accurately.
  • Another participant states that the potentiometer has a maximum resistance of 50 ohms and proposes desoldering one leg to measure the resistance across the remaining legs.
  • A different participant suggests estimating the potentiometer's setting by marking its current position and calculating the resistance based on its rotation, without desoldering it.
  • Another participant recommends consulting the data sheet of the op-amp connected to the potentiometer, implying that it may provide relevant information for measurement.
  • There is a suggestion to measure the potentiometer in-circuit with the power off, although this approach is not universally accepted among participants.

Areas of Agreement / Disagreement

Participants do not reach a consensus on the best method to determine the potentiometer's value. Multiple competing views on measurement techniques and the necessity of desoldering remain present throughout the discussion.

Contextual Notes

Participants express limitations in their ability to measure the potentiometer without desoldering, and there are assumptions about the potentiometer's characteristics and the circuit's configuration that are not fully explored.

X1088LoD
Messages
21
Reaction score
0
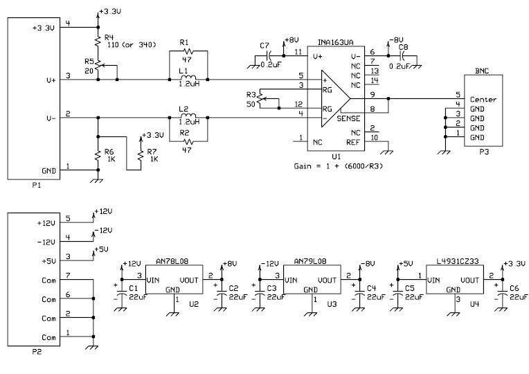
I am not really a circuits guru, but I am trying to find out the value of a potentiometer on a signal conditioning circuit board that consists of a Wheatstone bridge and an amplifier.

I have attached the circuit diagram and an image of the board.

I need to know the exact value of the potentiometer (R3) that determines the gain of the amplifier. It is the blue box in the upper right of the board image.

The circuit takes a strain gauge as the input of the board, so it is a variable resistance, and the output goes to an oscilloscope.

I am not sure how to measure, where to measure, simulate anything like that to figure out that potentiometer value and I don't have to means to solder/reattach the pot itself. I know technically the pot has to be removed to measure its value.

Any quick and easy suggestions

I appreciate it.
 

Attachments

  • sg_sig_amplifier_board.jpg
    sg_sig_amplifier_board.jpg
    38.8 KB · Views: 553
  • sg_sig_amplifier_circuit.jpg
    sg_sig_amplifier_circuit.jpg
    36 KB · Views: 563
Engineering news on Phys.org
X1088LoD said:
I am not really a circuits guru, but I am trying to find out the value of a potentiometer on a signal conditioning circuit board that consists of a Wheatstone bridge and an amplifier.

I have attached the circuit diagram and an image of the board.

I need to know the exact value of the potentiometer (R3) that determines the gain of the amplifier. It is the blue box in the upper right of the board image.

The circuit takes a strain gauge as the input of the board, so it is a variable resistance, and the output goes to an oscilloscope.

I am not sure how to measure, where to measure, simulate anything like that to figure out that potentiometer value and I don't have to means to solder/reattach the pot itself. I know technically the pot has to be removed to measure its value.

Any quick and easy suggestions

I appreciate it.
The pot is R3 with a max resistance of 50 ohms. If you need to know its present setting, you can de-solder one leg of the pot - (lead 3 or lead 12 to the IC) and measure the resistance across the legs. I don't know of another way to reliably determine the present resistance of that pot. Since it is a pot and not a fixed-value resistor, I assume that it has to be variable to allow calibration of the equipment.
 
You could estimate if you don't want to desolder it. It is probably a 3/4 turn pot. So mark where it is currently set then rotate the setter to estimate what percent of this 3/4 turn it's adjusted to. Then calculate how much resistance this would represent. Now move it back to the original setting.
 
Look at the data sheet of the op amp it is connected to. http://focus.ti.com/lit/ds/symlink/ina163.pdf page 6

I can't see any obvious reason why you shouldn't just measure it in circuit (with the circuit powered off, of course).
 

Similar threads

  • · Replies 1 ·
Replies
1
Views
2K
  • · Replies 27 ·
Replies
27
Views
5K
  • · Replies 24 ·
Replies
24
Views
5K
  • · Replies 83 ·
3
Replies
83
Views
8K
  • · Replies 5 ·
Replies
5
Views
7K
  • · Replies 3 ·
Replies
3
Views
2K
  • · Replies 10 ·
Replies
10
Views
2K
Replies
138
Views
27K
Replies
6
Views
5K
  • · Replies 41 ·
2
Replies
41
Views
8K