Simulation with Spice to get coil and caps values

Click For Summary

Discussion Overview

The discussion revolves around simulating lowpass and highpass filters using LT-Spice for a circuit involving RF signals and a DC supply. Participants explore the design and component values for a pi-network lowpass filter intended to filter DC supply while allowing RF signals in the 860-870MHz range to pass through.

Discussion Character

  • Exploratory
  • Technical explanation
  • Debate/contested
  • Mathematical reasoning

Main Points Raised

  • Tom seeks guidance on simulating a lowpass filter for a 9V DC supply and a highpass filter for RF signals using LT-Spice, expressing uncertainty about the frequency ranges and optimal component values.
  • Dave suggests that a Bias Tee might be appropriate for feeding DC through a transmission line and provides a rough estimate of capacitor values (1-5pF) for the RF signals, while cautioning against using larger capacitors intended for audio frequencies.
  • Tom clarifies the circuit setup, indicating that the SMA connector serves both as a DC supply and an RF output, and seeks to filter out DC frequencies from the RF signals.
  • Dave questions the necessity of certain inductors in Tom's proposed circuit, suggesting that only one inductor (RFC) is needed on the DC input and that other components may not serve a purpose.
  • Tom attempts to clarify the flow of signals in the circuit, indicating that the DC flows from the SMA connector to the right and RF signals come from the top, going down towards the SMA connector.

Areas of Agreement / Disagreement

Participants express differing views on the necessity and configuration of components in the filter design. While some suggestions are made, no consensus is reached on the optimal configuration or component values for the filters.

Contextual Notes

Participants note the importance of accurately modeling the circuit in LT-Spice, including the load and the specific frequency responses required for both the DC supply and RF signals. There are unresolved questions regarding the exact filtering requirements and the implications of component choices on circuit performance.

Tom48
Messages
37
Reaction score
0
Hi,

as I am in need of Low- and Highpass filters i would like to simulate my circuit using LT-Spice.
I hope that i can get optimal caps and coils values like that.

So i simply started to build my pi-network lowpass filter in LT-Spice and got the simulation results (please check the picture in the attachement)

On my board i have a SMA connector, that ouputs the RF-Signals of an antenna mux and that same SMA connector is also used for the circuit board's supply voltage of 9V.

So now i need a Lowpass filter for the DC supply and a Highpass filter for the RF-Singnals.
I would like to simulate this in Spice, however I am not sure how to approach.

E.g. I am not sure what frequencies should pass for the DC supply and where to start blocking? (Lowpass)
For the RF-Signals, i need 860-870MHz to pass. (Highpass)

What are the typical values to start with?
(please check attachement for my filter structure and first approach to simulation, i started with a lowpass filter for the DC supply)

In Spice i made an AC analysis :
AC Amplitude: 10V
points per octave= 100, start frequency= 1Hz, end frequency=200MEG

Also I am think there's more about this simulation, i guess i also somehow should model the load etc.?

I would like to be able to estimate the values of my filters using simulation but I am way too new in this field so i hope you can help me.
I appreciate every little hint, explanations and links to further information! :)

Thank you in advance! :)Kind regards, Tom.
 

Attachments

  • lt.png
    lt.png
    15.5 KB · Views: 558
Engineering news on Phys.org
Tom48 said:
On my board i have a SMA connector, that ouputs the RF-Signals of an antenna mux and that same SMA connector is also used for the circuit board's supply voltage of 9V.

So now i need a Lowpass filter for the DC supply and a Highpass filter for the RF-Singnals.
I would like to simulate this in Spice, however I am not sure how to approach.

E.g. I am not sure what frequencies should pass for the DC supply and where to start blocking? (Lowpass)
For the RF-Signals, i need 860-870MHz to pass. (Highpass)

Hi there Tom

your description is a little lacking
can you draw a pic of what you are actually trying to set up please
I get a vague hint that you are trying to feed DC up a transmission line to feed power to another device ??

if so, a Bias Tee is the common way to go ... I just drew one of those for some one recently

here we go, found it ...

bias-tee.gif


This was for someone who wanted to feed DC up the coax to a masthead amplifier, hence the TV and preamp connections
change that to what-ever you are using

for your 800 odd MHz something around 1 - 5pF cap ( those 47uF are for audio frequencies) and 3 turns of wire through a 6 hole ferrite bead for the inductor

also ...
depends on if you need the reverse at the amp (far) end or if for some amps(other devices) the DC voltage can be fed into the amplifying deviceSO, is that along the lines of what you are trying to do ?Dave
 
Last edited:
davenn said:
Hi there Tom

your description is a little lacking
can you draw a pic of what you are actually trying to set up please
I get a vague hint that you are trying to feed DC up a transmission line to feed power to another device ??

if so, a Bias Tee is the common way to go ... I just drew one of those for some one recently

here we go, found it ...

View attachment 92609

This was for someone who wanted to feed DC up the coax to a masthead amplifier, hence the TV and preamp connections
change that to what-ever you are using

for your 800 odd MHz something around 1 - 5pF cap ( those 47uF are for audio frequencies) and 3 turns of wire through a 6 hole ferrite bead for the inductor

also ...
depends on if you need the reverse at the amp (far) end or if for some amps(other devices) the DC voltage can be fed into the amplifying deviceSO, is that along the lines of what you are trying to do ?Dave
Hi Dave,

thank you so much for your reply, I am sorry for being that lacking ;)
I added an attachement.

DC_SUPPLY is going to supply all components on the board (adc-flash, rf-mux, priority encoder.)
So the higher frequencies should be filtered. (as in the pic, I am using a pi-network to do that)
I put 9V supply onto the SMA connector, to be filtered for the supply (the filtered dc supply is marked with "DC_SUPPLY" on the pic and from there on it will supply all other components").
But this SMA connector is also the output of the rf-mux ("RF_SIGNAL" marks where the rf-signals come from the mux output)

The RF_SIGNAL trace comes from a RF-Switch/Mux so i want to filter the DC frequencies out.
(before they leave the board through the sma connector)
Im using the 860MHz-870MHz range.

This is the mux the rf-signals come from:
http://www.analog.com/media/en/technical-documentation/data-sheets/ADG904_904R.pdf

I would like to simulate these 2 filters so i can determine the optimal values for the coils and caps.

Im pretty new to this so please excuse my bad explanation and knowledge :)

Thanks a lot for your reply dave! :) Tom.
 

Attachments

  • filter.png
    filter.png
    2.1 KB · Views: 469
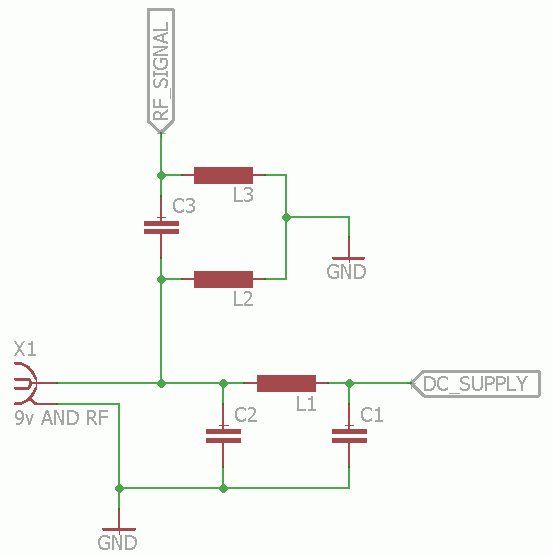
Tom48 said:
DC_SUPPLY is going to supply all components on the board (adc-flash, rf-mux, priority encoder.)
So the higher frequencies should be filtered. (as in the pic, I am using a pi-network to do that)
I put 9V supply onto the SMA connector, to be filtered for the supply (the filtered dc supply is marked with "DC_SUPPLY" on the pic and from there on it will supply all other components").
But this SMA connector is also the output of the rf-mux ("RF_SIGNAL" marks where the rf-signals come from the mux output)

The RF_SIGNAL trace comes from a RF-Switch/Mux so i want to filter the DC frequencies out.
(before they leave the board through the sma connector)
Im using the 860MHz-870MHz range.

I think you are probably getting a bit over zealous with your filtering :wink:

filter.gif


now please confirm
DC is coming IN from the right and RF is coming IN from the top and they are combining and going OUT through the connector to the left ?
is that correct ?

if so, C3 will stop DC going out the RF IN port at the top ... absolutely no need for inductors L2 and L3 there, they serve no purpose
You only need an inductor on the DC IN port ( L1), it is your RFC ( RF Choke)
If C2 was resonant at your operating freq then it would be grounded, and that is a bad thing ... adding RF losses to the circuit
and having it resonant at any other frequency is pointless as it won't do anything

so again you end up going back to the bias-tee I showed you in my earlier post, by removing the not needed components in your circuit

cheers
Dave
 
davenn said:
I think you are probably getting a bit over zealous with your filtering :wink:

View attachment 92612

now please confirm
DC is coming IN from the right and RF is coming IN from the top and they are combining and going OUT through the connector to the left ?
is that correct ?

if so, C3 will stop DC going out the RF IN port at the top ... absolutely no need for inductors L2 and L3 there, they serve no purpose
You only need an inductor on the DC IN port ( L1), it is your RFC ( RF Choke)
If C2 was resonant at your operating freq then it would be grounded, and that is a bad thing ... adding RF losses to the circuit
and having it resonant at any other frequency is pointless as it won't do anything

so again you end up going back to the bias-tee I showed you in my earlier post, by removing the not needed components in your circuit

cheers
Dave

Well, let me try again (sorry for the bad explanation ;)):

9V DC goes INTO the SMA connector and go from the SMA connector to the right (through the low pass filter consisting of L1, C1, C2 to the mark "DC_SUPPLY")
So from left to right.
The RF-Signals are coming from the top (the rf-mux) going down and to the SMA connector.
So from the top, going down.

Hope i made it clearer this time :)

Thank you! :)
 
Tom48 said:
Well, let me try again (sorry for the bad explanation ;)):

9V DC goes INTO the SMA connector and go from the SMA connector to the right (through the low pass filter consisting of L1, C1, C2 to the mark "DC_SUPPLY")
So from left to right.
The RF-Signals are coming from the top (the rf-mux) going down and to the SMA connector.
So from the top, going down.

Hope i made it clearer this time :)

Thank you! :)

OK no problems :smile:

everything I said in my previous post still applies ... the direction of the DC is irrelevantDave
 
davenn said:
OK no problems :smile:

everything I said in my previous post still applies ... the direction of the DC is irrelevantDave
thanks dave :)

but actually my filter should also work as it filters the DC out from the RF-path and the the HIghpass filters the RF out of the DC supply path?

Well, but the actual question was, how to properly simulate circuits like that in LT-Spice, as i suppose i cannot just simulate the filter without the rest of the circuit?
At least i had to add the load somehow or the resitance of the voltage supply?

Please help, e.g. u could tell me how you would simulate the filter you suggested so you get optimal values for the cap and the coil?

Really needed some help with that...thank you! :)
 
Tom48 said:
but actually my filter should also work as it filters the DC out from the RF-path and the the HIghpass filters the RF out of the DC supply path?

you don't need the inductors in the RF path, they don't do anything to the DC. A single capacitor effectively stops DC, it's the way they work :smile:

and again, on the DC path you only need a coil ... if you really, really insist on using a cap there put it on the right side of L1, one of a few pF in value

there is NO Pi filters to be simulated
you are trying to make un-necessary work for yourself :biggrin:Dave
 
davenn said:
you don't need the inductors in the RF path, they don't do anything to the DC. A single capacitor effectively stops DC, it's the way they work :smile:

and again, on the DC path you only need a coil ... if you really, really insist on using a cap there put it on the right side of L1, one of a few pF in value

there is NO Pi filters to be simulated
you are trying to make un-necessary work for yourself :biggrin:Dave
ok :D

Well, so how would i simulate your filter then? :)
I would like to accomplish a pretty accurate simulation of my filter setup (no matter what is its structure).
I would like to simulate it and play around a bit with the values to see what's the optimum.
Can u show me or give me a hint how to do that?

I would really appreciate it. :)
 
  • #10
Hi,

after being busy with some other projects this is still an unsolved issue to me :/

Can someone tell me what to pay attention for when setting up LT-Spice for quite an accurate filter simulation?
Ist it enough to just design the filter, let's say smth like this:
http://www.kb6nu.com/wp-content/uploads/2012/02/e7c-1.png
To just assigning some starter values to the filter components,
Setting up my votlage supply source, under "Small Signal AC Analysis" for "AC-Amplitude" entering 1V.
Under "Edit Simulation CMD" entering under "AC-Analysis" the start frequency of 10Hz and stop frequency of 800MEG Hz. (for e.g. a highpass filter, t-network, like the one i linked above)
Start simulation.

Thats what I am doing but i doubt that this is really accurate, is it?
How do you design your filters?
cacn someone tell me what else to set up or do in spice to get this simulation through?

I would really appreciate it a lot, i hope someone can help me here as this is really important to me
and i just don't have a clue how to get decent filter component values on the hand...

Hoping for your help, thank you a lot in advance! :)Have a nice day ! :)
 
  • #11
Your simulation will be as accurate as your models. To the extent that you do not model inductor, capacitor and layout/wiring parasitics, the simulation will not be accurate.
For example, the actual inductor will have a SRF(self resonant frequency) caused by parasitic capacitance, and a finite Q caused by resistance. Vendors of RF quality inductors will have models that include those things.

Your outputs will be as accurate as your inputs. (GIGO)
 

Similar threads

  • · Replies 37 ·
2
Replies
37
Views
4K
  • · Replies 15 ·
Replies
15
Views
7K
  • · Replies 15 ·
Replies
15
Views
2K
Replies
17
Views
7K
  • · Replies 6 ·
Replies
6
Views
3K
  • · Replies 4 ·
Replies
4
Views
4K
Replies
8
Views
3K
Replies
2
Views
3K
  • · Replies 5 ·
Replies
5
Views
2K
Replies
5
Views
4K