Need help to analyze the circuit for a HW problem

  • Thread starter Thread starter Parad0x88
  • Start date Start date
  • Tags Tags
    Circuit
Click For Summary

Homework Help Overview

The discussion revolves around analyzing a circuit with resistances, specifically focusing on the configuration of resistors and their equivalent resistance between specified points. The circuit includes a diagonal resistor, which raises questions about the interpretation of series and parallel connections.

Discussion Character

  • Exploratory, Assumption checking, Conceptual clarification

Approaches and Questions Raised

  • Participants explore whether the diagonal resistor affects the classification of resistors as being in series or parallel. There are attempts to analyze the equivalent resistance with various assumptions about the configuration. Questions are raised about the common characteristics of resistors in series and parallel.

Discussion Status

Some participants have provided insights and analyses regarding the equivalent resistance calculations, while others express confusion about the implications of the diagonal resistor. There is an ongoing exploration of different approaches to the problem, with no explicit consensus reached on the best method.

Contextual Notes

The problem does not provide specific voltage or current values, which adds to the complexity of the analysis. Participants are also navigating the challenge of visualizing the circuit due to the unconventional diagonal arrangement of the resistors.

Parad0x88
Messages
73
Reaction score
0
The one of the left is the original, the one on the right I re-drew by changing the orientation with paint (the lines are the resistance)

It's the first time that I see a circuit with a resistance in-between in a diagonal fashion. Can the top and bottom face, as well as the left and right face, still be considered in parallel despite the resistance crossing diagonally in front of all of them?
 

Attachments

  • Physics Q 3.jpg
    Physics Q 3.jpg
    5.6 KB · Views: 604
Physics news on Phys.org
Hello.
What do parallel resistances have in common - voltage drop or current through them?What do series resistances have in common - voltage drop or current through them?
 
256bits said:
Hello.
What do parallel resistances have in common - voltage drop or current through them?What do series resistances have in common - voltage drop or current through them?

Parallel current drop through them, while series voltage drop through them

(Don't take offense) I don't know if this is the first question you will ask me of a series to help me understand, or if this was meant to shed enough light, but I still don't understand

The problem gives no voltage or no current, it only asks: In the figure below find the equivalent resistance between a) points F and H and b) points F and G. All five resistances are 5 ohm. Here's my attempt at analyzing:

So for me, if I assume they are all in series (giving that the diagonal prevents a parallel combination) than the sum of R's are simply 5+5+5+... However, this seems to simple. So if I assume that parallel is possible, then I would have:

A) 2.5 ohm
Top of the diagonal are in series, thus R = 10 ohm
Bottom of the diagonal are in series, thus R = 10 ohm
All three will now be in parallel (I guess it would make sense by the way they are combined), thus: 1/10 + 1/10 + 1/5 = .1 + .1 + .2 = .4 = 1/.4 = 2.5 ohm

B) ? ohm
Top of the diagonal are in series, thus R = 10 ohm
It is in parallel with the diagonal, thus R = 1/10 + 1/5 = 3/10 = .3 = 1/.3 = 3.33 ohm

Not sure at this point
 
Any further insight on this? I came back to it but I have a very hard time visualizing, I think it's because it's the first example where I have a diagonal, it really confuses me
 
Parad0x88 said:
Parallel current drop through them, while series voltage drop through them

(Don't take offense) I don't know if this is the first question you will ask me of a series to help me understand, or if this was meant to shed enough light, but I still don't understand

The problem gives no voltage or no current, it only asks: In the figure below find the equivalent resistance between a) points F and H and b) points F and G. All five resistances are 5 ohm. Here's my attempt at analyzing:

So for me, if I assume they are all in series (giving that the diagonal prevents a parallel combination) than the sum of R's are simply 5+5+5+... However, this seems to simple. So if I assume that parallel is possible, then I would have:
Okay, you've finally told us what the resistance values are; 5 Ohms each.
A) 2.5 ohm
Top of the diagonal are in series, thus R = 10 ohm
Bottom of the diagonal are in series, thus R = 10 ohm
All three will now be in parallel (I guess it would make sense by the way they are combined), thus: 1/10 + 1/10 + 1/5 = .1 + .1 + .2 = .4 = 1/.4 = 2.5 ohm
That's a fine analysis; the result looks good.
B) ? ohm
Top of the diagonal are in series, thus R = 10 ohm
It is in parallel with the diagonal, thus R = 1/10 + 1/5 = 3/10 = .3 = 1/.3 = 3.33 ohm

Not sure at this point
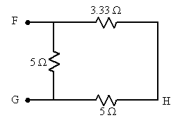
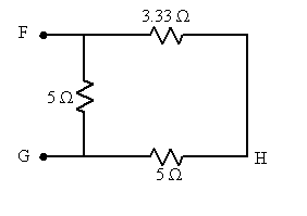
Time to redraw the circuit then. You're left with a 3.33 Ohm resistor and two five Ohm resistors:

attachment.php?attachmentid=51801&stc=1&d=1349974010.gif


Don't let diagonal lines or "artistic" touches fool you on circuit diagrams. The only thing that matters is the actual interconnections of the components. So long as those are preserved, you can move things about, bend wires, rotate things, etc., to your heart's content.
 

Attachments

  • Fig1.gif
    Fig1.gif
    1.1 KB · Views: 667
Last edited:
gneill said:
Okay, you've finally told us what the resistance values are; 5 Ohms each.

That's a fine analysis; the result looks good.

Time to redraw the circuit then. You're left with a 3.33 Ohm resistor and two five Ohm resistors:

attachment.php?attachmentid=51801&stc=1&d=1349974010.gif


Don't let diagonal lines or "artistic" touches foll you on circuit diagrams. The only thing that matters is the actual interconnections of the components. So long as those are preserved, you can move things about, bend wires, rotate things, etc., to your heart's content.

Thanks, very helpful! I got 3.125 ohm for the last one. My question is, why do I treat A differently than B as the order that I put them in series/parallel? I just realized that both A and B I could have inversed the steps and to me it doesn't make a difference, although it obviously has one that I do not grasp... This is pure exam material, so any input would be great! :D
 
The difference is that the nodes between which you want to find the net resistance are different for the two cases and afford different opportunities (often based upon circuit symmetry) to proceed.

There are often several paths to solution, like adding numbers in a different order to find a total. Sometimes you can take advantage of obvious symmetries to get to the result faster. In the first instance where the nodes in question are F and H, the symmetry makes it clear that the outside paths are in parallel with the central diagonal. It's also clear that the two outside paths have the same resistance (both are twice 5 Ohms). So their parallel resistance will be 10 || 10, or 5 Ohms. That 5 Ohms is thus in parallel with the 5 Ohm diagonal, rendering 5 || 5 or 2.5 Ohms. So symmetry can be a real timesaver. Of course you could also slog through first putting one of the outside paths in parallel with the diagonal, giving 10 || 5 = 3.333 Ohms, and then putting that in parallel with the other outside path, so calculating 3.333 || 10 = 2.5 . Same result but more brainsweat.
 

Similar threads

  • · Replies 14 ·
Replies
14
Views
2K
  • · Replies 4 ·
Replies
4
Views
3K
  • · Replies 13 ·
Replies
13
Views
2K
Replies
3
Views
2K
  • · Replies 52 ·
2
Replies
52
Views
13K
  • · Replies 6 ·
Replies
6
Views
3K
  • · Replies 20 ·
Replies
20
Views
11K
  • · Replies 9 ·
Replies
9
Views
4K
  • · Replies 22 ·
Replies
22
Views
3K
  • · Replies 1 ·
Replies
1
Views
5K