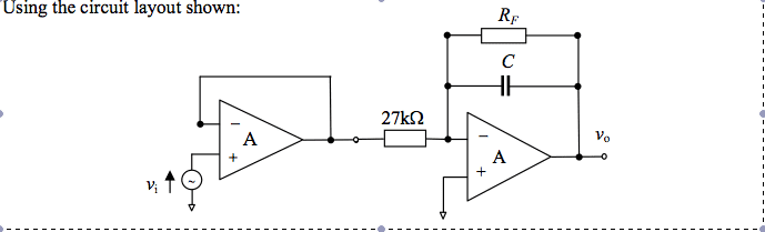
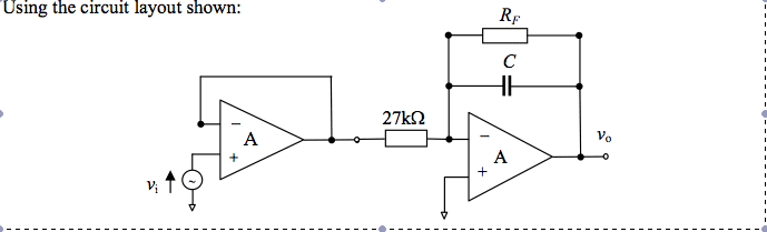
Opamp - preceded by a unity buffer

Click For Summary

Discussion Overview

The discussion revolves around determining component values (Rf and C) for an op-amp circuit that includes a unity buffer. The goal is to achieve a cut-off frequency of 1 kHz and a low-frequency magnitude gain of 1. Participants explore how the unity buffer affects the calculations and behavior of the op-amp circuit, particularly in relation to Bode plots and impedance considerations.

Discussion Character

  • Homework-related
  • Technical explanation
  • Conceptual clarification
  • Debate/contested

Main Points Raised

  • One participant outlines the equations and initial calculations for Rf and C, assuming the unity buffer can be ignored.
  • Another participant suggests that the unity gain buffer allows for neglecting the output impedance of the signal source, which may simplify calculations.
  • A question is raised about whether the buffer affects the calculations for the op-amp's behavior, specifically regarding Bode plots.
  • A later reply indicates that modeling with SPICE would require considering different impedances, which could introduce errors in the Bode plot, but suggests that the unity gain buffer may lead to negligible errors.

Areas of Agreement / Disagreement

Participants express differing views on the impact of the unity buffer on calculations and circuit behavior. While some suggest it simplifies the analysis, others raise concerns about potential errors introduced in practical modeling scenarios. No consensus is reached on the extent of the buffer's influence.

Contextual Notes

Participants do not fully resolve the implications of the unity buffer on the circuit's performance, particularly in relation to impedance and Bode plot accuracy. The discussion reflects uncertainty regarding the practical effects of the buffer in real-world applications.

kimandrew20
Messages
5
Reaction score
0

Homework Statement



Hi, I'm trying to figure out the component values(Rf and C) for the circuit given. The circuit must be designed so that it has a cut-off frequency of 1khz and a low frequency magnitude gain of 1. I know how to do it if i ignore the unity buffer in front but I'm not sure how to incorporate the unity buffer into my working.

Homework Equations



wb = 1/CRf

The Attempt at a Solution


1/CRf = 2 * 1khz
Rf/Ri = 1 so Rf = Ri which means Rf = 27kΩ
C = 1/(2∏ * 1khz * 27kΩF)
question.png
 
Physics news on Phys.org
kimandrew20 said:

Homework Statement



Hi, I'm trying to figure out the component values(Rf and C) for the circuit given. The circuit must be designed so that it has a cut-off frequency of 1khz and a low frequency magnitude gain of 1. I know how to do it if i ignore the unity buffer in front but I'm not sure how to incorporate the unity buffer into my working.


Homework Equations



wb = 1/CRf

The Attempt at a Solution


1/CRf = 2 * 1khz
Rf/Ri = 1 so Rf = Ri which means Rf = 27kΩ
C = 1/(2∏ * 1khz * 27kΩF)View attachment 58405

Looks like you have done it correctly. The unity gain buffer just let's you ignore the output impedance of the signal source, since the buffer's output impedance is low compared to the 50 Ohms of a typical signal generator (or much higher impedance of other signal sources like microphones).
 
Thanks for the response Berkeman!

So does this mean that the presence of the buffer doesn't really change any calculations for the behavior of the opamp? Like, if I were to draw a bode plot for the second opamp, it wouldn't be affected by the presence of the unity buffer?
 
kimandrew20 said:
Thanks for the response Berkeman!

So does this mean that the presence of the buffer doesn't really change any calculations for the behavior of the opamp? Like, if I were to draw a bode plot for the second opamp, it wouldn't be affected by the presence of the unity buffer?

Let's say that you were modeling this with SPICE as part of a product design. You would then have a different impedance to add in series between an ideal voltage source -- either the output impedance of the buffer or the output impedance of the real signal source. Since those impedances add with the input resistor of the 2nd stage, they will give you different errors in the Bode plot. The unity gain buffer version probably will give you negligible errors in this case.
 

Similar threads

  • · Replies 19 ·
Replies
19
Views
5K
  • · Replies 11 ·
Replies
11
Views
4K
Replies
30
Views
7K
Replies
4
Views
3K
Replies
4
Views
2K
  • · Replies 6 ·
Replies
6
Views
2K
  • · Replies 3 ·
Replies
3
Views
4K
Replies
15
Views
5K
  • · Replies 10 ·
Replies
10
Views
2K
  • · Replies 6 ·
Replies
6
Views
3K