Photodiode: pulsed vs. continous signal

  • Context: Graduate 
  • Thread starter Thread starter kicklop
  • Start date Start date
  • Tags Tags
    Photodiode Signal
Click For Summary

Discussion Overview

The discussion revolves around the differences in voltage output from a photodiode when measuring continuous versus pulsed signals generated by a Pockels cell. Participants explore the implications of circuit components, particularly a capacitor and a resistor, on the photodiode's response to these signals.

Discussion Character

  • Exploratory
  • Technical explanation
  • Debate/contested
  • Mathematical reasoning

Main Points Raised

  • One participant describes an experimental setup using a continuous wave laser and a Pockels cell to generate a 10 ns pulse, noting that the maximum voltage output from the photodiode for the pulse is significantly lower than for the continuous signal, despite similar intensities.
  • Another participant suggests considering the behavior of the capacitor in the circuit, questioning how it might affect the measurements in both scenarios.
  • Some participants point to the specifications of the photodiode, including its rise and fall times, as potentially relevant to the observed differences in output.
  • There is a discussion about the role of the 500Ω resistor in the circuit, with differing opinions on whether it should be replaced or if it is necessary for measuring photocurrent accurately.
  • Participants debate the implications of the oscilloscope's input impedance on the measurements, with some arguing that it could affect the voltage readings for the pulse compared to the continuous signal.
  • One participant mentions that the time constant of the circuit is significant and questions whether the circuit can switch fast enough to accurately capture the pulse.
  • Another participant corrects their earlier assumptions about the circuit's behavior, acknowledging that the diode's capacitance and the oscilloscope's input characteristics could influence the rise time of the signal.
  • There is a suggestion that the Pockels cell may not be achieving full polarization rotation, which could also contribute to the discrepancies in output voltage.

Areas of Agreement / Disagreement

Participants express differing views on the impact of circuit components and the oscilloscope's characteristics on the measurements. No consensus is reached regarding the primary cause of the observed differences in voltage output from the photodiode.

Contextual Notes

Participants note limitations in their understanding of electrical circuits and the specific characteristics of the components used, which may affect their analyses. The discussion includes unresolved questions about the behavior of the capacitor and the implications of the oscilloscope's impedance.

kicklop
Messages
6
Reaction score
2
Hello,
I have done an experiment with cutting out a pulse from continuous laser using Pockels cell. The setup is cw laser -> Pockels cell with crossed polariazers -> photodiode.

The photodiode is connected in reverse bias, a capacitor is connected parallel to photodiode.

If I put a half wave plate between the polarizers, continuous light goes on the photodiode. The photodiode measures voltage U.
Then I remove half wave plate and I cut out a 10 ns pulse from the same continuous light using Pockels cell. Now the photodiode measures a pulse, but its maximum is approximately 1/10*U.

I would expect the maximum of pulse signal to be the same as the signal from continuous light, because both pulses have the same intensity and photodiodes measure measure the intensity of light.

Can you explain, why the signals don't have the same maximum voltage output from photodiode, even though they have the same intensity?
 
  • Like
Likes   Reactions: Delta2
Physics news on Phys.org
Have you thought about how the capacitor behaves in both situations?
 
  • Like
Likes   Reactions: marcusl
Also you may want to look at the spec sheet for the photodiode, to see what response characteristics it has.
 
  • Like
Likes   Reactions: marcusl and Delta2
Thank you for your response.

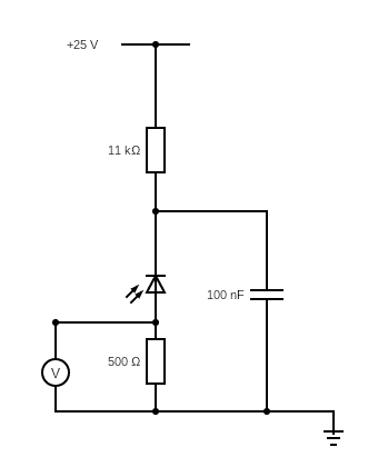
I attached the spec sheet for the photodiode (APY 13 II) as well as electrical cicuit of the diode. Instead of voltmeter, there is an oscilloscope with 50 Ω termination.
I have also measured the response time of the photodiode. Its rise time is 0.5 ns and the fall time is 1 ns.

circuit.png


I have thought about the capacitor, but I am not very familiar with electrical circuits.
The capacitor is fully charged to voltage 25 V, when there is no light. Then I think the capacitor behaves the same for both cases. Incident photons decrease the resistance of photodiode and current flows from the capacitor through the diode to earth. For the pulse beam, the current flows for a shorter time, but that shouldn't change the value of the current.

If the continuous light was going on photodiode long enough, the capacitor would loose its charge/voltage and the signal would decrease. I am pretty sure that didn't happen, and even if it did, it wouldn't explain, why the signal from pulse beam is lower.
 

Attachments

I have not used one for quite some time but isn't 10ns very fast for a Pockels cell?
 
hutchphd said:
I have not used one for quite some time but isn't 10ns very fast for a Pockels cell?

In my opinion. If you make voltage signal that has the right maximum value and length of 10 ns, you should be able to open the Pockels cell for 10 ns. I have yet worked only with this Pockels cell and it was already set up.

However I measured that the (FWHM) length of pulse cut out from continuous signal using Pockels cell was 10 ns, so it is probably possible to open the cell for 10 ns.
 
Even if the diode became conductive instantaneously, the RC of that circuit is 0.5 micro seconds. It simply can't switch that fast, right?

[edit] Suggestion, I would dump the 500 ohm resistor and put the photodiode in it's place.
 
The 500Ω resistor is the current sensing device in the circuit. Please reconsider your analysis...you certainly want to measure the photocurrent.
 
  • Like
Likes   Reactions: Paul Colby
hutchphd said:
The 500Ω resistor is the current sensing device in the circuit. Please reconsider your analysis...you certainly want to measure the photocurrent.
A resistor doesn't sense anything. The sensor is a scope measuring the voltage drop across the 500 ohm resistor. How does the circuit shown get around the 0.5 microsecond time constant shown? Inquiring minds would like to know.
 
  • #10
Paul Colby said:
Even if the diode became conductive instantaneously, the RC of that circuit is 0.5 micro seconds. It simply can't switch that fast, right?

[edit] Suggestion, I would dump the 500 ohm resistor and put the photodiode in it's place.

Well, I cannot explain the fast switch, but next week I can look at the electrical circuit, if I read the parameters correctly. The photodiode was built by someone else. On the capacitor was written 100k x 40 V, which should mean, that the capacitance is 100 nF and maximum voltage is 40 V.

Can you please explain, how would dumping the resistor help? I think that I would measure the voltage on the capacitor, if I dumped the resistor. And that's not any good, is it?
 
  • #11
I was suggesting replacing the 500 ohm resistor with the photodiode and the diode with a wire. With 50 ohm termination on the scope, I think this isn't a great suggestion as the bulk of the photo current flows into the scope. Assuming all the photo current flows through the 50 ohms of the scope, then the time constant is 50 ns rather than the 500 ns I was complaining about prior. This is still 5 times the 10 ns pulse with you are attempting to measure.
 
  • #12
Paul Colby said:
A resistor doesn't sense anything. The sensor is a scope measuring the voltage drop across the 500 ohm resistor. How does the circuit shown get around the 0.5 microsecond time constant shown? Inquiring minds would like to know.
I will elucidate. The photocurrent is controlled only by the illumination of the photodiode (and very linearly). The measured voltage is simply the photocurrent x(500Ω) independent of C. The effect of C is to keep the backbias on the photodiode more stable.

Inquiring minds now know.
 
  • #13
Paul Colby said:
I was suggesting replacing the 500 ohm resistor with the photodiode and the diode with a wire. With 50 ohm termination on the scope, I think this isn't a great suggestion as the bulk of the photo current flows into the scope. Assuming all the photo current flows through the 50 ohms of the scope, then the time constant is 50 ns rather than the 500 ns I was complaining about prior. This is still 5 times the 10 ns pulse with you are attempting to measure.
An oscilloscope measures voltage, not current. This is just a very bad idea, please analyze the circuit again..
 
  • Like
Likes   Reactions: Paul Colby
  • #14
I agree. Missed a few zeros and missed the real problem. The rise time should be dominated by the the diode capacitance and the input capacitance of the scope. I stand corrected.
 
  • Like
Likes   Reactions: hutchphd
  • #15
hutchphd said:
An oscilloscope measures voltage, not current. This is just a very bad idea, please analyze the circuit again..
So, the photo current at DC will flow through the 500 ohm resistor assuming the scope is capacitively coupled. For a short pulse, the majority of the current will flow through the 50 ohm impedance of the scope, 50 being 10 times smaller than 500. For roughly the same current, ohms law would suggest 1/10 the voltage would be developed across the scope for the pulse than for the DC case.
 
  • #16
The intrinsic input impedance of most scopes is quite high (MΩ) and that is how they are normally used. The 50Ω input is a purely resistive load used for very high frequency where the reflection inside the cables (50Ω impedance) could be an issue (1 nanosecond per foot!). It will affect the signal as you say but the capacitive coupling part is not correct. It will affect both the steady state and pulse signal equally (I assume DC coupling for the steady state and therefore also for the transient).
So unless the input parameters for the scope are switched I don't think that is the root of the discrepancy.
 
  • #17
Ah, this is interesting, thanks. I think I see now. Even with a high impedance scope the current is established as soon as charge carriers are present, this raising the voltage drop across the 500 ohm resistor to it's static level for a 10 ns period (thanks to the cap). nice. I think I see what you are getting at. Perhaps the OP should consider a different scope impedance termination?

So, if the scope input impedance is 50 ohms as stated, this is problematic as I suggest.
 
  • #18
Well if he just wants to compare the two it should be consistent at 50 ohm DC coupled. The actual size of the photocurrent will need use the 50 ohms in parallel with the 500 ohms to get the actual number from the measured voltage. I still don't really see why the peak should differ in size unless Pockels cell is not getting full rotation of polarization. Maybe we're 'missing something...I've modulated LEDs at nearly 100MHz but not lasers with a shutter.
 
  • #19
kicklop said:
Thank you for your response.

I attached the spec sheet for the photodiode (APY 13 II) as well as electrical cicuit of the diode. Instead of voltmeter, there is an oscilloscope with 50 Ω termination.
I have also measured the response time of the photodiode. Its rise time is 0.5 ns and the fall time is 1 ns.

View attachment 249488

I have thought about the capacitor, but I am not very familiar with electrical circuits.
The capacitor is fully charged to voltage 25 V, when there is no light. Then I think the capacitor behaves the same for both cases. Incident photons decrease the resistance of photodiode and current flows from the capacitor through the diode to earth. For the pulse beam, the current flows for a shorter time, but that shouldn't change the value of the current.

If the continuous light was going on photodiode long enough, the capacitor would loose its charge/voltage and the signal would decrease. I am pretty sure that didn't happen, and even if it did, it wouldn't explain, why the signal from pulse beam is lower.
The 15k and 11n are causing problems with pulsed/continuous signals. I should get rid of these. Then the average current in the 500 Ohm resistor will depend only on mark/space ratio (the on/off ratio). The diode always conducts the same when the light is on, so its linearity is not an issue. A voltage indicator with an averaging characteristic is needed, such as an analogue microammeter. A traditional CRO will not perform averaging and is peak-reading. A high value resistor in series with the CRO, followed by a shunt capacitor, such that the pulse is completely smoothed out, will make it average-reading.
 
  • #20
The OP is not interested in a rms reading. As I understand the question he is interested in peak so I don't understand @tech99 comments.

However I just rechecked the specification for this photodiode and this is a slow diode.! In fact with 10kΩ the rise time spec is 20μs. Case closed. We can all say "DUH" together now...
 
  • #21
hutchphd said:
Case closed. We can all say "DUH" together now...
Except the 11kOhm is used to charge the cap. The diode discharges (slightly) the cap through the parallel combination of the 500 ohms and the impedance of the scope. So, I'm confused by your comment.
 
  • #22
Ah, the plot on the lower left of page 45 of the spec show the ##f_g## of 20 kHz for a 0 ohm load. That's slow if ##f_g## is what I think it is.

##f_g## is indeed the cutoff frequency of the diode.
Explanation of ##f_g##
 
Last edited:
  • Like
Likes   Reactions: kicklop
  • #23
Paul Colby said:
Except the 11kOhm is used to charge the cap. The diode discharges (slightly) the cap through the parallel combination of the 500 ohms and the impedance of the scope. So, I'm confused by your comment.
Yes that is a good point (that I forgot about ...it is now tomorrow)
But they don't even spec the diode that fast and as you note later the extrapolations do not look good. Are germaniun photodiodes slower than silicon?? I should know but i don't.
Anyhow I am no longer surprised by the result.
 
  • Like
Likes   Reactions: Paul Colby
  • #24
hutchphd said:
The OP is not interested in a rms reading. As I understand the question he is interested in peak so I don't understand @tech99 comments.
My mistake, I should have read the question better.
 
  • Like
Likes   Reactions: hutchphd
  • #25
Thank you all for answering the original question. However, I still have a few follow-up comments and questions and I would be glad, if you helped me.

hutchphd said:
However I just rechecked the specification for this photodiode and this is a slow diode.! In fact with 10kΩ the rise time spec is 20μs. Case closed. We can all say "DUH" together now...
Thanks for finding the missing piece.
But in my defence, I measured the rise time of the photodiode before looking for the spec sheet, because my colleagues told me, I wouldn't find it. I shined a laser pulse with rise time and fall time each 200 ps at the photodiode. The measured voltage from the diode had rise time of 500 ps. I think that this is the method to experimentally determine the rise time of a photodiode.

I thought that if rise time is 20 μs and any light pulse shorter than 20 μs (e.g. 200 ps) reaches the photodiode, the output voltage always has the rise time of 20 μs. Is my assumption wrong? Can light pulses shorter than rise time create voltage pulses with shorter rise times?

Paul Colby said:
fg is indeed the cutoff frequency of the diode.
Is the cutoff frequency equal to the bandwidth frequency (in case of photodiodes)?
In other words can the rise time be determined from trise = 0.35/fg ?
(I found the equation on https://www.thorlabs.com/tutorials.cfm?tabID=787382FF-26EB-4A7E-B021-BF65C5BF164B )

hutchphd said:
Are germaniun photodiodes slower than silicon??
Yes, they are, according to the web page above.
 
  • #26
kicklop said:
In other words can the rise time be determined from trise = 0.35/fg ?
Well, yes provided the internal shunt resistance of the diode is negligible when added (in parallel) to the load resistance shown in the equivalent circuit. This statement was also made in the link I provided. What I can't reconcile is the diode cut off frequency, ##f_p##. quoted in the spec you provided. For ##10^0=1k##[1], ##f_p##=20 kHz which is way too slow for your application. The only plausible argument I can put forward is the junction for your diode must be very thick.

[1] See the plot of ##f_p## versus ##R_\text{Load}## provided on the bottom left of page 45 in the spec.
 
  • Like
Likes   Reactions: kicklop
  • #27
kicklop said:
The measured voltage from the diode had rise time of 500 ps.

I believe that the the rise time for a photodiode is defined as the time to go from 10% to 90% of full output (at incident light level). So I really don't see how you made this measurement??

This is essentially an RC filter. It will respond to a fast sharp square light pulse by producing a smaller less sharp pulse which is what you presumably see.
 
  • Like
Likes   Reactions: kicklop
  • #28
hutchphd said:
I believe that the the rise time for a photodiode is defined as the time to go from 10% to 90% of full output (at incident light level). So I really don't see how you made this measurement??

This is essentially an RC filter. It will respond to a fast sharp square light pulse by producing a smaller less sharp pulse which is what you presumably see.

Well, now I see, that I didn't measure the rise time. I measured a fast sharp light pulse and it produced a less sharp one, exactly as you say. Thank you for the clarification.

Paul Colby said:
What I can't reconcile is the diode cut off frequency, ##f_p##. quoted in the spec you provided. For ##10^0=1k##[1], ##f_p##=20 kHz which is way too slow for your application.

I used a too slow diode and that should be the reason, why the peak signals of continuous and pulse light pulses weren't the same.
 
  • #29
Glad we could help.
 

Similar threads

Replies
7
Views
3K
  • · Replies 22 ·
Replies
22
Views
4K
  • · Replies 1 ·
Replies
1
Views
2K
  • · Replies 7 ·
Replies
7
Views
2K
  • · Replies 7 ·
Replies
7
Views
4K
  • · Replies 12 ·
Replies
12
Views
3K
Replies
5
Views
2K
  • · Replies 5 ·
Replies
5
Views
3K
  • · Replies 5 ·
Replies
5
Views
2K
Replies
9
Views
27K