Pin in Double Shear (Mechanics of Materials)

Click For Summary

Homework Help Overview

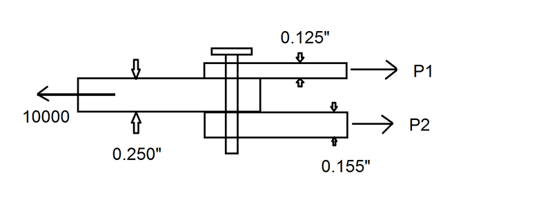
The discussion revolves around determining the loads P1 and P2 in lugs on the opposite side of a pin, given that the left lug carries a load of 10,000 lbs. The problem is situated within the context of mechanics of materials, specifically focusing on load distribution and equilibrium in a double shear scenario.

Discussion Character

  • Exploratory, Assumption checking, Problem interpretation

Approaches and Questions Raised

  • Participants explore the need for an additional equation to solve for P1 and P2, with some suggesting the use of stiffness information and others proposing torque considerations. There is a discussion about the implications of assuming identical strain in the lugs and the rigidity of the components involved. Questions arise regarding the adequacy of the provided diagram and the assumptions about the anchorage of the lugs.

Discussion Status

The discussion is ongoing, with various interpretations and approaches being explored. Some participants have provided hints and suggestions, while others express uncertainty about the assumptions being made, particularly regarding the stiffness and anchorage of the lugs. There is no explicit consensus on the best approach to take, and multiple lines of reasoning are being considered.

Contextual Notes

Participants note the lack of specific dimensions and material properties in the problem statement, which complicates the analysis. The hint regarding stiffness is debated, with some participants questioning its applicability given the information available. The diagram's clarity and the assumptions about the loading conditions are also under scrutiny.

michael page
Messages
11
Reaction score
0

Homework Statement


Knowing the left lug is carrying 10,000 lbs, determine the loads P1 and P2 in the lugs on the opposite side of the pin.

Homework Equations


Force Balance (ΣF=0)
Another equation needed

The Attempt at a Solution


10000 = P1 + P2
This is where I need another equation to generate another variable in terms of P1 or P2. No material is given (all must be same), nor width, nor diameter of pin. Only thicknesses are given. Hint says use stiffness information. I tried to put everything in terms of distributed load w but still got stuck.
 

Attachments

  • bolt_problem_stiffness.png
    bolt_problem_stiffness.png
    6.3 KB · Views: 854
Physics news on Phys.org
michael page said:
Hint says use stiffness information.
I don't see how to use stiffness since we know nothing about the pin. Try torque.
 
You are correct, another equation is needed. The diagram does not give the information necessary to find another equation. If we assume that the elongation of the two links loaded by P1 and P2 have identical strain and that the 0.250" lug is perfectly rigid, then it is possible to get the second equation.

Since your background is aerospace engineering, you should be able to appreciate that no good engineer would want to design a lug with an unbalanced load.
 
jrmichler said:
The diagram does not give the information necessary to find another equation.
Yes it does. See post #2.
 
OOPS, yes now I see it (where's that thumps head with palm emoji when I need it?). Forces do not prevent rotation, so getting the second equation is a sum of moments problem.
 
Ok the hint says "Stiffness governs distribution of load".
I put everything in terms of distributed loads, w.

Based on area of rectangles I tried to say:
since t2 = 1.24*t1
w2 = 1.24*w1

But then when I solve for w1 and w2 from this method they don't add up to 10,000 (upon converting back to force).

Still trying things.
 
jrmichler said:
OOPS, yes now I see it (where's that thumps head with palm emoji when I need it?). Forces do not prevent rotation, so getting the second equation is a sum of moments problem.

It's not a beam there are no fixed ends.
 
michael page said:
Ok the hint says "Stiffness governs distribution of load".
I put everything in terms of distributed loads, w.

Based on area of rectangles I tried to say:
since t2 = 1.24*t1
w2 = 1.24*w1

But then when I solve for w1 and w2 from this method they don't add up to 10,000 (upon converting back to force).

Still trying things.
As I posted, I don't think you can use stiffness, despite the hint.

The diagram shows P1 and P2 as being central in their respective lugs. If that is correct you can use torque.

If that is not to be trusted then P1 and P2 could be equal. Nothing in the real world is perfectly stiff or fits perfectly snugly, so suppose e.g. that the pin flexes but fits relatively loosely within the lug holes. In this case, the principal contact between pin and lugs is at the face adjacent to the left-hand lug. Correspondingly, P1 and P2 would be adjacent to that face and equal. The thicknesses of the two right hand lugs becomes irrelevant.

We could make all sorts of alternative assumptions about stiffness and fit, consistent with the diagram, to arrive at different conclusions.
 
haruspex said:
As I posted, I don't think you can use stiffness, despite the hint.

The diagram shows P1 and P2 as being central in their respective lugs. If that is correct you can use torque.

If that is not to be trusted then P1 and P2 could be equal. Nothing in the real world is perfectly stiff or fits perfectly snugly, so suppose e.g. that the pin flexes but fits relatively loosely within the lug holes. In this case, the principal contact between pin and lugs is at the face adjacent to the left-hand lug. Correspondingly, P1 and P2 would be adjacent to that face and equal. The thicknesses of the two right hand lugs becomes irrelevant.

We could make all sorts of alternative assumptions about stiffness and fit, consistent with the diagram, to arrive at different conclusions.

What if I just said the deflection of the right is the opposite of the deflection of the left would that get me anywhere?
 
  • #10
michael page said:
What if I just said the deflection of the right is the opposite of the deflection of the left would that get me anywhere?
What deflections, exactly?
 
  • #11
michael page said:
It's not a beam there are no fixed ends.
So?
 
  • #12
haruspex said:
So?
They all have the same width. It's not shown as a variable though.
If kL = AL * EL / LL for the single element on the left what's the right hand side of this equation?
Like how do you superimpose the two stiffnesses in parallel like that again, for the right two bars?
 
  • #13
michael page said:
They all have the same width. It's not shown as a variable though.
If kL = AL * EL / LL for the single element on the left what's the right hand side of this equation?
Like how do you superimpose the two stiffnesses in parallel like that again, for the right two bars?
You seem to be thinking of stiffness purely in regard to elongation of the three lugs. Assuming the right hand two are independently secured at the far end, this cannot be relevant. The only way stiffness could come into it is in terms of flexing of the pin and/or lugs.
 
  • #14
jrmichler said:
You are correct, another equation is needed. The diagram does not give the information necessary to find another equation. If we assume that the elongation of the two links loaded by P1 and P2 have identical strain and that the 0.250" lug is perfectly rigid, then it is possible to get the second equation.

Since your background is aerospace engineering, you should be able to appreciate that no good engineer would want to design a lug with an unbalanced load.

I guess this will have to work. I did what you said. w and E cancelled, you generate the second equation, has to be it am I right??!
Thank you,
Michael
 
  • #15
michael page said:
I guess this will have to work. I did what you said. w and E cancelled, you generate the second equation, has to be it am I right??!
Thank you,
Michael
As I posted, there is no indication that the two right hand lugs are anchored to the same (rigid) support at the far end. Without that, there is no basis for saying they have the same strain.
Why will you not consider torque?
 
  • #16
haruspex said:
As I posted, there is no indication that the two right hand lugs are anchored to the same (rigid) support at the far end. Without that, there is no basis for saying they have the same strain.
Why will you not consider torque?

There's also nothing to say from the diagram that they aren't both fixed to the same thing.
Unless you mean a force-couple, torsion was not covered yet in any section of the book. If you could show me something with a force-couple I'm 100% open to looking into that.
 
  • #17
I could have drawn it better but I sketched it in like 2 mins. The ends of the bar go on indefinitely on my handout, on both sides.
They also show a top view where it can be seen that each lug has same width but it's not given a variable name so it's not something to really consider I don't think.
Michael
 
  • #18
michael page said:
There's also nothing to say from the diagram that they aren't both fixed to the same thing.
If the solution depends on such anchorage then it should surely be shown in the diagram. Also it would depend on that distant anchorage, and the left hand lug, being rigid.
michael page said:
torsion was not covered yet in any section of the book.
It is not a matter of torsion in the sense of strain, simply a static balance. The net torque on the pin must be zero. If you assume P1 and P2 act exactly as show, along the centre lines of the lugs, this gives you the ratio between them.

Now, I am not at all certain that this is the intended solution, especially in view of the hint. But if we take the information as given it is the most reasonable approach I can see. It could be just a poorly posed question.
 
  • #19
There is an old engineering adage that says, "Load follows stiffness." The displacements of the upper and lower members wil be the same by virtue of the pin joint. This means that both see the same strain. The load in each member is proportional to the strain in the member.
 
  • #20
Dr.D said:
There is an old engineering adage that says, "Load follows stiffness." The displacements of the upper and lower members wil be the same by virtue of the pin joint. This means that both see the same strain. The load in each member is proportional to the strain in the member.
You are making the assumption that the far ends of the two right-hand lugs have not undergone any relative displacement in going from a state of no tension to the current state. The only evidence I see for that assumption is the hint. Other than that, the tensions could have been applied by tightening two nuts independently, e.g.
So, yes, this may be how the problem setter expects it to be solved, but if so it is very poorly specified.
 
  • #21
haruspex said:
So, yes, this may be how the problem setter expects it to be solved, but if so it is very poorly specified.

I would not dare to argue with such an august, magisterial personage as haruspex, so there can be no doubt that it is my fault if the problem does not measure up to his grand standards.

This is rather like the difference between second moment of area and area moment of inertia. The statement of this problem, along with the hint, is simply the way that engineers communicate. If you say to a structural engineer, "the problem with your design is an inadequate second moment of area" he is almost certain to look at you like you have grown several extra heads. In that case, there is one term that is correct, and a different term that communicates meaning. Exactly the same thing is happening in this problem, even if it distresses those who demand correct terminology.
 
  • #22
Dr.D said:
distresses those who demand correct terminology.
In this thread it is not a question of terminology but one of problem specification. Were it not for the hint there would be no basis whatsoever for supposing the strain is the same in both lugs.
 
  • #23
haruspex said:
Were it not for the hint there would be no basis whatsoever for supposing the strain is the same in both lugs.

Ah, but the hint was there. That makes all the difference in the world!
 
  • Like
Likes   Reactions: michael page
  • #24
Dr.D said:
Ah, but the hint was there. That makes all the difference in the world!
The difference it makes is that it allows one to guess what it is the problem setter forgot to specify. It does not make the problem well specified.
"Two spheres roll down an incline. Which reaches the bottom first?
Hint: hollow and solid spheres have different moments of inertia"
 
  • #25
haruspex said:
You are making the assumption that the far ends of the two right-hand lugs have not undergone any relative displacement in going from a state of no tension to the current state. The only evidence I see for that assumption is the hint. Other than that, the tensions could have been applied by tightening two nuts independently, e.g.
So, yes, this may be how the problem setter expects it to be solved, but if so it is very poorly specified.

Thanks. It makes sense to me that both lug's strains can't be known simultaneously without more information. So I set the left one equal to zero.
I also read into the next chapter and I am confident this is the method he wanted us to take (in hindsight).
 

Similar threads

  • · Replies 3 ·
Replies
3
Views
2K
  • · Replies 2 ·
Replies
2
Views
2K
Replies
4
Views
5K
  • · Replies 16 ·
Replies
16
Views
3K
  • · Replies 2 ·
Replies
2
Views
10K
Replies
1
Views
8K
  • · Replies 3 ·
Replies
3
Views
2K
Replies
11
Views
3K
  • · Replies 6 ·
Replies
6
Views
3K
  • · Replies 1 ·
Replies
1
Views
2K