RC circuits multpile R's and C's

Click For Summary

Discussion Overview

The discussion revolves around deriving the general RC equation for a circuit with multiple resistors and capacitors. Participants explore theoretical approaches to simplifying the circuit and understanding the relationships between charge, current, and time.

Discussion Character

  • Exploratory
  • Technical explanation
  • Conceptual clarification

Main Points Raised

  • One participant inquires whether the circuit can be reduced to equivalent resistance and capacitance to derive a general equation.
  • Another participant asks for clarification on what specific information is needed, such as current or transient equations.
  • A participant presents a standard RC equation and suggests that if only the charge as a function of time is of interest, other branches can be neglected.
  • Another participant proposes a specific equation for charge over time, indicating it is valid under certain conditions related to total charge supplied by the battery.

Areas of Agreement / Disagreement

Participants express differing views on the necessity of simplifying the circuit versus deriving a general equation. There is no consensus on the best approach to take or the specific details needed for the derivation.

Contextual Notes

There are limitations regarding the assumptions made about the circuit configuration and the definitions of equivalent resistance and capacitance. The discussion does not resolve these aspects.

Arman777
Insights Author
Gold Member
Messages
2,163
Reaction score
191
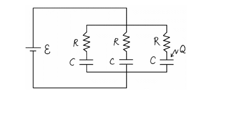
I have a circuit which it looks like this.
Adsız.png


We need to write the general RC equation.Can I reduce this circuit to like ##R_{eq}## and ##C_{eq}## then solve it ?

This is not a homework question.Just need theoretical approach
 
Physics news on Phys.org
Arman777 said:
We need to write the general RC equation.
What do you want to know? The current, the transient equation or what? You have indicated a "Q" - do you want to know the charge on the capacitor, and at what point in time? Come on - be specific!
 
Like in simple one its ##ε=R\frac {dQ} {dt}+\frac {Q} {C}##
Svein said:
What do you want to know? The current, the transient equation or what? You have indicated a "Q" - do you want to know the charge on the capacitor, and at what point in time? Come on - be specific!
 
Arman777 said:
Like in simple one its ##ε=R\frac {dQ} {dt}+\frac {Q} {C}##
Right.
If you are only interested in finding 'Q' as a function of time, you can neglect the other two RC branches and go with this equation.
 
cnh1995 said:
Right.
If you are only interested in finding 'Q' as a function of time, you can neglect the other two RC branches and go with this equation.

But we need general equation...I found like ##Q(t)=3Cε(1-e^{\frac {-t} {RC}})##
 
Arman777 said:
But we need general equation...I found like ##Q(t)=3Cε(1-e^{\frac {-t} {RC}})##
That's correct, provided Q is the total charge supplied by the battery.
 
  • Like
Likes   Reactions: vanhees71
Thanks
 

Similar threads

  • · Replies 7 ·
Replies
7
Views
3K
  • · Replies 17 ·
Replies
17
Views
12K
  • · Replies 9 ·
Replies
9
Views
4K
  • · Replies 27 ·
Replies
27
Views
3K
Replies
2
Views
3K
  • · Replies 11 ·
Replies
11
Views
2K
  • · Replies 2 ·
Replies
2
Views
2K
  • · Replies 21 ·
Replies
21
Views
2K
  • · Replies 10 ·
Replies
10
Views
1K
  • · Replies 1 ·
Replies
1
Views
3K