Reducing energy consumption and heat exchanger network

Click For Summary

Discussion Overview

The discussion revolves around optimizing a heat exchanger network to reduce energy consumption in a chemical process involving the production of acetone from isopropyl alcohol. Participants explore various process changes, including adjustments to temperature and pressure, while maintaining product quality and production rates. The focus is on identifying strategies to enhance energy efficiency through simulation results and heat curve analysis.

Discussion Character

  • Homework-related
  • Technical explanation
  • Exploratory
  • Debate/contested

Main Points Raised

  • The original poster (OP) presents a converged Aspen simulation and seeks suggestions for improving process efficiency, particularly through heat exchanger modifications.
  • One participant suggests adding a heater before the reactor to preheat the isopropyl alcohol (IP) using low-pressure steam, which is cheaper than hot oil, but notes issues with simulation convergence and mass flow rate discrepancies.
  • Another participant expresses skepticism about the reliability of results from a non-converged Aspen simulation and advises checking the pressure drop in the feed preheater.
  • There is a suggestion to increase the feed pressure as an alternative approach to address the simulation issues.
  • Participants discuss whether the reactor's performance varies with different feed temperatures, with some asserting that there should be no difference if temperature dependencies are absent.
  • The OP mentions adding both a preheater and a cooler to the process and seeks guidance on interpreting the grand composite curve to improve energy efficiency.
  • Concerns are raised about the utility costs associated with the current setup, especially with a higher minimum temperature difference (DTmin) of 20°C.

Areas of Agreement / Disagreement

Participants express differing views on the reliability of simulation results and the impact of temperature and pressure changes on reactor performance. There is no consensus on the best approach to optimize the heat exchanger network, and multiple competing ideas are presented.

Contextual Notes

Participants note issues with simulation convergence and the implications of pressure and temperature adjustments on process performance. The discussion highlights the complexity of optimizing heat exchanger networks and the need for careful consideration of various operational parameters.

gfd43tg
Gold Member
Messages
949
Reaction score
48

Homework Statement


If you are allowed to make changes of column pressure and temperature, stream preheating or cooling temperature, please propose a process change that can significantly reduce the energy consumption at DTmin of 10°C. The modified process should maintain the product quality and production rate unchanged.
upload_2015-5-2_23-12-56.png
Utility Information

Low pressure steam (LP, 140°C) = 0.03 $/kWh = 240 $/kW-Yr

Medium pressure steam (MP, 170°C) = 0.05 $/kWh = 400 $/kW-Yr

High pressure steam (HP, 200°C) = 0.07 $/kWh = 560 $/kW-Yr

Hot Oil (HO, supply 450°C – return ≥ 300°C) = 0.15 $/kWh= 1200 $/kW-Yr

Electricity = 0.1 $/kWh = 800 $/kW-Yr

Cooling water (CW, 30°C) = 0.005 $/kWh = 40 $/kW-Yr

Chilled Water (ChW, 5°C) = 0.05 $/kWh = 400 $/kW-Yr

Refrigeration

(R-10, -10°C) = 0.1 $/kWh = 800 $/kW-Yr

(R-50, -50°C) = 0.3 $/kWh = 2400 $/kW-Yr

(R-100, -100°C) = 1 $/kWh = 8000 $/kW-Yr

(R-200, -200°C) = 5 $/kWh = 40000 $/kW-Yr

Homework Equations

The Attempt at a Solution


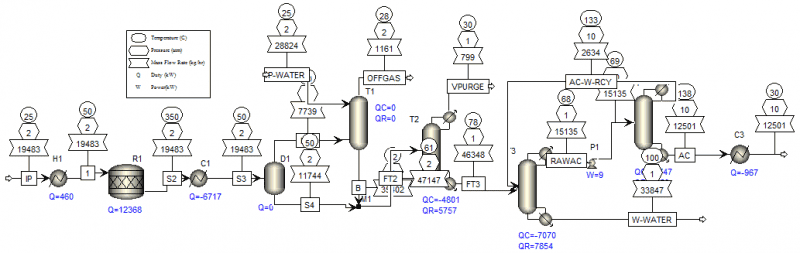
This is my converged aspen simulation of a process to produce acetone (AC) from isopropyl alcohol (IP). I used a heat exchanger simulation software and here are my streams
upload_2015-5-2_23-11-57.png

Basically just inputting the heat duties of all the units. I just do a heat curve analysis and when the heat capacity changes I add a separate cooler, which is why there are blank rows in "Name", because the specific heat capacity is assumed to be constant only in one phase.

This is my composite curve
upload_2015-5-2_23-15-22.png


This is my heat exchanger network
upload_2015-5-2_23-15-49.png


I'm wondering what I could do to improve the efficiency of this process? Or at least places I could start looking and what I should look for.
 
Last edited:
Physics news on Phys.org
Some new idea, I decided to add a heater before the reactor in order to preheat the IP, since I can use low pressure steam which is cheaper than hot oil for the reactor. However, for some reason the Aspen file will not converge when I add this heater. The amount of IP being fed is changed, even though I specify the amount. In the OP the mass flow rate is 19483 kg/hr, now its 21123 kg/hr. It is quite strange.

upload_2015-5-4_16-16-19.png

The Energy report from SPRINT
upload_2015-5-4_16-20-35.png


This is my original energy report from the previous iteration
upload_2015-5-4_16-22-11.png
 
Wouldn't trust any answer at all from a non-converged A+ simulation.
I have preciously little to go by, but my advice is to check the pressure drop in the feed preheater. T1 has trouble now (offgas flow disproportional) and then T2 crashes.
Good luck !
 
If you wish, I can send you the Aspen file, but in the mean time I will try your suggestion
 
Either that or increase the feed pressure.
Something else that came to mind: does the reactor do the same thing with a feed of 25 degrees as it does with a feed of 140 degrees ?
 
As far as I know there is no difference
 
If there are no temperature dependencies in the reactor, then it must be the pressure ...
 
Ah yes, I forgot that the pressure in the preheater should be 2 atm.
 
Okay, so I added a preheater before the reactor to IP, and a cooler for the AC.

upload_2015-5-6_20-57-55.png


This is my grand composite curve, and I should somehow use it to improve my energy efficiency. I know the flat blue lines are the utilities that I need, but I am unsure how to translate this curve into my process so that I know where I should put heaters/coolers.

upload_2015-5-6_20-59-24.png


And here is my utilities cost (this one is higher because DTmin is 20 C), but I have improved it with what I have done so far

upload_2015-5-6_21-8-12.png
 
Last edited:

Similar threads

  • · Replies 2 ·
Replies
2
Views
2K
  • · Replies 50 ·
2
Replies
50
Views
12K
  • · Replies 20 ·
Replies
20
Views
4K
  • · Replies 12 ·
Replies
12
Views
4K
  • · Replies 7 ·
Replies
7
Views
3K
Replies
23
Views
3K
  • · Replies 1 ·
Replies
1
Views
2K
  • · Replies 44 ·
2
Replies
44
Views
8K
  • · Replies 7 ·
Replies
7
Views
4K
  • · Replies 2 ·
Replies
2
Views
3K