S-domain analysis with initial conditions

Click For Summary
SUMMARY

The discussion focuses on S-domain analysis in circuit theory, specifically addressing the application of initial conditions in mesh equations. A participant questions the necessity of an initial condition source for an inductor at steady state (t = 0-), suggesting that it is not required. Another participant recommends using Thevenin's theorem to simplify the circuit before formulating loop equations, which would streamline the analysis for t > 0.

PREREQUISITES
  • Understanding of S-domain analysis in circuit theory
  • Familiarity with mesh analysis and loop equations
  • Knowledge of Thevenin's theorem
  • Basic concepts of inductors and initial conditions in circuits
NEXT STEPS
  • Study Thevenin's theorem applications in circuit simplification
  • Explore S-domain analysis techniques for circuit analysis
  • Learn about the role of initial conditions in transient analysis
  • Investigate mesh analysis for complex circuits
USEFUL FOR

Electrical engineering students, circuit designers, and anyone involved in analyzing transient responses in electrical circuits.

jisbon
Messages
475
Reaction score
30
Homework Statement
-
Relevant Equations
-
1600066708663.png


I've attempted this questions after understanding the theory from my lecture notes, but my equation is looking bizarre here. Is this correct so far?

1600066812562.png

Are my mesh equations correct here?
Thanks.
 
Physics news on Phys.org
Hi @jisbon,

What's this voltage source all about?
1600123776126.png

At steady state (t = 0-) there's no current through the inductor, so it shouldn't require an "initial condition" source.

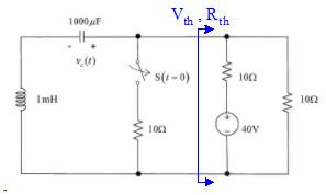
My first instinct would be to reduce the voltage source and resistors to their Thevenin equivalent before writing loop equations. That'd reduce your ##t > 0## circuit to a single loop (and hence a single equation):

1600124301954.png
 

Similar threads

  • · Replies 1 ·
Replies
1
Views
3K
  • · Replies 7 ·
Replies
7
Views
2K
  • · Replies 3 ·
Replies
3
Views
3K
  • · Replies 1 ·
Replies
1
Views
2K
  • · Replies 1 ·
Replies
1
Views
2K
  • · Replies 7 ·
Replies
7
Views
2K
  • · Replies 6 ·
Replies
6
Views
3K
Replies
18
Views
2K
Replies
8
Views
3K