The reading of the ammeter and the reading of the voltmeter.

Click For Summary

Homework Help Overview

The discussion revolves around a circuit analysis problem involving an ammeter and voltmeter readings under different conditions of circuit keys S1 and S2. The subject area includes basic circuit theory and electrical resistance.

Discussion Character

  • Exploratory, Conceptual clarification, Problem interpretation

Approaches and Questions Raised

  • Participants discuss the readings of the ammeter and voltmeter for various configurations of the circuit. Questions arise regarding the reasoning behind the voltage reading being zero in one case, and the implications of short-circuiting a resistor.

Discussion Status

Some participants express agreement with the original poster's calculations, while others seek further clarification on the underlying physics of the circuit behavior. There is an ongoing exploration of the effects of the circuit keys on the resistances involved.

Contextual Notes

Participants note the assumption of neglecting the internal resistance of the source and question the implications of short-circuiting components within the circuit.

Asmaa Mohammad
Messages
182
Reaction score
7

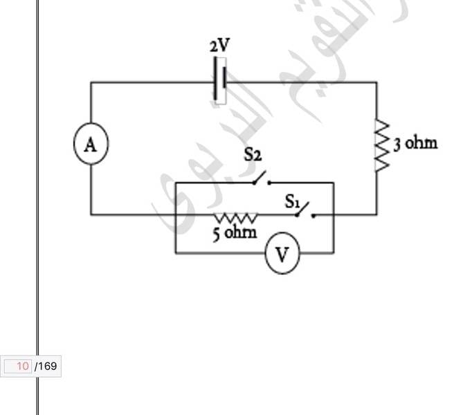
Homework Statement


In this circuit
bYQ3m.jpg

What will be the reading of the ammeter and that of the voltmeter when:
1. Key S1 and key S2 are open.
2. Key S1 and key S2 are closed.
3. Key S1 is closed and key S2 is open.
(Neglect the internal resistance of the source)

Homework Equations

The Attempt at a Solution


That might be an easy question, but my book doesn't give the solution, and I want to amke sure of my work.

Case 1.
i = 0
V = 2V

Case 2.
i = V/R =2/3 A
V = Vb - iR = 2 - ((2/3) * 3 = 0

Case 3.
Rt = 5+3 = 8 ohm
i = V/Rt = 2/8 = 0.25 A

V = iR = 0.25 * 5 = 1.25 V

So, is my answer correct.
 
Physics news on Phys.org
Yes, I think you have got all 3 right.
 
  • Like
Likes   Reactions: Asmaa Mohammad
Ok, but I can't understand why in case two the voltage will be zero? I understand the maths but I don't understand the physics explanation.
 
Asmaa Mohammad said:
Ok, but I can't understand why in case two the voltage will be zero? I understand the maths but I don't understand the physics explanation.
What does S2 do to the 5 ohm resistor?
 
cnh1995 said:
What does S2 do to the 5 ohm resistor?
S2 cancels the resistance 5 ohm.
But we do still have the resistance 3 ohm.
 
Asmaa Mohammad said:
S2 cancels the resistance 5 ohm.
In technical terms, S2 short-circuits the 5 ohm resistor. So the 5 ohm resistor is ineffective.
 
cnh1995 said:
In technical terms, S2 short-circuits the 5 ohm resistor. So the 5 ohm resistor is ineffective.
OK, and then what? more explanation please!
 
Asmaa Mohammad said:
OK, and then what? more explanation please!
What is the resistance of S2 and the wire that shorts the 5 ohm resistance?
 
It is zero so the voltage is zero.
Ok, I got it. But what's your opinion about the whole solution?
 
  • #10
Asmaa Mohammad said:
It is zero so the voltage is zero.
Ok, I got. But what's your opinion about the whole solution?
andrevdh said:
I think you have got all 3 right.
 
  • #11
the current calculation (correctly) assumes the resistance of the parallel combination is zero and for the voltage it subtracts the voltage drop over the 3 ohm resistor from the power supply's voltage to obtain the voltage over the combination (the remaining part of the circuit) - a bit of a merry go round way of doing the calculation if you ask me. Words would have done better to provide the answer.
 
  • Like
Likes   Reactions: Asmaa Mohammad

Similar threads

  • · Replies 17 ·
Replies
17
Views
2K
  • · Replies 4 ·
Replies
4
Views
4K
  • · Replies 11 ·
Replies
11
Views
5K
Replies
5
Views
2K
  • · Replies 1 ·
Replies
1
Views
865
Replies
3
Views
2K
  • · Replies 10 ·
Replies
10
Views
2K
  • · Replies 12 ·
Replies
12
Views
4K
  • · Replies 10 ·
Replies
10
Views
10K
  • · Replies 25 ·
Replies
25
Views
11K