Underdamped Parallel RLC Circuit

Click For Summary

Discussion Overview

The discussion revolves around analyzing an underdamped parallel RLC circuit, specifically focusing on determining the voltage across the capacitor as a function of time. Participants are exploring the derivation of the voltage equation and the initial conditions necessary for solving for constants in that equation.

Discussion Character

  • Technical explanation
  • Mathematical reasoning
  • Homework-related

Main Points Raised

  • One participant presents the equation v(t) = [A_1 cos(600t) + A_2 sin(600t)]e^(-800t) and expresses confidence in their analysis up to that point.
  • Another participant suggests that two equations can be derived from initial conditions to solve for the constants A_1 and A_2.
  • A participant states that V(0) = 0V and mentions the current across the inductor as 0.5A, questioning how these values relate to the derived equation.
  • There is a clarification about the distinction between current through and voltage across components, emphasizing the importance of correct terminology.
  • A later reply challenges the correctness of the initial equation presented, suggesting that it does not match expectations at t=0+ and proposes evaluating circuits in the frequency domain for easier analysis.

Areas of Agreement / Disagreement

Participants express differing views on the correctness of the initial voltage equation and the interpretation of initial conditions. The discussion remains unresolved regarding the validity of the derived equation and the approach to finding the constants.

Contextual Notes

There are limitations regarding the assumptions made about initial conditions and the potential need for frequency domain analysis, which have not been fully explored or agreed upon by participants.

Jayalk97
Messages
45
Reaction score
5
Please post this type of questions in HW section using the template.
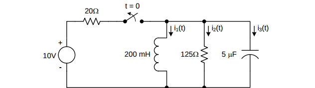
Hey guys, so I'm having trouble with this circuit analysis question. I need to find voltage across the capacitor as a function of time. I nearly finished analyzing but I'm having trouble solving for the initial value constants in the voltage equation. So first I used KCL to create the equation, then created a characteristic equation to find the type of response, which ended up being under-damped. I'm not trying to get any help with the acgtual numbers, but I end up with the equation v(t) = [A_1 cos(600t)+A_2 sin(600t)]e^(-800t). I'm fairly sure I'm correct so far, but how would I go about solving for A_1 and A_2? Thanks in advance!
upload_2017-10-30_16-56-8.png
 

Attachments

  • upload_2017-10-30_16-56-8.png
    upload_2017-10-30_16-56-8.png
    4.3 KB · Views: 2,105
Physics news on Phys.org
Jayalk97 said:
Hey guys, so I'm having trouble with this circuit analysis question. I need to find voltage across the capacitor as a function of time. I nearly finished analyzing but I'm having trouble solving for the initial value constants in the voltage equation. So first I used KCL to create the equation, then created a characteristic equation to find the type of response, which ended up being under-damped. I'm not trying to get any help with the acgtual numbers, but I end up with the equation v(t) = [A_1 cos(600t)+A_2 sin(600t)]e^(-800t). I'm fairly sure I'm correct so far, but how would I go about solving for A_1 and A_2? Thanks in advance!
View attachment 214062
You should be able to write 2 equations from the initial conditions that will help you solve for those 2 constants.

What is v(0)? What other initial equation can you write for t=0+ ?
 
berkeman said:
You should be able to write 2 equations from the initial conditions that will help you solve for those 2 constants.

What is v(0)? What other initial equation can you write for t=0+ ?

V(0) = 0V right? and Current across the inductor is 0.5A. I understand that I am supposed to use those to find the initial conditions, but how are those related to the equation I obtained?
 
Jayalk97 said:
Current across the inductor is 0.5A
current *through the inductor is 0.5A. I know it sounds like a trivial difference, but it is not. current goes through a component. Voltage goes across a component.
Jayalk97 said:
I understand that I am supposed to use those to find the initial conditions, but how are those related to the equation I obtained?
Well V(0)=0 is the initial condition. I already know the form of your equation in your first post is not correct, because at t=0+ it does not match expectations. Do you know how to evaluate circuits in the frequency domain, it would make the work easier. If not, why don't you post your KCL/kvl equations.
 
  • Like
Likes   Reactions: berkeman

Similar threads

  • · Replies 3 ·
Replies
3
Views
2K
  • · Replies 13 ·
Replies
13
Views
8K
  • · Replies 12 ·
Replies
12
Views
2K
  • · Replies 6 ·
Replies
6
Views
3K
  • · Replies 25 ·
Replies
25
Views
5K
  • · Replies 7 ·
Replies
7
Views
5K
  • · Replies 5 ·
Replies
5
Views
2K
  • · Replies 34 ·
2
Replies
34
Views
7K
  • · Replies 8 ·
Replies
8
Views
2K
Replies
2
Views
3K