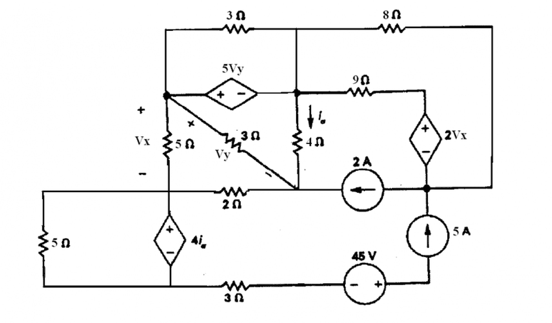
Use KCL and KVL to find the power supplied by the two ideal sources

Click For Summary
SUMMARY

This discussion focuses on applying Kirchhoff's Current Law (KCL) and Kirchhoff's Voltage Law (KVL) to determine the voltage across two ideal current sources of 2A and 5A. Participants emphasize the importance of eliminating non-contributing resistors, specifically a 5Ω resistor in parallel with a 4Io source and a 3Ω resistor in parallel with a 5Vy source, to simplify the circuit analysis. The discussion highlights the necessity of labeling mesh currents for clarity in calculations. The use of Ohm's Law is also implied as a fundamental tool in solving the problem.

PREREQUISITES
  • Understanding of Kirchhoff's Current Law (KCL)
  • Understanding of Kirchhoff's Voltage Law (KVL)
  • Familiarity with Ohm's Law
  • Basic circuit analysis techniques
NEXT STEPS
  • Practice circuit analysis using KCL and KVL with various configurations
  • Learn how to simplify circuits by eliminating non-contributing resistors
  • Study mesh analysis techniques for solving complex circuits
  • Explore advanced applications of Ohm's Law in circuit design
USEFUL FOR

Students studying electrical engineering, circuit designers, and anyone looking to improve their skills in circuit analysis and problem-solving using KCL and KVL.

MHGANAINY
Messages
1
Reaction score
0

Homework Statement


The Question wants to find the Voltage Across The Current Source 2A and 5A

Homework Equations


KVL
KCL
Ohm's Law

The Attempt at a Solution


I tried to Using KVL and KCL for all Closed paths and node but I just Couldn't Figure how to relate them to find the voltage across the ideal Current Source
 

Attachments

  • capture1.PNG
    capture1.PNG
    28.1 KB · Views: 866
Physics news on Phys.org
Hi MHGANAINY, Welcome to Physics Forums!

You'll have to show your work so we can see what's missing or what went wrong.
 
The first thing you should have done is to eliminate the 5Ω resistor in parallel with the 4Io source, and also eliminate the 3Ω resistor in parallel with the 5Vy source. Those two resistors have no effect on the rest of the circuit because they're in parallel with voltage sources.

Did this problem come from a textbook, or a handout given to you by the instructor? :)) It hurts my brain to look at it. Your instructor may be a sadist, in which case we are masochists. :rolleyes:

Show your circuit with the mesh currents labeled, for example as I1, I2, I3, etc. What did you get for the mesh currents?
 

Similar threads

  • · Replies 11 ·
Replies
11
Views
5K
  • · Replies 3 ·
Replies
3
Views
2K
  • · Replies 4 ·
Replies
4
Views
3K
  • · Replies 2 ·
Replies
2
Views
2K
  • · Replies 5 ·
Replies
5
Views
3K
  • · Replies 6 ·
Replies
6
Views
4K
Replies
15
Views
3K
  • · Replies 13 ·
Replies
13
Views
3K
  • · Replies 19 ·
Replies
19
Views
5K
  • · Replies 14 ·
Replies
14
Views
2K