What Is the Correct Way to Calculate Resistance in Complex Resistor Networks?

  • Thread starter Thread starter Drao92
  • Start date Start date
  • Tags Tags
    Network Resistor
Click For Summary

Homework Help Overview

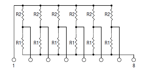
The discussion revolves around calculating electrical resistance in a complex resistor network involving resistors R1 and R2 with values of 220 ohms and 330 ohms, respectively. Participants are tasked with finding the resistance between various pins in the network, specifically between pins 1-8, 1-2, and 2-4, with expected values provided.

Discussion Character

  • Exploratory, Assumption checking, Problem interpretation

Approaches and Questions Raised

  • Participants share their attempts at calculating resistance for different pin combinations, with one participant expressing uncertainty about their methods. Questions arise regarding the implications of resistors not being isolated and the meaning of irreducible networks.

Discussion Status

Some participants have offered guidance on simplifying the circuit and suggested methods such as node-voltage analysis. Others are exploring different approaches, including Δ-Y transformations, indicating a variety of interpretations and strategies being discussed.

Contextual Notes

There is mention of confusion regarding the term "not isolated" in relation to the resistors, and participants are navigating the complexities of the circuit setup without a clear consensus on the best approach to take.

Drao92
Messages
70
Reaction score
0

Homework Statement


Hi guys,
Im new here and I am working for the first time with with these applications.
So, i have this resistor network https://www.physicsforums.com/attachment.php?attachmentid=44965&stc=1&d=1331497208 where R1=220 ohm and R2=330 ohm.
I must find the electrical resistance between pins 1-8, 1-2 and 2-4. They must give me around 92 ohm, 168 ohm and 265 ohm.

The Attempt at a Solution


For 1-8 i made (R1+R2)/6=91.66 ohm but for the others i don't know how to solve them. Ill be very glad if you`ll explain me 1-2 or 2-4 to understand how to solve these kind of problems.
PS: The resistors are not isolated, i also don't know what this means. :frown:

Well, for 1-2 i made ((R1+R2)/5+R1)*R2/(((R1+R2)/5+R1)+R2=165 ohm
 

Attachments

  • Untitled.png
    Untitled.png
    4.2 KB · Views: 978
Last edited:
Physics news on Phys.org
Drao92 said:

Homework Statement


Hi guys,
Im new here and I am working for the first time with with these applications.
So, i have this resistor network https://www.physicsforums.com/attachment.php?attachmentid=44965&stc=1&d=1331497208 where R1=220 ohm and R2=330 ohm.
I must find the electrical resistance between pins 1-8, 1-2 and 2-4. They must give me around 92 ohm, 168 ohm and 265 ohm.

The Attempt at a Solution


For 1-8 i made (R1+R2)/6=91.66 ohm but for the others i don't know how to solve them. Ill be very glad if you`ll explain me 1-2 or 2-4 to understand how to solve these kind of problems.
PS: The resistors are not isolated, i also don't know what this means. :frown:

Well, for 1-2 i made ((R1+R2)/5+R1)*R2/(((R1+R2)/5+R1)+R2=165 ohm

Hello Drao92, Welcome to Physics Forums.

As a start, after picking two of the terminals that you want to find the resistance between, redraw the circuit having removed all of the extraneous leads and terminals that are not connected to anything. This will leave a less cluttered picture to contemplate.

Next, realize that when resistors are in parallel it doesn't matter what order they are in so long as all of them are accounted for. So you can "shuffle" the order of the transistor pairs (R1 and R2 series units) at will along the top and bottom rails. A handy choice might be to move the pair that are externally connected to be next to each other, say to the left end of the string. This might give you some ideas about simplification :wink:
 
Hi gneill
Im doing 2-3 atm and i found out from google its an irreductible network and it can be solved with
node-voltage puting a 1 Amp test source at pins and find the voltage at pins, in fact i must find only V1, because i make V0=0, then R=(Vpin2(v1 in photo)-Vpin3(v0 in photo))/1amp.
This is how i transformed the circuit for 2-3 case.
Later edit: The first photo was wrong, this one is good.
https://www.physicsforums.com/attachment.php?attachmentid=44967&stc=1&d=1331502295
 

Attachments

  • Un2titled.png
    Un2titled.png
    1.5 KB · Views: 841
Last edited:
Actually it's not quite irreducible; One could apply a Δ-Y transformation to continue reducing the circuit. Of course, whether or not that takes less effort than doing a little mesh or nodal analysis is a personal choice :smile:
 
Man, you are awsome, thanks u very much, this is more easy :).
I learned just the theory of these theorems, never made application and yes, those "square" loops are triangles :).
 

Similar threads

  • · Replies 11 ·
Replies
11
Views
3K
  • · Replies 14 ·
Replies
14
Views
2K
Replies
5
Views
2K
  • · Replies 2 ·
Replies
2
Views
2K
  • · Replies 13 ·
Replies
13
Views
2K
  • · Replies 19 ·
Replies
19
Views
7K
  • · Replies 7 ·
Replies
7
Views
2K
  • · Replies 2 ·
Replies
2
Views
1K
  • · Replies 4 ·
Replies
4
Views
2K
  • · Replies 23 ·
Replies
23
Views
3K