Zener Diode Equivalent Circuit Analysis: Finding the Operation Point

  • Thread starter Thread starter eapocs
  • Start date Start date
  • Tags Tags
    Diode Point
Click For Summary
SUMMARY

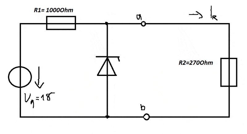
The discussion centers on determining the operating point (OP) of a Zener diode using graphical analysis. The measured OP is 15.35mA and 3.24V, but the calculated equivalent circuit graph does not intersect at these values. Key parameters identified include a no-load voltage of 3.827V and a short-circuit current of 18mA, leading to an incorrect OP of approximately 5mA and 2.8V. The user also questions the impact of a 2700-ohm resistor in the circuit under the given conditions.

PREREQUISITES
  • Understanding of Zener diode characteristics and operation
  • Familiarity with equivalent circuit analysis
  • Knowledge of graphical methods for circuit analysis
  • Basic electrical principles, including Ohm's Law
NEXT STEPS
  • Research Zener diode characteristic curves and their graphical representation
  • Learn about equivalent circuit modeling for diodes
  • Study the effects of load resistors on diode operation
  • Explore methods for accurately measuring diode parameters in circuits
USEFUL FOR

Electrical engineers, circuit designers, and students studying semiconductor devices who are interested in Zener diode applications and equivalent circuit analysis.

eapocs
Messages
1
Reaction score
0
circuit.gif


Hello, I've got a problem I simply can't get my head around. Basically I need to determine the OP of the Z-Diode through graphical solution. Thus I need the graph of the Z-Diode (which we drew by hand with help of some measured values) and the graph of the equivalent circuit.

Well, I also measured the OP for the Z-Diode with the given circuit, which is 15,35mA and 3,24V.

With my calculated equivalent circuit graph, there is no interception at those values, not even close.

One basically needs to find the no-load voltage and the short-circuit current to draw a characteristic line of the equivalent circuit.
I got 3,827V for the voltage source and 18mA for the current. With these values I would get an OP for the Z-Diode of ~5mA and 2,8V which is bullocks.
 
Physics news on Phys.org
If the voltage is indeed as shown for Vg (18 volts with the positive terminal downward) then the zener diode is acting like a forward biased normal diode and will allow about .7V across it, so Vba will be .7V (or you could say Vab is -.7V). What effect do you reckon the 2700 ohm resistor has in the circuit under those conditions?
 

Similar threads

  • · Replies 6 ·
Replies
6
Views
3K
  • · Replies 45 ·
2
Replies
45
Views
9K
  • · Replies 2 ·
Replies
2
Views
1K
  • · Replies 15 ·
Replies
15
Views
7K
Replies
6
Views
2K
  • · Replies 33 ·
2
Replies
33
Views
5K
  • · Replies 1 ·
Replies
1
Views
2K
  • · Replies 2 ·
Replies
2
Views
5K
  • · Replies 5 ·
Replies
5
Views
4K
  • · Replies 4 ·
Replies
4
Views
3K