A general transistor switching circuit question

Click For Summary

Discussion Overview

The discussion revolves around designing a transistor switching circuit for a tube/valve amplifier, focusing on avoiding noise and sound alteration when switching between channels. Participants explore various technical challenges, component options, and circuit design considerations.

Discussion Character

  • Technical explanation
  • Debate/contested
  • Experimental/applied

Main Points Raised

  • Billy seeks advice on potential issues when designing a transistor switching circuit for a tube amp, specifically regarding noise and sound integrity.
  • Some participants mention the possibility of audible "pops" during switching and faint bleed-through of the wrong channel during quiet intervals.
  • Jim suggests the Vishay DG611 series as a suitable analog switch and provides links to relevant datasheets.
  • Others propose using the CD4066 as a cheaper alternative for low-level analog switching, noting its availability and ease of use.
  • There is discussion about the complexity of integrating relays and transistors on a turret board and the associated power supply challenges.
  • Participants express concerns about switching at high gain levels and the potential for noise issues, referencing the Mesa schematic as a working example of a switching system.
  • Some participants share their experiences with the CD4066, claiming it does not produce pops, while others emphasize the importance of avoiding drastic DC level shifts to prevent noise.
  • There are suggestions to consider diode switches for quieter operation and to be cautious with the voltage levels that semiconductor switches can handle.
  • Billy acknowledges the learning curve involved in integrating solid-state components into his design, expressing appreciation for the guidance provided by others.

Areas of Agreement / Disagreement

Participants express a range of opinions on the best components and methods for achieving quiet switching in tube amps. There is no consensus on a single solution, and multiple competing views remain regarding the best approach to avoid noise issues.

Contextual Notes

Participants note the challenges of combining high-voltage tube circuits with low-voltage silicon devices, indicating potential issues with component compatibility and performance in a hybrid design.

Who May Find This Useful

Individuals interested in audio engineering, particularly those working with tube amplifiers and seeking to implement transistor switching circuits without compromising sound quality.

Planobilly
Messages
440
Reaction score
105
Hi guys,

I need to design a transistor switching circuit to switch two channels on a tube/valve amp without adding noise or altering the sound of the tube channels. What issues am I likely to have to deal with?

Thanks,

Billy
 
Engineering news on Phys.org
Planobilly said:
What issues am I likely to have to deal with?
Audible "Pop" when it switches,
Faint bleed through of wrong channel when the one selected is in a quiet interval.

Best analog switch i know of is Vishay DG611 series
probably somebody more current than i knows of an IC made to do exactly what you want. @analogdesign ?

to get you conversant:
http://www.ti.com/lit/sg/slyb125d/slyb125d.pdf
http://www.vishay.com/docs/49951/49951_sg2134.pdf

http://www.vishay.com/docs/70057/dg611.pdf
http://www.digikey.com/product-detail/en/vishay-siliconix/DG611DJ-E3/DG611DJ-E3-ND/2296848

old jim
 
Thanks Jim,

The intent is to build the basic amp on a turret board. That does not lend itself to placing typical relays and transistors on the same board. I sort of had in mind to build a PCB that would reside above the turret board to contain at least the transistors.

Also the voltages needed to power the relays and other voltages needed to power the transistors adds complexity to both the power transformer/rectifier design and wiring layout.

I am aware of the "pop" issue.

Thanks for the links, I will look through the links you provided.

Thanks,

Billy
 
oh my goodness look around page 14 here
http://www.ti.com/lit/sg/slyb125d/slyb125d.pdf

and page 16 here
http://www.ti.com/lit/ds/symlink/ts5a22362.pdf

sigh, no DIP package you'll need a 'surfboard'

i'm just a dinosaur anymore.

Jurassic Jim
 
Yes Jim, things change and get more complex by the second. I really feel like a dinosaur at times!..lol

Here is a modern guitar amp schematic that has a sort of typical IC/transistor switching matrix for a three channel tube amp. http://www.thetubestore.com/lib/the...esa Boogie/Mesa-Boogie-Nomad-45-Schematic.pdf

It is on page nine of this schematic. The LM3914 is an IC normally used to switch LEDs but in this case it is the first input device coming from a rotary 4 position switch on the amp and also hooked up through a DIN connection to the foot switch when position 4 is selected on the rotary switch. It then runs through a few transistors and JFET to the relays.

Much more complex than I need as I only need to control two relays in my amp design. I only need to switch from channel one too channel two and switch the effects loop in and out.

As much as I can, I have resisted using solid state anything up until now. Well...things I now want to do require it so I have to learn new stuff.
A old Navy guy, Dave and I have a basic schematic roughed out, with the two preamp channels, reverb tube and driver, inverter and PA. 100 watt amps get big and heavy real quick. We are working on the power supply at the moment leaving the switching for last. We don't have any values for the resistors and caps indicated on the schematic yet so it would not be readable to anyone but Dave and I as we have that info in our heads. I will post it when we get a bit on down the road with the project. Doing the turret board layout is actually harder than drawing the schematic. I have started to rough it out but that will take a while.Fun stuff but a lot of work!

Cheers,

Billy
 
Planobilly said:
I need to design a transistor switching circuit to switch two channels on a tube/valve amp without adding noise or altering the sound of the tube channels. What issues am I likely to have to deal with?
Symmetrical low-capacitance diode bridges work well at RF so they should work better at AF. What peak-peak voltages and/or currents are you switching. What is the impedance of the switched circuit.
 
For a cheap low-level analog switch: check out the CD 4066 (google "4066 audio switch schematic").
 
Thanks guys, I been running like crazy. I played with the band tonight and it is around 2am. I will look into the 4066 tomorrow and other ideas you guys mentioned. Thanks for the help.

I don't play out much anymore but looks like I can still get the people up on the dance floor!

Cheers,

Billy
 
4066 is a handy analog switch , easy to get

that dg611 is precision and way more expensive

learn on the inexpensive one

i was hoping for a switch made for audio that mutes out the 'pops' have fun
 
  • #10
Having used the 4066 many times in audio I have never had trouble with pops. I have built and used voting equipment in communications systems which selects the best audio source based on signal to noise ratio. I could never tell when the voter would switch sources.
 
  • Like
Likes   Reactions: jim hardy
  • #11
Good morning Jim,

By what ever means the issue of a "pop" when switching can not be tolerated. This will be even more of an issue because this amp is operated at near max gain and will be used for screaming modern rock music. Not my cup of tea but that is the use. So, switching at max gain is the norm.

The Mesa schematic above has a switching system that works well. I own a Mesa Nomad 45 so I will do some channel switching test at high gain levels with the rotary switch only. I have never tried that so I am not sure what effect other circuits and ICs in the foot switch itself do in relationship to noise suppression.

This may prove to be a significant learning curve for me.

Billy
 
  • #12
There you go, Avgsuper has first hand experience. Maybe he'll share his basic approach.

Dont shift DC levels drastically, be judidious where you switch.

Some of those TI audio gizmos can handle signal below negative rail.
 
  • #13
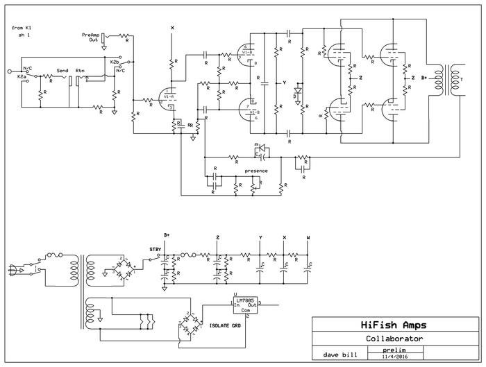
Here is the very preliminary concept schematic of the preamp section. The channel switching will be controlled by a relay at K1.
bB84xGf.png
 
  • #14
Here is the prelim PA.
HAoRR7R.jpg


I am considering adding a DC heater to the first preamp tube.
 
  • #15
There was a time when dual trace oscilloscopes used twin triodes as electronic selection switches. You might consider controlling the HT or grid bias to gate amplifier stages or channels.

A semiconductor such as CD4066 or DG-series will not survive well in situations where signals greater than +/– 5V might occur.

The problem with relays and digital input analogue switches is the click when switching. Diode switches can switch slowly and quietly because you can control the rate that the diode current changes. They can also handle 400V signals without any problem.
 
  • #16
Hi Baiuncore,

I assume lots of potential issues in general with tube amp hybrid designs. I see it all the time in modern amps I repair. High voltage tube requirements with what could be considered crude tube circuit design to begin with and combined with sensitive low voltage silicon devices always presents issues to solve. Add in a few drunk guitar players in the mix and repair guys are keep pretty busy.

Tubes in general are pretty tolerant of voltage spikes and variations in component values and voltages. Transistors are certainly not happy living in that environment. Tubes and transistors are certainly not a marriage made in heaven...lol

This is not "rocket science" as the saying goes but it is my sort of first introduction to having to do the design work. And of course I am way in over my head but that is nothing new.

I appreciate the guidance and ideas you guys are providing.

Cheers,

Billy
 
  • #17
If you're careful you can use CD4066 up to around 15 volts.

http://www.ti.com/lit/ds/symlink/cd4066b.pdf

dont let it make tube's DC bias change quickly or you'll get the dreaded "pop"

experiment. Might consider usng a LM386 for buffer. They're simple and dirt cheap..
 
  • #19
Thanks Jim,

I have a 1964 Fender Vibroverb with an intermittent issue I need to solve right away so I will be back to this thread a bit later.

Thanks,

Billy
 
  • #20
I have found that the only way to avoid a pop is to use a transformer, so that there is no DC component and no capacitor in circuit. Would a simple relay do the switching job - no risk of distortion?
 
  • Like
Likes   Reactions: Averagesupernova
  • #21
Fascinating gizmos, BoB
 
  • #22
Baluncore said:
Diode switches can switch slowly and quietly because you can control the rate that the diode current changes.
I have worked with valve equipment since the late 1960s and so I know the problems to be expected when mixing valve and semiconductor technology. Have you ever seen a balanced diode switch?

Planobilly; What have you got against the balanced or symmetrical diode bridge for switching signals quietly?
 
  • #23
AnalogSwitchBridge.png

This circuit, if built with 1N4007 diodes, will survive any commercial valve amplifier circuit.
 
  • #24
Hi Baluncore,

No, I have not seen or perhaps just not paid any attention to that type of circuit. All my experience has been in repairing valve guitar amps. I have only recently started trying to design them.

I have built several new amps off existing schematics and played around with various modifications to those amps. Now I am in the process of building one of my own design. The new amp will display the characteristic of both the classic Fender clean sound of the 1960s and the screaming metal tones of the modern rock era. I guess most new valve guitar amps are class AB push pull and mine is also.

Obviously there are still NOS valves to be had, but anyone serious about building more than one or two amps is going to use current production valves. I use JJ valves because I have a direct hook up with the factory and routinely get power valves matched within 1 ma. I use Sovtek sometime for certain rectifier valves and Electro Harmonics in certain cases but they are all current production valves.

I don't have any real like or dislike for valves or transistors. For me it is a question of proper function/cost and end results of the sound it produces. Most new amp designs I see are overly complex and the complexity is of little value to the guitar player.

Cheers,

Billy
 
  • #25
diode switch .png
 

Similar threads

Replies
10
Views
2K
Replies
16
Views
2K
  • · Replies 18 ·
Replies
18
Views
4K
  • · Replies 28 ·
Replies
28
Views
6K
  • · Replies 3 ·
Replies
3
Views
3K
  • · Replies 19 ·
Replies
19
Views
2K
  • · Replies 2 ·
Replies
2
Views
2K
  • · Replies 19 ·
Replies
19
Views
2K
  • · Replies 1 ·
Replies
1
Views
2K
Replies
4
Views
2K