Analog electronics (BJT circuit analysis)

Click For Summary
SUMMARY

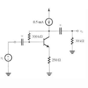
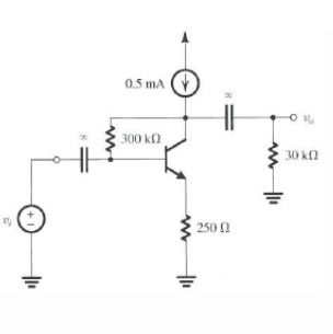
The discussion focuses on analyzing a BJT circuit with a beta value of 100 and a large ro to determine the DC voltage at the collector. The user initially calculated IB as 0.0505 A and IC as 5.05 A, which raised concerns about the accuracy of these values. Key equations discussed include IB = IE(β+1) and IC = β*IB. The importance of considering VBE as approximately 0.7 volts and recognizing capacitors as open circuits for DC analysis were emphasized for accurate circuit evaluation.

PREREQUISITES
  • Understanding of BJT transistor operation and parameters
  • Familiarity with Kirchhoff's Current Law (KCL)
  • Knowledge of DC circuit analysis techniques
  • Basic concepts of equivalent circuit models, such as T-models
NEXT STEPS
  • Study the impact of varying beta values on BJT performance
  • Learn about the significance of VBE in BJT circuit analysis
  • Explore advanced techniques for analyzing BJT circuits, including small-signal models
  • Investigate the effects of load resistance on collector voltage in BJT circuits
USEFUL FOR

Electrical engineering students, circuit designers, and anyone involved in analog electronics who seeks to deepen their understanding of BJT circuit analysis and DC voltage calculations.

adamaero
Messages
109
Reaction score
1

Homework Statement


upload_2016-12-9_20-6-1.png

For beta = 100 and assuming ro is very large, what is the DC voltage at the collector?

Homework Equations


IB = IE(β+1)

IC = β*IB

The Attempt at a Solution


Since IE = 0.5mA, IB = 0.0505 A
Then, IC = 5.05 A (which doesn't feel right)
VC is the same potential across the 30kΩ load?
I tried doing KCL with those currents (to find the current thought the load resistor).
Should I not be analyzing the direct circuit--should I make an equivalent T-model?
 
Physics news on Phys.org
adamaero said:

Homework Statement


View attachment 110203
For beta = 100 and assuming ro is very large, what is the DC voltage at the collector?

Homework Equations


IB = IE(β+1)

IC = β*IB

The Attempt at a Solution


Since IE = 0.5mA, IB = 0.0505 A
Then, IC = 5.05 A (which doesn't feel right)
VC is the same potential across the 30kΩ load?
I tried doing KCL with those currents (to find the current thought the load resistor).
Should I not be analyzing the direct circuit--should I make an equivalent T-model?
Your equation should read ## I_E=I_B (\beta+1) ##. Try again. I think you also need to assume ## V_{BE}=.7 \, volts ## (approximately). One hint for you: The capacitors basically block any steady state current trying to go through them so the capacitor is an open circuit for the DC part of the analysis.
 
Last edited:

Similar threads

  • · Replies 23 ·
Replies
23
Views
5K
  • · Replies 8 ·
Replies
8
Views
2K
  • · Replies 2 ·
Replies
2
Views
2K
  • · Replies 12 ·
Replies
12
Views
3K
  • · Replies 18 ·
Replies
18
Views
4K
  • · Replies 4 ·
Replies
4
Views
3K
  • · Replies 3 ·
Replies
3
Views
2K
  • · Replies 2 ·
Replies
2
Views
4K
Replies
10
Views
2K
  • · Replies 6 ·
Replies
6
Views
2K