Are there 2 correct answers to this transformer homework problem?

Click For Summary

Homework Help Overview

The discussion revolves around a transformer homework problem, specifically examining the correctness of two potential answers regarding the behavior of a transformer when altering the number of turns in the secondary coil. Participants explore concepts related to electromagnetic induction, voltage, and current relationships in transformers.

Discussion Character

  • Mixed

Approaches and Questions Raised

  • Some participants analyze the implications of changing the turns ratio on voltage and current, questioning whether both proposed answers could be correct. Others provide reasoning based on the principles of electromagnetic induction and the behavior of galvanometers.

Discussion Status

The discussion is active, with participants offering various perspectives on the correctness of the answers. Some suggest that both answers could be valid under certain conditions, while others argue against this, indicating a lack of consensus. There is ongoing exploration of the underlying principles and assumptions related to the transformer behavior.

Contextual Notes

Participants note the ideal conditions assumed in the problem, such as perfect coupling in the transformer and the implications of short-circuiting the secondary. There is also mention of the galvanometer's characteristics and its role in the context of the problem.

pkc111
Messages
224
Reaction score
26
Homework Statement
See below
Relevant Equations
n1/n2 = V1/V2
V1I1 = V2I2
Answer B would increase the n1/n2 ratio and increase the deflection. Making it correct.
But also, Answer A would increase the current through the primary coil, and hence the power. This would increase the power in the secondary coil hence I2, leading to lower voltage V2. Making it also correct.
My other question, do Galvanometers like described in this question, function as voltmeters or ammeters?

1620533696653.png
 
Last edited:
  • Like
Likes   Reactions: Delta2 and Charles Link
Physics news on Phys.org
I think you may be right that both "a" and "b" are correct. The Faraday EMF in the secondary will clearly be less for case ## b ##, but with less turns, you have much less inductance in the secondary.

Looking at it from another perspective, there will be the tendency for the current in the secondary to balance the current in the primary in the form ## N_s I_s=N_p I_p ##. Basically, the secondary tries to offset the change in the magnetic field in the core that the primary causes. This ignores the zero load current ## I_{po} ## for the ac case, but this should also hold to a reasonably good approximation for this case. With fewer turns (in the secondary), more current needs to flow in the secondary for this offset to happen.

Meanwhile "a" is correct, because the flux in the core needs to be much higher for the same primary voltage when the primary has fewer turns.

I think you may be right that both "a" and "b" are correct. (Edit: Please read to posts 12 -16. The conclusion is that "b" is incorrect.) I'd be interested in hearing what others might say. @alan123hk Perhaps you would find this of interest.
 
Last edited:
Only answer A is correct (##n_1/n_2## decreases hence ##V_1/V_2## decreases hence ##V_2## increases for constant source voltage ##V_1##)

Answer B will lead to smaller ##V_2## (##n_1/n_2## increases hence ##V_1/V_2## increases hence ##V_2## is smaller for constant source voltage ##V_1##) hence the deflection decreases, not increases. Remember the problem asks for when the deflection increases.

And from what i know Galvanometers are very sensitive voltage meters.
 
Last edited:
Delta2 said:
And from what i know Galvanometers are very sensitive voltage meters.
The galvanometer measures the current and ideally has zero resistance. For the case at hand, the secondary is short-circuited.
 
Last edited:
yes that was what troubles me, that the secondary is short circuited if the galvanometer measure current.
 
For an ideal transformer, the internal resistance of the secondary side galvanometer cannot be equal to zero, otherwise the current will become infinite. Suppose we use a resistive load to represent the galvanometer on the secondary side. The higher the voltage on the secondary side, the higher the current should be, and the voltage on the secondary side should be determined by formula ## V2 = \frac {N2} {N1} V1 ## .
 
  • Like
Likes   Reactions: Delta2
alan123hk said:
For an ideal transformer, the internal resistance of the secondary side galvanometer cannot be equal to zero, otherwise the current will become infinite
That's what i thought at start also but then I thought that the secondary has reactance ##X_L=j\omega L## which limits the current. Ideal transformer means that the primary and secondary have no ohmic resistances and all the power from the primary goes into secondary, right? Ideality doesn't prevents us to assume that the primary and secondary have reactance.
 
  • Like
Likes   Reactions: alan123hk
The magnetic flux in the core without any current in the secondary will be proportional to the product ##N_p I_p ##. There is a strong tendency in an ideal transformer for the secondary current to negate any magnetic field from the primary by having a current turns product ##N_s I_s=N_p I_p ##. This would result in a current in the secondary that would increase as the number of secondary turns decreases.

This result is contrary to intuition from the Faraday effect analysis, where the primary is creating the magnetic field, and with a sufficient resistance in the secondary circuit, one can ignore currents in the secondary in computing the magnetic field of the core.

It might take a rather detailed analysis to get a more definitive answer to this question of whether reducing the number of turns in the secondary could in fact increase the measured current with a short-circuited secondary.
 
Last edited:
  • Informative
Likes   Reactions: Delta2
What is the reactance of an ideal galvanometer??I truly never thought about it. Is it defined to be zero?
 
  • #10
hutchphd said:
What is the reactance of an ideal galvanometer??I truly never thought about it. Is it defined to be zero?
It can't be zero, since it has to move something (i.e. do work). There must at least be some inductance. OTOH, you could make it from super conductors and have no resistance, but then you would also need no field losses, like radiation for example.

These "ideal" circuit element never really make sense if you think too hard about them. They only work as mathematical constructs with some physical laws ignored.
 
  • #11
A "superconducting" meter movement would look electrically like an inductor in a very slow tank circuit (having the mechanical resonance freq of the meter) ? I never liked doing motors...
 
  • #12
The component that will affect things the most is the inductance of the secondary. There will also be a finite ## Z ## associated with the load, which should be very minimal. See https://www.physicsforums.com/threa...ng-high-low-power.1001193/page-3#post-6478878
@Dale writes out the differential equations in post 22, with the ac steady state solution in post 43.
For the case at hand, perhaps a short voltage pulse should be considered. In any case, the inductance of the secondary ## L_s ## is proportional to ## N_s^2 ##, (and the inductance of the primary ## L_p ## is proportional to ## N_p^2 ##), and the load ## Z ## should be taken to be very small.
 
  • #13
Charles Link said:
The component that will affect things the most is the inductance of the secondary.
You mean for real world components, of course. But the problem has an ideal transformer. Doesn't this mean perfect coupling, so the only inductance is the magnetizing inductance which is not in series with the source - load loop?
 
  • #14
See post 14. The solution of @Dale 's equations is fairly straightforward, and if I solved them correctly, I get that ## i_s(t)=\frac{N_s}{N_p} \frac{v_p(t)}{Z} ##. I'm going to need to analyze them further to see why the current balance equation result doesn't appear, but if this turns out to hold solid, I may need to retract my previous statements about "b" being also correct.

(Edit note: The load impedance ## Z ## is assumed to be resistive for the above, but I think a similar result would follow if the load were of a complex nature.)
 
Last edited:
  • Like
Likes   Reactions: DaveE
  • #16
Yes, indeed @hutchphd . The fallacy of thinking ## N_s I_s=N_p I_p ## will hold for this case is starting to come to light. If this were the case, then there would be zero magnetic field in the core, and then also no voltage across the primary. The OP posed a very good question, but a more in-depth analysis is starting to show that decreasing the number of turns in the secondary will clearly result in a lower current in the shorted secondary.
 
  • Like
Likes   Reactions: hutchphd
  • #17
a follow-on to post 16: The problem states that a specified voltage is applied to the primary, thereby defining the magnetization in the core, as well as the voltage in the secondary. The result is a current will flow in the secondary given by ##i_s(t)=\frac{N_s}{N_p} \frac{v_p(t)}{Z} ##. This current in the secondary will be offset by an additional current in the primary of ## i_p(t)=\frac{N_s}{N_p} i_s(t) ## to be added to the current ## i_{po}(t) ## that would flow in the primary with very large ## Z ##. Thereby, we still have our result that ## N_s i_s \approx N_p i_p ##. @Dale 's equations for ## i_p(t) ## do indeed agree with this.

Had the problem specified that a current pulse of a given size is delivered to the primary, then I believe "b" would be a correct result. Instead, it specified the voltage, and "b" is incorrect.
 
Last edited:
  • Like
Likes   Reactions: alan123hk, hutchphd and Dale
  • #18
Charles Link said:
a follow-on to post 16: The problem states that a specified voltage is applied to the primary, thereby defining the magnetization in the core, as well as the voltage in the secondary. The result is a current will flow in the secondary given by is(t)=NsNpvp(t)Z. This current in the secondary will be offset by an additional current in the primary of ip(t)=NsNpis(t) to be added to the current ipo(t) that would flow in the primary with very large Z. Thereby, we still have our result that Nsis≈Npip. @Dale 's equations for ip(t) do indeed agree with this.

Had the problem specified that a current pulse of a given size is delivered to the primary, then I believe "b" would be a correct result. Instead, it specified the voltage, and "b" is incorrect.
I think your analysis is very good.

Because this is an ideal transformer, we can assume that the magnetization current is zero, so the following two equations always hold.
$$ \frac {V_2} {V_1} = \frac {N_2} {N_1} ~~~~~~~~~~~ N_1 I_1 = N_2 I_2 $$
If the primary is connected to a voltage source ##(V_1)##, ## I_1 ## will change as the load changes.
$$\text {because} ~~~~~~I_2 = \frac {V_2} {R} = \frac {N2} {N1} \frac {V_1} {R} ~~~,~~~ I_1 = \frac {N2} {N1} I_2 = {\left( \frac {N_2}{N_1} \right)}^2 \frac {V_1} {R} = \frac {V_1}
{ \left[ {\left(\frac {N_1} {N2}\right)}^2 R\right] } $$
If the primary is connected to a current source ##(I_1)##, ## V_1 ## will change as the load changes.
$$ \text {because} ~~~~~~~ I_2 = \frac {N1}{N2} I_1 ~~~~,~~~V_1 = \frac {N_1} {N_2} V_2 = \frac {N_1} {N_2} I_2 R = \left[ {\left( \frac {N_1}{N_2} \right)}^2 R \right] I_1$$
 
  • Like
Likes   Reactions: DaveE and Charles Link
  • #19
alan123hk said:
we can assume that the magnetization current is zero
Also true if you include magnetization inductance, as long as your "primary current" is defined as going to the transformer. The magnetization current is just an extra shunt load on the source, it doesn't effect the question at hand.
 
  • Like
Likes   Reactions: alan123hk
  • #20
DaveE said:
Also true if you include magnetization inductance, as long as your "primary current" is defined as going to the transformer. The magnetization current is just an extra shunt load on the source, it doesn't effect the question at hand.
You are right, I admire your insight. :smile:
 
  • #21
pkc111 said:
Homework Statement:: See below
Relevant Equations:: n1/n2 = V1/V2
V1I1 = V2I2

Answer B would increase the n1/n2 ratio and increase the deflection. Making it correct.
But also, Answer A would increase the current through the primary coil, and hence the power. This would increase the power in the secondary coil hence I2, leading to lower voltage V2. Making it also correct.
My other question, do Galvanometers like described in this question, function as voltmeters or ammeters?

View attachment 282794
Anyway, back to the original question.

When you are faced with a circuit with complicated elements, it is transformers, transistors, etc. It is often productive to substitute models made of simpler elements, as I discussed in this post:
https://www.physicsforums.com/threa...-coupling-high-low-power.1001193/post-6478419

Then you are left to decipher what your instructor means by ideal. The most ideal is Lm → ∞, k → 1 (L1=L2=0). Next most realistic is to include Lm and k near 1 (L1 & L2 small compared to the other circuit impedances).

The ideal galvanometer is odd, as you see in our replies. It is a device that measures current and has some series impedance, so you can just identify that as Z, a generic unknown constant. You'll find that it doesn't effect the outcome as shown in previous posts.
 
  • #22
Delta2 said:
That's what i thought at start also but then I thought that the secondary has reactance XL=jωL which limits the current. Ideal transformer means that the primary and secondary have no ohmic resistances and all the power from the primary goes into secondary, right? Ideality doesn't prevents us to assume that the primary and secondary have reactance.
The primary and secondary of the transformer have a self-inductance. When I sent the specifications to the supplier for a sample, I also specifies the self-inductance of the primary side and the self-inductance of the secondary side. The relationship between the voltage ratio and self-inductances is as follows.
$$ \text {Since}~~~~ L_1 ∝ C N_1^2~ ~\text {and}~~~ L_2 ∝ C N_2^2~~~~,~~~~\frac {V_2} {V1} = \frac {N_2} {N1} = \sqrt {\frac {L_2} {L_1} } $$
In general, unless there is leakage inductance, the secondary self-inductance will not limit the output current. This is because the secondary output voltage is only determined by the above equations.

This can also be proved by the following circuit equations.

$$ V_1 = j\omega L_1 I_1+ j\omega M I_2~~~~,~~~ V_2 = j\omega M I_1+ j\omega L_2 I_2~~~~~~~~~\text {where} ~~~ M (Mutual Inductance)= k \sqrt {L_1 L_2} $$
When K (coupling factor) =1, solving the above simultaneous equations can get the relationship of ## \frac {V_2} {V1} = \sqrt {\frac {L_2} {L_1} } ~## , so neither ## ~ j\omega L_1 ~ ## nor ## ~ j\omega L_2 ~ ## limits the secondary-side output current.
 
  • Like
Likes   Reactions: hutchphd, Charles Link and Delta2
  • #23
See https://www.physicsforums.com/threa...gnetic-core-with-air-gap.914018/#post-5758745
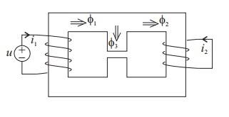
for a related problem that appeared on Physics Forums a couple years ago. With this one, an impedance ## Z ## can be put in the loop for ##i_2 ## and then the limit can be taken for ## Z \rightarrow 0 ##. This one does result in the current ## i_2 ## increasing as the loops ## N_2 ## are decreased, because the current in the primary is specified, rather than the voltage. With the latest tools that we have to solve these, including @Dale 's equations from the "link" in post 12 above, the solution is now rather routine. Edit: I should add that, to solve this one, I used the loop equation ## \oint H \cdot dl=\sum NI ## for two loops through the core, along with a conservation of magnetic flux ##B_1 =B_2+B_3 ## and ## v_2=i_2 Z=-j \omega AB_2 ##. (This one is a little more difficult, because the transformer has an air gap.)
 
Last edited:
  • Like
Likes   Reactions: alan123hk
  • #24
I think the question of this thread https://www.physicsforums.com/threa...gnetic-core-with-air-gap.914018/#post-5758745 is indeed tricky, especially when the value of load resistance ## (R) ##of ## i_2 ## loop is not zero (Short-circuited), it will be more difficult to find a general solution.

According to my calculation results, it has the following two strange characteristics.

1. ##~## when ## R ## is large, ##I_2## decreases as ##N_2## decreases, just like the case of a general transformer. However, when ## R ## decreases below a certain value, the situation is reversed ,that is, ##I_2## increases as ##N_2## decreases.

2. ##~## when ## R=0 ##, the magnetic flux of ##N_2## ## (\theta_2) ## become zero accordingly. However, a fixed ##I_2## flowing through ##N_2## still exist at this time , even though ## \theta_2 ## has become a zero value.

I have rarely encountered this kind of complicated but interesting problem.
 
Last edited:
  • Like
Likes   Reactions: Charles Link
  • #25
@alan123hk Edit: Upon finding an error or two in my calculations, I now agree with both of your results.
(Here we are working the problem in the "link" of post 23).

For (1), the latest result I have is:

## i_2=\frac{E}{F+G} ##,
where
##E=N_1 i_1(\frac{l_3}{\mu_r} +d) ##
##F=N_2(\frac{l_1 +l_3}{\mu_r}+d) ##
##G=(\frac{jR}{N_2 \omega A})(\frac{1}{\mu_o})((\frac{l_2}{\mu_r})(\frac{l_1+l_3}{\mu_r}+d)+(\frac{l_1}{\mu_r})(\frac{l_3}{\mu_r}+d)) ##

I also agree with your result for (2) as ## R \rightarrow 0 ##, where ## B_2=\frac{j R}{N_2 \omega A } i_2##.

Note: To get results for a transformer without the middle leg, let ## d ## be large.
 
Last edited:
  • Like
Likes   Reactions: alan123hk
  • #26
Fakulteta za elektrotehniko01.jpg

Assuming that the resistance of ##I_2## loop is zero, then ##N_2## is short-circuited, I tried to find the solution to this problem as show below.

First, since ##N_2## is a short circuit, the induced voltage of the ##N_2## is forced to zero. According to Faraday's law, the ## ~\theta_2 ~## is also zero, so it can be concluded that ## ~\theta_3 = \theta_1~ ##

Due to the very high permeability of the magnetic core, the magnetic field strength ##(H)## of the circuit ## ~ \theta_1~ ## will only be concentrated in the air gap ##(L_g) ##.

Now apply Faraday's law and Ampere's Law.

$$ N_1 I_1 = H L_g = \frac {B} {u} L_g = \frac {\theta_1} {u A} L_g = \frac {V} {j \omega \left( \frac {uAN_1} {Lg}\right)} ~~~~~~~~ \rightarrow ~~~~~~~~~~I_1 = \frac {V} {j \omega \left( \frac {{uAN_1}^2} {Lg} \right)}
$$ $$ N_2I_2 = H L_g = N_1I_1 ~~~~~~~~ \rightarrow ~~~~~~~~~~ I_2=\frac{N_1}{N_2}I_1= \frac {V} {j \omega \left( \frac {uAN_1N_2} {Lg} \right)}
$$
Regarding the scenario of non-zero load resistance value of the ##~I_2~## loop, it will be more complicated to derive the complete description equations.
 
  • Like
Likes   Reactions: Delta2 and Charles Link
  • #27
Very good @alan123hk :)

One item to note though is you use a very ideal ## \mu=+\infty ##. It can be worthwhile to use a finite ## \mu =\mu_r \mu_o ##, so that the results work even for the case of ## L_g=0 ##. (I used ## d ## for ## L_g ## in post 25). I also solved it for a finite ## R ## load resistor. It took some effort, but writing ## \oint H \cdot dl =\sum N_j i_j ## around 2 of the loops of the transformer, along with ## B_1=B_2+B_3 ##, made for a very algebraic solution. I also used ## v_2=i_2 R=-j \omega N_2 B_2 A ##, and ## B=\mu H ##.

Note: ## B_3 ## is assumed to be continuous across the gap.

For the most part, the solution is simply a lot of algebra.

The two loops are as follows:

## N_1 i_1-N_2 i_2=\frac{B_1}{\mu} l_1 +\frac{B_2}{\mu} l_2 ##

and

## N_1 i_1=\frac{B_1}{\mu} l_1 +\frac{B_3}{\mu} l_3+\frac{B_3}{\mu_o} d ##.

Next use ## B_3=B_1-B_2 ##, and also write ## B_2 ## in terms of ## i_2 ##. That leaves just two unknowns ## B_1 ## and ## i_2 ##, with two equations.
 
Last edited:
  • Like
Likes   Reactions: alan123hk and Delta2
  • #28
Charles Link said:
For the most part, the solution is simply a lot of algebra.

That does involve a lot of algebraic operations, I think if people who are not interested in this aspect may not spend so much effort to derive those equations. The following is the complete set of equations I have obtained for this system.

I believe that although my expression is slightly different from yours, they all describe the same thing. Please note that I use reluctance ##( \chi = \frac {L} {uA})~ ##to construct those equations.

$$ N_1I_1+N_2I_2 = \chi_1~ \phi_1 + \chi_2~ \phi_2 ~~~~~~~,~~~~~~~N_1I_1 = \chi_1~ \phi_1 + \chi_3~ \phi_3
~~~~~~~,~~~~~~~\phi_3 =\phi_1-\phi_2 $$
After a long algebraic operation (details are omitted here), I get the following equations.

$$ \phi_1 = \frac {V_1} {N_1J\omega} ~~~~,~~~~ \phi_2 = \frac { \chi_3 \left(\frac {V_1} {N_1 } \right) }
{J\omega ( \chi_2- \chi_3) + \frac {(\omega N_2)^2} {R}
} ~~~~,~~~~ \phi_3 = \left[ \frac {1}{J\omega} - \frac { \chi_3 } {J\omega ( \chi_2- \chi_3) + \frac {(\omega N_2)^2} {R} } \right]\frac {V_1 } {N_1 }
$$
$$ I_1 = \left[ \frac {\chi_1+\chi_3}{N_1J\omega} + \frac { \frac {(\chi_3)^2} {N_1} } {J\omega ( \chi_1- \chi_3) + \frac {(\omega N_2)^2} {R} } \right]\frac {V_1 } {N_1 }~~~~,~~~~
I_2= \frac { j\omega\chi_3 \left(\frac {N_2} {N_1 } \right) V_1} { J\omega ( \chi_2- \chi_3) {R}+ (\omega N_2)^2} $$
where ##~ R ~## is the load resistance of ##~I_2~##

I hope there are no errors in my derivation. In fact, it should not be said that this is a difficult thing, but just a very long and tedious algebraic operation.
 
  • Like
Likes   Reactions: Delta2
  • #29
@alan123hk

In the first expression, it should be ## N_1 i_1 -N_2 i_2 ##
In the second expression, the reluctance needs to include the gap reluctance.

## \phi_2 ## is the easiest to compare with my post 25.

Writing out the complete solutions is too much work, but just writing out the one that I did in post 25 was useful. I checked the result for the limiting cases ## R \rightarrow 0 ##, and ## d \rightarrow ## large, etc., and that's how I located a couple of my algebra errors. I also needed ## i_2 ## to see how it does when ## N_2 ## is decreased. Your conclusions about ## i_2 ## in post 24 were correct, as verified by my expression in post 25.

additional note: I see you have an expression for ## i_1 ##. It appears you may have worked the problem for a specified ## v_1 ##, so that the results you get might differ from mine in post 25, where I used a specified ## i_1 ##.

Edit: Upon doing a conversion to compute ## i_1 ## in terms of ## v_1 ## , the results of @alan123hk started to look reasonably similar to mine,(I couldn't get them to completely agree), and it would prove very difficult to isolate any algebraic errors. (I did solve for ## B_1 ## in terms of ## i_1 ##. It is a simple expression relating ## B_1 ## to ## v_1 ##. That gave me the relation between ## v_1 ## and ## i_1 ##).
 
Last edited:
  • Like
Likes   Reactions: alan123hk
  • #30
I found out where the error occurred in my derivation and corrected it. Now, I believe that my system of equations is completely free of errors.

According to the ratio of ##~i_2~## and ##i_1~## in my magnetic circuit equations, I can get exactly the same result as the following equations.

## i_2=\frac{E}{F+G} ##
##E=N_1 i_1(\frac{l_3}{\mu_r} +d)##
##F=N_2(\frac{l_1 +l_3}{\mu_r}+d)##
##G=(\frac{jR}{N_2 \omega A})(\frac{1}{\mu_o})((\frac{l_2}{\mu_r})(\frac{l_1+l_3}{\mu_r}+d)+(\frac{l_1}{\mu_r})(\frac{l_3}{\mu_r}+d))##

As I believed before, there are multiple ways to solve the same problem, but the end result should be the same. :smile:
 
  • Like
Likes   Reactions: Charles Link and Delta2

Similar threads

Replies
3
Views
3K
Replies
4
Views
2K
  • · Replies 2 ·
Replies
2
Views
2K
  • · Replies 7 ·
Replies
7
Views
2K
  • · Replies 17 ·
Replies
17
Views
4K
Replies
1
Views
2K
Replies
8
Views
2K
  • · Replies 9 ·
Replies
9
Views
3K
  • · Replies 4 ·
Replies
4
Views
4K
  • · Replies 1 ·
Replies
1
Views
1K