Flux and Current of Magnetic Core With Air Gap

Click For Summary

Discussion Overview

The discussion revolves around a homework problem related to the magnetic flux and currents in a magnetic core with an air gap. Participants explore the implications of given parameters, including the primary and secondary windings, alternating voltage source, and the geometry of the magnetic structure. The focus is on applying relevant equations and understanding the relationships between magnetic fields and currents in this context.

Discussion Character

  • Homework-related
  • Technical explanation
  • Debate/contested

Main Points Raised

  • The initial poster seeks guidance on computing magnetic flux and currents, noting confusion over the task requirements and lack of provided solutions.
  • Some participants suggest that permittivity data is necessary to determine the magnetic field response and to relate the magnetic field strength (H) to the magnetic flux density (B).
  • One participant mentions that if the problem involved a permanent magnet, the calculations would be more straightforward, but the AC nature complicates the situation.
  • Another participant argues that the problem is poorly specified due to the short-circuited secondary coil, which complicates the relationship between the primary and secondary currents and the magnetic flux.
  • There is a suggestion that assuming uniform magnetization may be reasonable for an introductory course, but the lack of permittivity data is a significant limitation in solving the problem.
  • Some participants express that the problem might be more suitable for an advanced class, given the complexities introduced by the air gap and alternative flux paths.

Areas of Agreement / Disagreement

Participants generally agree that additional information, particularly regarding permittivity, is needed to solve the problem effectively. However, there is disagreement on the appropriateness of the problem's complexity for an introductory course, with some feeling it is too advanced.

Contextual Notes

Participants note that the problem lacks sufficient data regarding permittivity and the geometry of the windings, which are critical for accurate calculations. The discussion highlights the need for clarity in problem specifications, especially in educational contexts.

peroAlex
Messages
35
Reaction score
4
I am a student of electrical engineering. This task appears in our textbook. However, there were no solutions provided. I tried understanding the task but got lost in the process. This is why I seek help here on this site. I would like to ask you for guidance and any sort of advice on how to solve this task.

1. Homework Statement

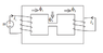
Given is a magnetic structure (check the attached png file). Primary winding has ## N_1 = 210 ##
and secondary winding has ## N_2 = 40 ##. Voltage source which drives the current ##i_1## is alternating (sketch is obviously wrongfully displaying DC voltage source) ## u(t) = 500 cos(300/s t) ##. Surface area of cross section is constant and equals ##S=0.004 m^2##. Air gap is ## \delta = 0.002 m ## wide.
Compute magnetic flux ##\Phi_2## and both currents ##i_1## and ##i_2##.

Homework Equations


I assume that I need to implement Faraday's Law $$ EMF = -N \frac{d \Phi}{dt} $$ probably inductance $$ L = \frac{N \Phi}{I} $$ I sincerely hope I have mention edenough equations.

The Attempt at a Solution


I began trying to compute flux and magnetic flux density from given information. If ##EMF = -N \frac{d \Phi}{dt} = NBS\omega sin(\omega t)## then ## B \cong 2.6455 T ##. Now that evidently leads to ##\Phi_1 = 0.00794 Wb##. No data for permittivity was given so I assume I need to continue with my computation using magnetic flux density.
From now on I'm lost. I would really appreciate at least some help or at least guidance. I will be happy with any sort of tips or pieces of advice given. Thank you in advance!
 

Attachments

  • Fakulteta za elektrotehniko01.png
    Fakulteta za elektrotehniko01.png
    2.6 KB · Views: 799
Physics news on Phys.org
I think you need permittivity data. Knowing the current in the primary winding will tell you what ## H ## is inside the coil by ampere's law, but to get the response of the material, and thereby the magnetic field ## B ##, you need permittivity data. The part of solving for the magnetic field in the air gap is also somewhat of a puzzle. If it were a permanent magnet, with a saturated value of magnetization ## M ## everywhere, it would be a straightforward calculation. In this ac case, the value of ## M ## will depend upon the ac permittivity, and even then, it doesn't appear a simple matter to determine how the magnetization will respond in regions outside of the primary coil, and in particular, exactly what it will do when it encounters the split where the path goes two directions. Perhaps the assumption is made that the magnetization is uniform everywhere=probably a reasonably good assumption, (an alternative assumption would be that ## B ## spits in two because ## \nabla \cdot B=0 ##), but my engineering expertise in this sort of ac magnetic problem is somewhat limited.
 
  • Like
Likes   Reactions: peroAlex
Charles Link said:
I think you need permittivity data. Knowing the current in the primary winding will tell you what ## H ## is inside the coil by ampere's law, but to get the response of the material, and thereby the magnetic field ## B ##, you need permittivity data. The part of solving for the magnetic field in the air gap is also somewhat of a puzzle. If it were a permanent magnet, with a saturated value of magnetization ## M ## everywhere, it would be a straightforward calculation. In this ac case, the value of ## M ## will depend upon the ac permittivity, and even then, it doesn't appear a simple matter to determine how the magnetization will respond in regions outside of the primary coil, and in particular, exactly what it will do when it encounters the split where the path goes two directions. Perhaps the assumption is made that the magnetization is uniform everywhere=probably a reasonably good assumption, (an alternative assumption would be that ## B ## spits in two because ## \nabla \cdot B=0 ##), but my engineering expertise in this sort of ac magnetic problem is somewhat limited.

OK, I will try to ask the professor whether or not there is any sort of permittivity data given. I was lost exactly because I could not find the relation between ##B## and ##H## field. I assume that magnetization is uniform since this is an introductory course. Thank you so much for letting me know I need extra information!
 
  • Like
Likes   Reactions: Charles Link
peroAlex said:
OK, I will try to ask the professor whether or not there is any sort of permittivity data given. I was lost exactly because I could not find the relation between ##B## and ##H## field. I assume that magnetization is uniform since this is an introductory course. Thank you so much for letting me know I need extra information!
Usually, permittivity is assumed infinite which I'll bet your prof will tell you/has told you. Tha's because permittivity of iron, steel etc is >> permittivity of air.

You don't want or need to calculate B. You want Φ which you have done indirectly. Assume Φ1 = Φ2 (no flux leakage). So that takes care of Φ. Notice you haven't even needed to compute air gap reluctance or anything else.

To compute i1 you need to invoke Ampere's law relating mmf = Ni to path reluctance and Φ.
The value of i2 should be VERY obvious since no load is specified for the secondary winding.
 
IMO the problem is somewhat poorly specified. By having the output coil be short-circuited, it makes it a much more complex problem than the open-circuited secondary, in which case ## \frac{\mathcal{E}_2}{\mathcal{E}_1}=\frac{N_2}{N_1} ##. This simple equation does not apply for a short-circuited secondary for which the secondary current will affect the value of ## \Phi_2 ##. ## \\ ## For an introductory problem, I think the instructor did not need to include an air-gap and an alternative flux path, and he should also have open-circuited the secondary coil. In addition, if he wants you to compute ## i_1 ## (assuming the geometry of a long solenoid), I do think that you require magnetic permittivity data. The flux ## \Phi_1 ## can be computed from the voltage and the number of turns ## N_1 ## as follows: ## u_o cos(\omega t)=-N_1 \frac{d \Phi_1}{dt} ## , from which ## \Phi_1=-\int \frac{u_o}{N_1} cos(\omega t)\, dt ##. The current ## i_1 ## depends on the magnetic permittivity, and will be smaller as the permittivity increases. (For a long solenoid (by Ampere's law) ## H=\frac{N}{L}i ## and ## B=\mu H ##, thereby the permittivity ## \mu ## is needed along with the length ## L ##). ## \\ ## IMO, it would make a good problem for a more advanced class, but the permittivity data needs to be supplied as well as information on the length of the part that is wound. For an introductory problem, it would be much more practical to ask the student to compute ## \Phi_1 ## (along with ## \Phi_2 ##) and ## \mathcal{E_2} ## , with an open-circuited secondary and no alternative flux path through the middle.
 
Last edited:
Charles Link said:
IMO the problem is somewhat poorly specified. By having the output coil be short-circuited, it makes it a much more complex problem than the open-circuited secondary, in which case ## \frac{\mathcal{E}_2}{\mathcal{E}_1}=\frac{N_2}{N_1} ##. This simple equation does not apply for a short-circuited secondary for which the secondary current will affect the value of ## \Phi_2 ##. ## \\ ## For an introductory problem, I think the instructor did not need to include an air-gap and an alternative flux path, and he should also have open-circuited the secondary coil. In addition, if he wants you to compute ## i_1 ## (assuming the geometry of a long solenoid), I do think that you require magnetic permittivity data. The flux ## \Phi_1 ## can be computed from the voltage and the number of turns ## N_1 ## as follows: ## u_o cos(\omega t)=-N_1 \frac{d \Phi_1}{dt} ## , from which ## \Phi_1=-\int \frac{u_o}{N_1} cos(\omega t)\, dt ##. The current ## i_1 ## depends on the magnetic permittivity, and will be smaller as the permittivity increases. (For a long solenoid (by Ampere's law) ## H=\frac{N}{L}i ## and ## B=\mu H ##, thereby the permittivity ## \mu ## is needed along with the length ## L ##). ## \\ ## IMO, it would make a good problem for a more advanced class, but the permittivity data needs to be supplied as well as information on the length of the part that is wound. For an introductory problem, it would be much more practical to ask the student to compute ## \Phi_1 ## (along with ## \Phi_2 ##) and ## \mathcal{E_2} ## , with an open-circuited secondary and no alternative flux path through the middle.
1. there is no mention of a shorted secondary. EDIT: OK, the illustration indicates it is shorted. However, in that case, primary and/or secondary leakages and resistances must be finite or the problem is unbounded.

2. Regardlress, the flux does not change with secondary current, so it makes no difference to the flux whether the secondary is shorted, open, or any finite load of any kind. emf = -N dΦ/dt and there is only once source of emf.
 
Last edited:
rude man said:
1. there is no mention of a shorted secondary.
2. Regardlress, the flux does not change with secondary current, so it makes no difference to the flux whether the secondary is shorted, open, or any finite load of any kind. emf = -N dΦ/dt and there is only once source of emf.
The picture is drawn with a shorted secondary. Meanwhile, any current in the secondary produces a magnetic flux in the opposite direction. IMO, the instructor needs to be more clear in presenting a homework assignment. In addition, the current ## i_2 ## will depend on what the load resistance is in the secondary circuit.
 
A few comments:
1) The assumption that [itex]\Phi_1=\Phi_2[/itex] is incorrect because some of the flux from the driven coil is shunted through the center leg. This is what keeps the problem from being elementary.
2) Permittivity is an electric quantity. It is permeability that describes a magnetic material.
3) So long as the permeability is large, [itex]\mu>>1[/itex], its exact value is unneeded. The effective reluctance of a leg with a small air gap is determined by the gap. That's why ferrite transformer cores ("pot cores") are manufactured with a gap--the reluctance of the entire path is determined by precise machining (the gap width) rather than by poorly controlled chemical engineering (mu).
EDIT:
4) The permeability is needed, in general, to calculate how the flux divides between the center leg and leg #2. There's something special about this problem, however, that means we don't need its exact value.
5) In an idealized case where mu is truly infinite, as assumed by rude man, then it's true that [itex]\Phi_1=\Phi_2[/itex] and the center leg becomes irrelevant. Since the problem specifies the leg and gap, I assume the opposite: that mu must instead be finite (why include the leg if it's irrelevant to the solution?).
 
Last edited:
  • Like
Likes   Reactions: cnh1995
marcusl said:
A few comments:
1) The assumption that [itex]\Phi_1=\Phi_2[/itex] is incorrect because some of the flux from the driven coil is shunted through the center leg. This is what keeps the problem from being elementary. Since the problem specifies the leg and gap, I assume the opposite: that mu must instead be finite (why include the leg if it's irrelevant to the solution?).
The gap dimension is in m, not m^2, and is as stated gap width, not area. The area is obvioulsy also needed to compute overall reluctance. The core reluctance is obviously intended to be zero.
 
  • #10
Yes, that's what I said--gap width. The core permeability doesn't need to be specified exactly so long as it's large compared to one. I think the solution is this: The shorted secondary prevents any flux from passing through leg 2, so [itex]\Phi_2=0[/itex], by Lenz's Law. Since [itex]\Phi_1=\Phi_2+\Phi_3[/itex], where 3 refers to the central leg, then [itex]\Phi_1=\Phi_3[/itex]. The path that conducts flux now contains an air gap whose width (in m) dominates and determines the effective reluctance of the path. The flux is now calculated from of the magnetomotive force mmf (as you suggest), together with the effective reluctance of the portion of the core containing legs 1 and 3.
 
  • Like
Likes   Reactions: jim hardy
  • #11
I'm finding the OP's homeworks to be very educational=(in the physics curriculum in my college days many years ago, transformer problems were not given much emphasis.) Anyway, here is a "link" to another transformer problem from the same OP. Absolute Value of Magnetization ## \\ ##@marcusl and @rude man might find this one of interest as well=it looks like you both have expertise in this area. I think I gave this second one a better answer than my responses above. (I also learned from @marcusl response above). This one I think is also a better "first" gap problem, and the one above is better understood after having worked this other one.
 
  • #13
I'd say responses have encircled the solution but not nailed it.

.................
I would calculate flux Φ1 by integrating voltage, as OP did

and since the secondary is shorted, ie zero volts as several folks mentioned , fluxΦ3 is zero (or near enough zero to ignore)
so all his flux flows through the air gap

then calculate amp-turns required to push that much flux through his 2mm air gap

then observe that many amp-turns are required of both windings , else there'd be a flux Φ3 and voltage in secondary
so whatever is I1
I2 must be greater by ratio 210 / 40

sound reasonable ?
peroAlex said:
voltage source) u(t)=500cos(300/st)
What's the "st" denominator in cos argument? Is that 500 volts peak cosinewave at 300 hz ?
If so,
volts per turn = 500/210 X cos (300 X 2π X t) = dΦ1/dt
Φ1 = ∫volts per turn and ∫cos(ωt) = 1/(ω) X sin(ωt)
Φ1 = (500) / (210 ) X 1/(2π X 300) sin (2π X 300 X t)
Φ1 = 1.2631X10-3 sin(600π t) Webers, real close to 400π microWebers peak.
That's peak flux density of 1.2631 X10-3 Webers / 0.004m2 = 0.3158 Teslas ? That's reasonable.

We're not supposed to work the problem for homework posters, so i'll stop here.

See if you get 4π amps for I2.
old jim
 
Last edited:
  • Like
Likes   Reactions: Charles Link
  • #14
PS i once had the good fortune of a big three phase transformer core in my garage to play with.
I performed almost that exact experiment , at 60 hz of course.
Shorting the secondary as shown indeed pushes (virtually) all the flux into center leg, only enough secondary current flows to make the required mmf.
I was at first surprised by the absence of sparks when i touched the wires together. It was an eye opener to magnetic circuits.

old jim
 
  • Like
Likes   Reactions: Charles Link

Similar threads

Replies
5
Views
2K
  • · Replies 3 ·
Replies
3
Views
2K
  • · Replies 4 ·
Replies
4
Views
3K
  • · Replies 1 ·
Replies
1
Views
3K
Replies
5
Views
3K
Replies
25
Views
3K
  • · Replies 2 ·
Replies
2
Views
2K
  • · Replies 7 ·
Replies
7
Views
4K
  • · Replies 3 ·
Replies
3
Views
4K
  • · Replies 3 ·
Replies
3
Views
2K