Block on a Pulley: Determine Speed 2s Later

  • Thread starter Thread starter KillerZ
  • Start date Start date
  • Tags Tags
    Block Pulley
Click For Summary

Homework Help Overview

The problem involves a system of two blocks connected by a pulley, where block A is moving downward and block B is on a horizontal surface with friction. The goal is to determine the speed of block A after 2 seconds, given its initial speed and the weights of both blocks.

Discussion Character

  • Mixed

Approaches and Questions Raised

  • Participants discuss free body diagrams (FBD) for both blocks and set up equations based on forces and kinematics. There are attempts to solve for tension and acceleration, with some questioning the signs and values used in their calculations.

Discussion Status

Some participants have provided calculations and attempted to solve for tension and acceleration, while others have pointed out potential errors in the reasoning or calculations. There is an ongoing exploration of the relationships between the accelerations of the blocks and the tension in the rope.

Contextual Notes

Participants note discrepancies in the tension values and the precision of numerical results. There is also mention of the assumption that the negative tension indicates a mistake in the setup or calculations.

KillerZ
Messages
116
Reaction score
0

Homework Statement



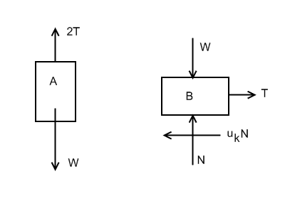
At a given instant the 10-lb block A is moving downward with a speed of 6 ft/s. determine its speed 2s later. Block B has a weight of 4-lb, and the coefficient of kinetic friction between it and the horizontal plane is [tex]\o_{k} = 0.2[/tex]. Neglect the mass of the pulleys and cord.

2uo0t91.png


Homework Equations



[tex]v = v_{0} + a_{A}t[/tex]

The Attempt at a Solution



FBD:
2h6zltw.png


Block A:

[tex]+\downarrow \sum F_{y} = ma_{y}[/tex]

[tex]10 - 2T = (0.311)(a_{A})[/tex]

Block B:

[tex]+\rightarrow \sum F_{x} = ma_{x}[/tex]

[tex]T - (0.2)(4) = (0.124)(a_{B})[/tex]

[tex]+\downarrow \sum F_{y} = ma_{y}[/tex]

[tex]4 - N = 0[/tex]

Kinematics:

[tex]2S_{A} + S_{B} = l[/tex]

[tex]2a_{A} + a_{B} = 0[/tex]

[tex]2a_{A} = -a_{B}[/tex]

Solving for T:

[tex]10 - 2T = (0.311)(a_{A})[/tex]

[tex]10 - 2T = -(0.311)(a_{B})[/tex]

[tex]a_{B} = -\frac{10 - 2T}{0.311} = \frac{T - (0.2)(4)}{0.124}[/tex]

[tex]T = -16lb/2 = -8lb[/tex]

[tex]a_{B} = -70.84ft/s^{2}[/tex]

[tex]a_{A} = 83.72ft/s^{2}[/tex]

[tex]v = v_{0} + a_{A}t[/tex]

[tex]v = 6 + (83.72)(2) = 173.44 ft/s[/tex] I am not sure if this is right because that seems fast.
 
Physics news on Phys.org
KillerZ said:
[tex]2a_{A} = -a_{B}[/tex]

Solving for T:

[tex]10 - 2T = (0.311)(a_{A})[/tex]

[tex]10 - 2T = -(0.311)(a_{B})[/tex]

you forgot a factor (1/2) here.

[tex]a_{B} = -\frac{10 - 2T}{0.311} = \frac{T - (0.2)(4)}{0.124}[/tex]

[tex]T = -16lb/2 = -8lb[/tex]

T = -8 lb is not a solution of the above equaton. Try to give some more detail when you
try to solve for T again.
The negative tension in a rope should have tipped you off that something was wrong.
 
I didn't have a chance to get back to this but I finally solved it I think:

[tex]2a_{A} = -a_{B}[/tex]

[tex]a_{A} = -\frac{a_{B}}{2}[/tex]

[tex]10 - 2T = (0.311)(a_{A})[/tex]

[tex]10 - 2T = -(0.311)(\frac{a_{B}}{2})[/tex]

[tex]a_{B} = -\frac{20 - 4T}{0.311} = \frac{T - (0.2)(4)}{0.124}[/tex]

[tex]-2.48 + 0.50T = 0.31T - 0.25[/tex]

[tex]T = 2.769 lb[/tex]

[tex]a_{A} = 14.37ft/s^{2}[/tex]

[tex]a_{B} = 15.85ft/s^{2}[/tex]

[tex]v = v_{0} + a_{A}t[/tex]

[tex]v = 6 + (14.37)(2) = 34.73 ft/s[/tex]
 
KillerZ said:
I didn't have a chance to get back to this but I finally solved it I think:

[tex]2a_{A} = -a_{B}[/tex]

I'm sorry, this was an error I missed. a_A and a_B should have the same sign.

[tex]-2.48 + 0.50T = 0.31T - 0.25[/tex]

[tex]T = 2.769 lb[/tex]

this T is not the solution of the last equation. I get 0.19 T = 2.23, so T = 11.7
your also using only 2 digits of precision here, and then give the final answer with much
more digits.
 
10 - 2T = 0.311(aA)
T - 0.8 = 0.124(aB)
aA = 2*aB
So 10 - 2T = 0.622*aB
T - 0.8 = 0.124*aB
So ( 10 - 2T)/(T - 0.8) = 0.622/0.124.
Now solve for T.
 

Similar threads

Replies
5
Views
1K
  • · Replies 33 ·
2
Replies
33
Views
2K
  • · Replies 40 ·
2
Replies
40
Views
5K
  • · Replies 5 ·
Replies
5
Views
6K
Replies
24
Views
4K
  • · Replies 2 ·
Replies
2
Views
2K
Replies
12
Views
4K
  • · Replies 6 ·
Replies
6
Views
2K
Replies
8
Views
5K
  • · Replies 22 ·
Replies
22
Views
7K